I was able to successfully replace the actuator that controls the buttons on the vehicle and remote to open the passenger sliding door.
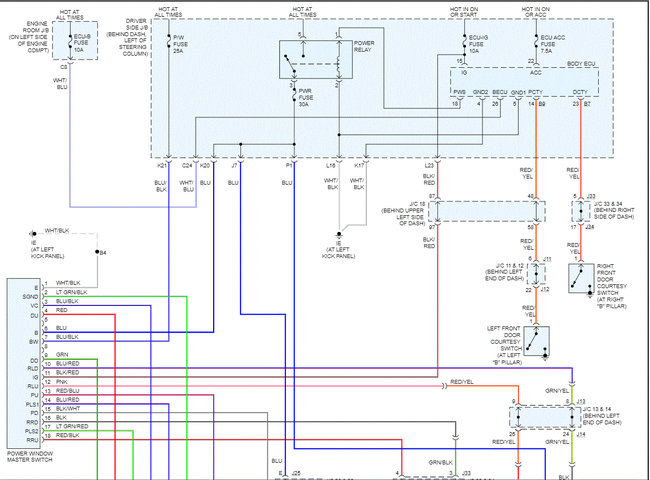
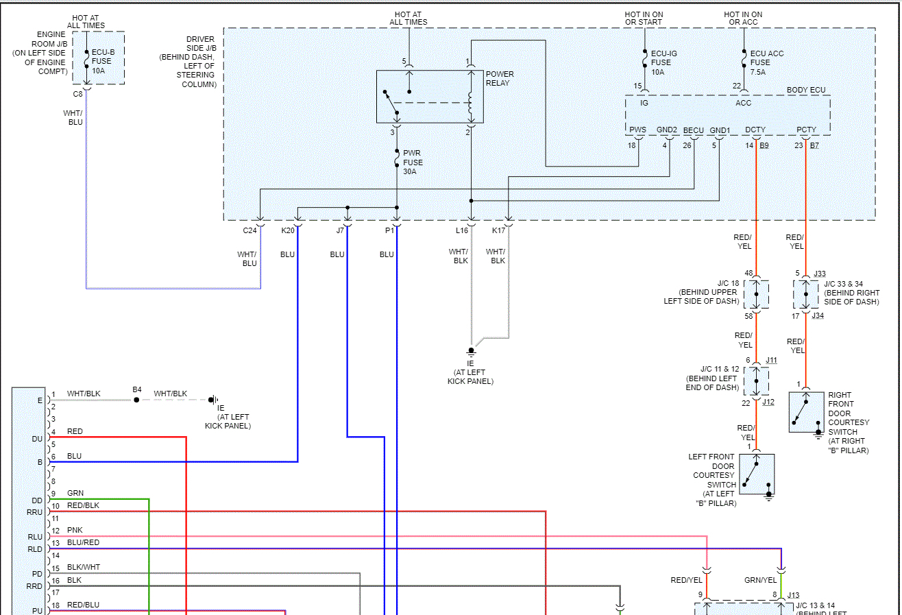
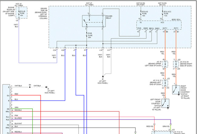
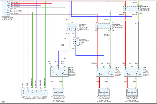
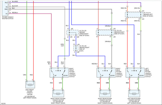
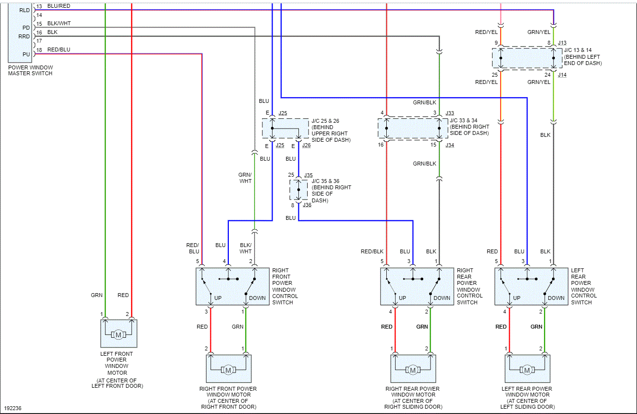
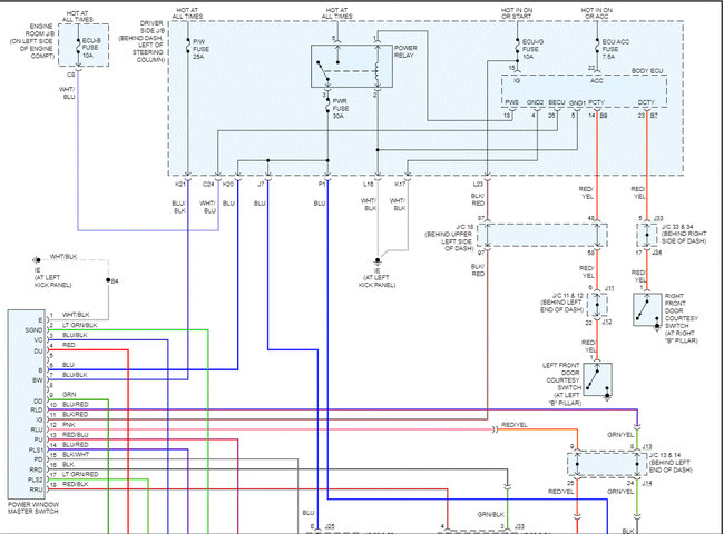
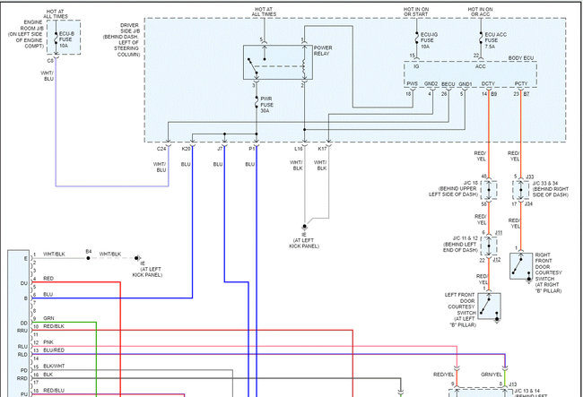
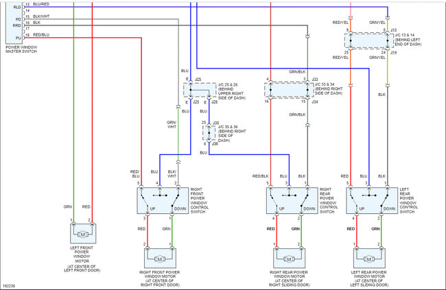
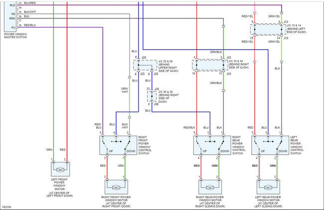
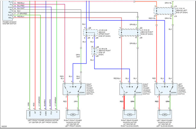
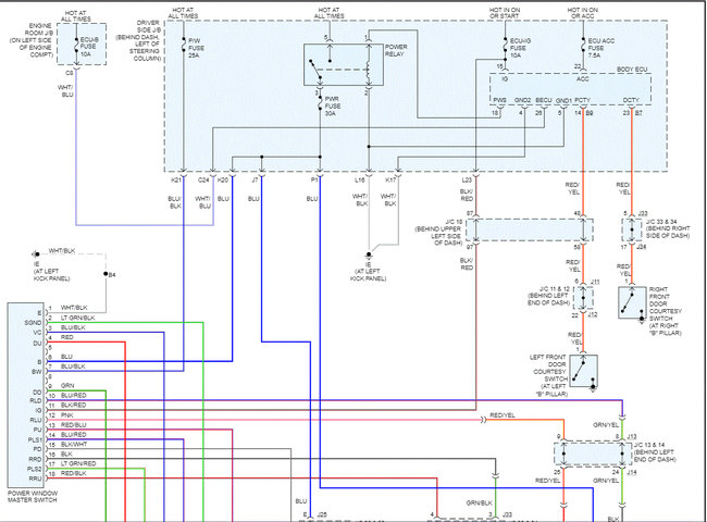
When rolling down the passenger window, there is a funny sound when it gets to the bottom. Would you have a schematic of the door panel to determine what the problem could be? It might have gotten off track.
When rolling down the passenger window, there is a funny sound when it gets to the bottom. Would you have a schematic of the door panel to determine what the problem could be? It might have gotten off track.
Apr 10, 2020 at 7:55 AM



