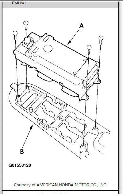
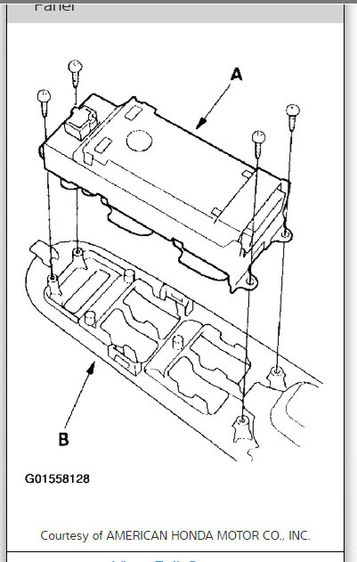
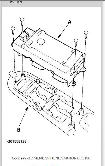
Monday, July 2nd, 2018 AT 8:11 AM
One day the window was stuck and it was open, I bought the new window motor because I saw some damage. The switch in the passenger side is not responding, when I use the main switch the window when up I thought the problem was solved, but now the window does not go down. I checked all the fuse and they are good. So, with the main switch I can bring the window up, but I cannot put the window down and the passenger is not responding at all.







