Passenger side window not working properly

Tiny
BHAMDOC1
  • MEMBER
  • 2004 INFINITI G35
  • V6
  • 2WD
  • AUTOMATIC
  • 114,000 MILES
Doesn't roll down. When I click the master button switch I hear a click on the passenger side, same if I click from the passenger side. Click, click.
Tuesday, February 22nd, 2022 AT 3:50 PM

1 Reply

Tiny
KASEKENNY
  • MECHANIC
  • 18,907 POSTS
We need to start by checking the voltage coming out of the switch.

I suspect this is a master switch issue, but we need to start with checking to see if there is voltage coming out of the switch going to the motor. Here is a guide that will help with this:

https://youtu.be/HBFBcJrdym4

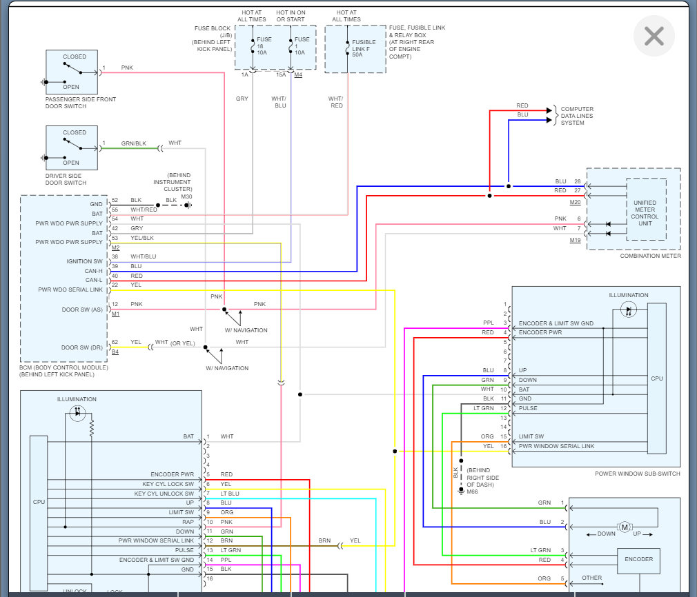
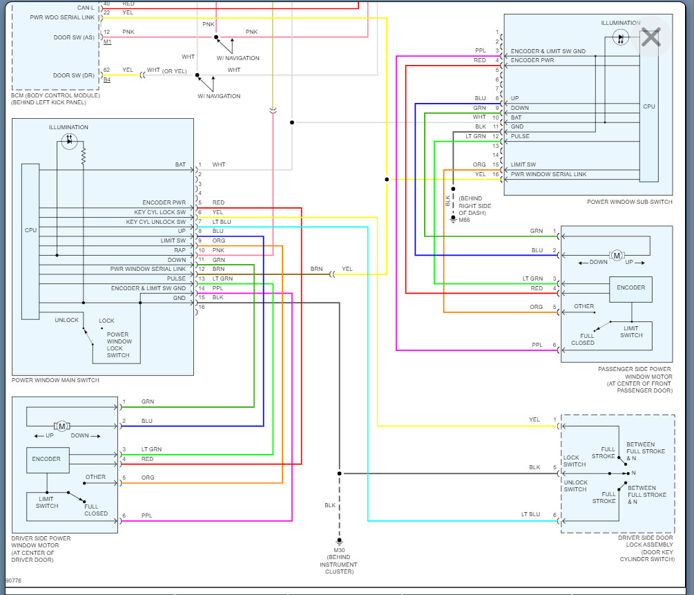
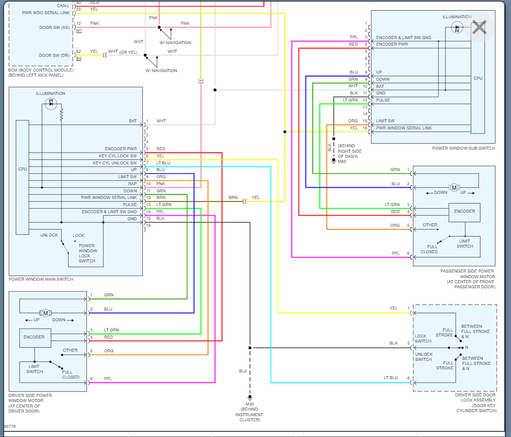
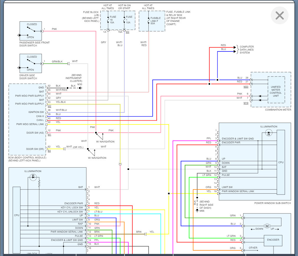
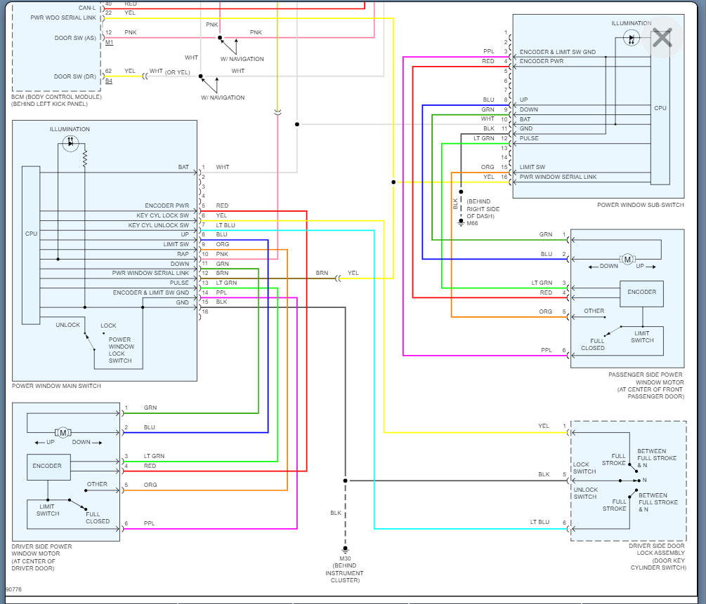
I am attaching the wiring diagram below but if you have power coming out of the switch then we are going to have to check the wiring. However, I doubt that will be the case as I suspect the master window switch is causing this issue.

So, let's see what this testing turns up and we will have the proof we need.

Let me know what questions you have.

Thanks
Was this
answer
helpful?
Yes
No
Wednesday, February 23rd, 2022 AT 6:55 PM

Please login or register to post a reply.