Passenger side low beam headlight does not work?

Tiny
DROUD
  • MEMBER
  • 1998 OLDSMOBILE CUTLASS
  • 330,000 MILES
On the front passenger side of my car, my signal works and my high beam works, but my low beam doesn't. What could be the cause? Is this something I can fix?
Sunday, January 1st, 2023 AT 2:05 PM

1 Reply

Tiny
JACOBANDNICKOLAS
  • MECHANIC
  • 110,194 POSTS
Hi,

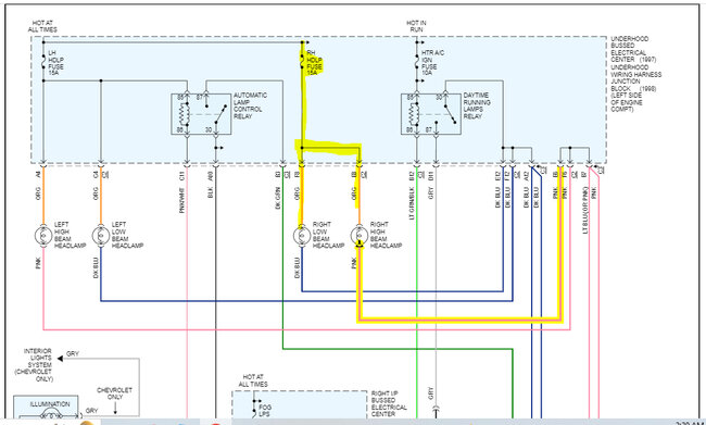
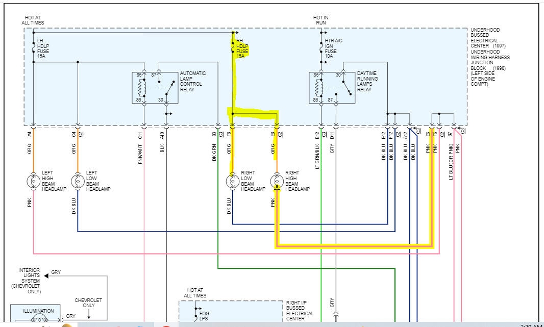
I checked the wiring schematic and found that both the high and low beam on the right side is powered from the same fuse and grounded at the same point. (See pic 1)

So, if you want, you can disconnect the electrical connector on the rear of the low-beam bulb and confirm there is power to the orange wire.

Or have you checked the bulb itself? It may be burned out. If you haven't, I attached directions for replacing it below. Take a look through the directions and let me know if you have questions.

Take care,

Joe

See pics below.
Was this
answer
helpful?
Yes
No
Sunday, January 1st, 2023 AT 11:29 PM

Please login or register to post a reply.