Passenger seat

Tiny
DAVE SMITH2
  • MEMBER
  • 2003 JAGUAR X-TYPE
  • 2.0L
  • 2WD
  • MANUAL
  • 75,000 MILES
How do you raise passenger seat? Thank you.
Monday, July 17th, 2017 AT 2:14 AM

11 Replies

Tiny
MHPAUTOS
  • MECHANIC
  • 31,937 POSTS
Does the electric seat operate in any direction at all?
Was this
answer
helpful?
Yes
No
Monday, July 17th, 2017 AT 4:42 AM
Tiny
DAVE SMITH2
  • MEMBER
  • 7 POSTS
The backrest works from electric fine, if you pull lever under seat you can move it forward or back, but cannot find anything to raise seat at all. Everything else works fine.
Was this
answer
helpful?
Yes
No
Monday, July 17th, 2017 AT 5:53 AM
Tiny
KEN L
  • MASTER CERTIFIED MECHANIC
  • 55,428 POSTS
Can you find a switch that raises the seat? If not there might not be an adjustment.

Best, Ken
Was this
answer
helpful?
Yes
No
-1
Monday, July 17th, 2017 AT 6:44 PM
Tiny
DAVE SMITH2
  • MEMBER
  • 7 POSTS
There must be a way of raising it? It is more or less on the floor. Anyone got the same problem and can help? It is driving me mad.
Was this
answer
helpful?
Yes
No
Tuesday, July 18th, 2017 AT 1:46 AM
Tiny
KEN L
  • MASTER CERTIFIED MECHANIC
  • 55,428 POSTS
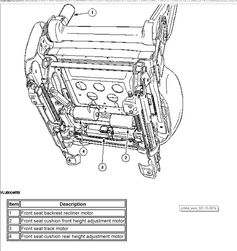
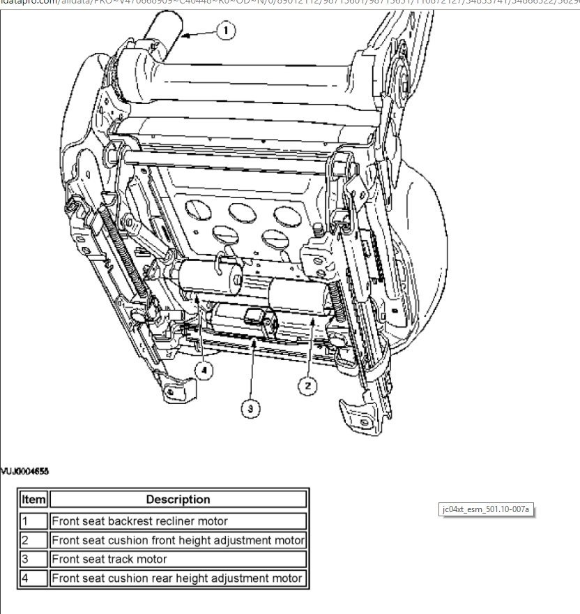
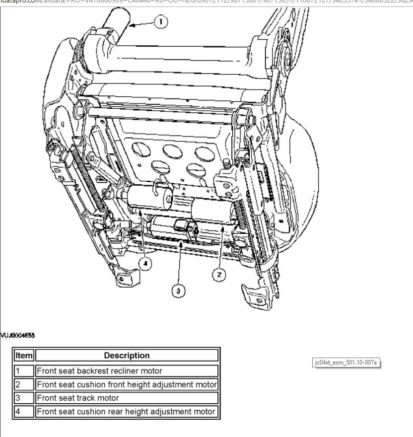
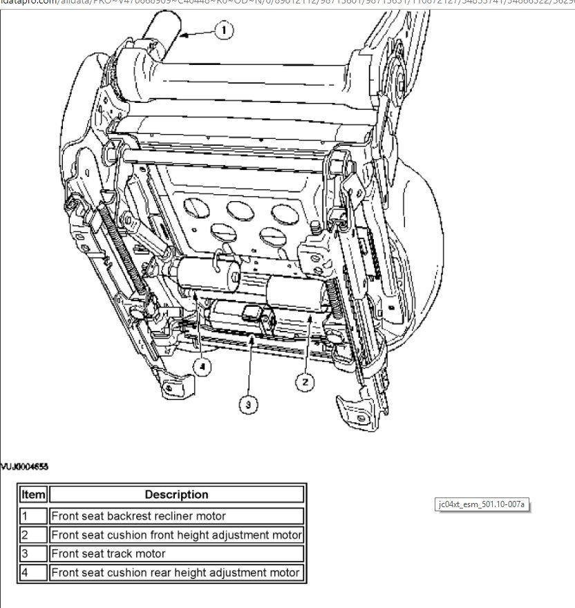
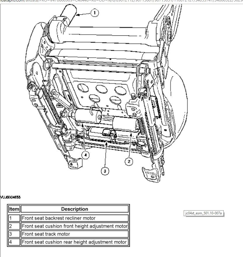
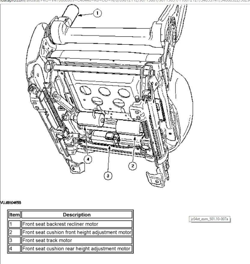
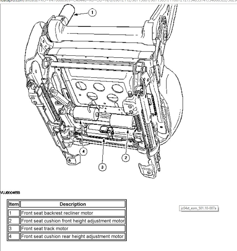
It shows a seat height adjustment motor so it must be able to move.

Here is a guide and some diagrams so you can test if the switch is putting power to the motor.

https://www.2carpros.com/articles/how-to-use-a-test-light-circuit-tester

Please let us know what you find.

Cheers, Ken
Was this
answer
helpful?
Yes
No
-1
Tuesday, July 18th, 2017 AT 9:52 AM
Tiny
DAVE SMITH2
  • MEMBER
  • 7 POSTS
Thanks Ken, but have not got a clue with what it is saying so thanks. I will try else where see if they know anything. Thanks again
Was this
answer
helpful?
Yes
No
Tuesday, July 18th, 2017 AT 10:59 AM
Tiny
KEN L
  • MASTER CERTIFIED MECHANIC
  • 55,428 POSTS
It is saying there is a motor that runs the seat height. Does the switch move upward?
Was this
answer
helpful?
Yes
No
Tuesday, July 18th, 2017 AT 3:23 PM
Tiny
DAVE SMITH2
  • MEMBER
  • 7 POSTS
Only switch on there is to move backrest forward or back, nothing for the bottom of the seat only leaver to pull seat forward or back
Was this
answer
helpful?
Yes
No
Wednesday, July 19th, 2017 AT 12:12 AM
Tiny
DAVE SMITH2
  • MEMBER
  • 7 POSTS
Where exactly is the switch to higher seat
Was this
answer
helpful?
Yes
No
Wednesday, July 19th, 2017 AT 12:13 AM
Tiny
DAVE SMITH2
  • MEMBER
  • 7 POSTS
Been in touch with jag dealer, they said seat can't be raised so thank you for your help, have to put a cushon on it lol thanks again ken
Was this
answer
helpful?
Yes
No
Wednesday, July 19th, 2017 AT 8:00 AM
Tiny
KEN L
  • MASTER CERTIFIED MECHANIC
  • 55,428 POSTS
Please use 2CarPros anytime, we are here to help. Tell a friend please.

Cheers, Ken
Was this
answer
helpful?
Yes
No
Wednesday, July 19th, 2017 AT 10:58 AM

Please login or register to post a reply.