Cannot get passenger window to raise and lower

Tiny
RONSR
  • MEMBER
  • 1989 FORD BRONCO
  • 5.3L
  • V8
  • 4WD
  • AUTOMATIC
  • 112,000 MILES
Replaced window motor and switch. Can operate window motor with battery to raise and lower. Replaced window switch and no power. Checked window relays and both driver and passenger are good. Checked fuses under dash, all good. Drivers side can lock and unlock passenger side. Not sure if there are any window fuses under hood or not. Rear window and driver's window work great. This is all the info I have, not sure what else to do. Can you help?
Friday, January 10th, 2020 AT 6:33 PM

3 Replies

Tiny
JACOBANDNICKOLAS
  • MECHANIC
  • 110,194 POSTS
Hi,

Okay, did you replace the master switch on the driver's side or only the passenger side?

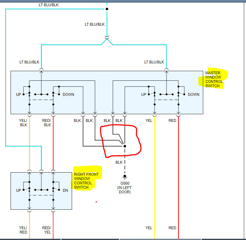
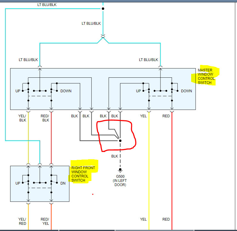
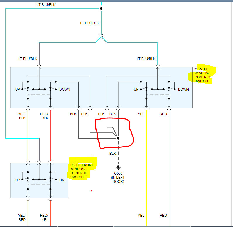
If you look at the attached pic, note that the light blue/black tracer wire is the constant power supply when the key is on. What actuates both switches to move the window is ground and of course, which wire the power flows through to change polarity to the motor.

If neither switch works, the first thing to do is confirm there is power the light blue / black tracer wire at both switches, which I bet there is. Next, check if there is continuity to ground via the black wires relevant to the master window switch / driver's door. Note there are 4 wires which ground to the same place. Two are for the left window (ground one for up and one for down) and the same for the right window. Interestingly, both the main switch in the driver's door as well as the passenger side door ground through the same points. (See pic 2)

So, if there is power at the light blue / black wire, I suspect the problem is ground. Check that point and make a a new ground if necessary.

Let me know if that helps. Also, if you need help understanding what I said (I tried) LOL, let me know. What makes this confusing is the idea that power is always at the switches. What determines what a window motor does is based on the ground wire that is selected.

Joe
Was this
answer
helpful?
Yes
No
+1
Friday, January 10th, 2020 AT 7:16 PM
Tiny
RONSR
  • MEMBER
  • 2 POSTS
I agree, I worked on it today, and found with switches installed, running a ground from battery and touching ground on switch for up and same for down the window goes up and down. So I need to figure out where the ground is bad.
Was this
answer
helpful?
Yes
No
Saturday, January 11th, 2020 AT 5:53 PM
Tiny
JACOBANDNICKOLAS
  • MECHANIC
  • 110,194 POSTS
Yep, that's the problem. According to my schematic, all grounds are in the left door. What I would do is simply make a new ground for all the ground wires. If you have a change, once you have the door panel open, take a pic of the ground wires in the door and upload them for me to see. I may have an idea for repairing it.

Take care and let me know how things work out for you.

Joe
Was this
answer
helpful?
Yes
No
Saturday, January 11th, 2020 AT 8:21 PM

Please login or register to post a reply.