Part name

Tiny
SHANETAYLOR337
  • MEMBER
  • 2002 CHEVROLET TAHOE
  • 5.8L
  • V8
  • 2WD
  • AUTOMATIC
  • 250,000 MILES
Have oil leaking from a part right above starter, some kind of sensor possibly. Does anyone know the name of this part?
Tuesday, June 23rd, 2020 AT 10:55 AM

3 Replies

Tiny
ASEMASTER6371
  • MECHANIC
  • 52,796 POSTS
Good afternoon,

Can you upload a picture of the leak?

The only sensor above the starter is the crankshaft position sensor.

https://www.2carpros.com/articles/how-a-crank-shaft-angle-sensor-works

https://www.2carpros.com/articles/crankshaft-angle-sensor-replacement

That should not leak oil but it does go into the block.

Roy

REMOVAL PROCEDURE

IMPORTANT: Perform the CKP System Variation Learn Procedure when the crankshaft position sensor is removed or replaced.

CAUTION: Refer to Battery Disconnect Caution in Service Precautions.

imageOpen In New TabZoom/Print

1. Disconnect the negative battery cable.
2. Raise the vehicle. Refer to Lifting and Jacking the Vehicle.
3. Remove the starter.

imageOpen In New TabZoom/Print

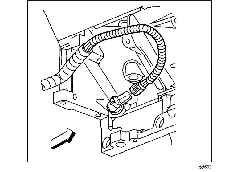
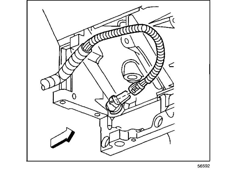
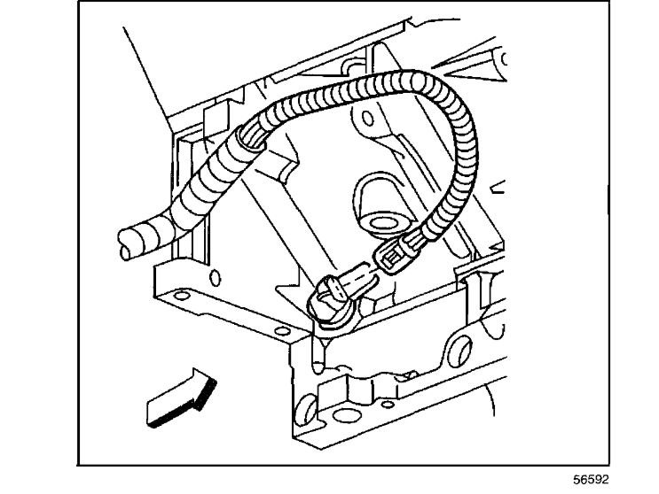
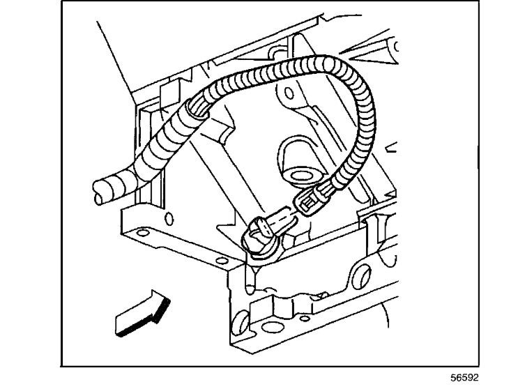
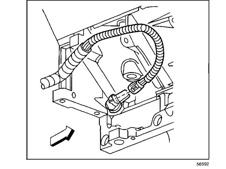
4. Disconnect the crankshaft position (CKP) sensor electrical connector.

imageOpen In New TabZoom/Print

5. Clean the area around the CKP sensor before removal in order to avoid debris from entering the engine.
6. Remove the CKP sensor retaining bolt.
7. Remove the CKP sensor.
Was this
answer
helpful?
Yes
No
Tuesday, June 23rd, 2020 AT 12:41 PM
Tiny
SHANETAYLOR337
  • MEMBER
  • 14 POSTS
Thanks for the very informative response. I can't get under the vehicle anymore as I am handicapped but I do remember oil leaking in this area. Maybe it came from my rear seal or head gaskets. I will have to get someone to check it out more thoroughly. If it's not something that leaks I may have misjudged where it was coming from.I appreciate your time and thanks 2CarPros!
Was this
answer
helpful?
Yes
No
Wednesday, June 24th, 2020 AT 2:08 PM
Tiny
ASEMASTER6371
  • MECHANIC
  • 52,796 POSTS
You are welcome.

Always glad to help.

Roy
Was this
answer
helpful?
Yes
No
+1
Wednesday, June 24th, 2020 AT 2:48 PM

Please login or register to post a reply.