Parking lights will not turn off after installing a new battery

Tiny
CHARLIEGRIMM123
  • MEMBER
  • 2000 GMC YUKON
  • V8
  • 4WD
  • AUTOMATIC
  • 275,312 MILES
My parking lights will not turn off no matter what I do, no research online has helped, it all started after I changed the battery in my vehicle listed above XL, I have never had this problem before, and any help would be appreciated.
Tuesday, May 10th, 2022 AT 12:06 AM

1 Reply

Tiny
STEVE W.
  • MECHANIC
  • 15,625 POSTS
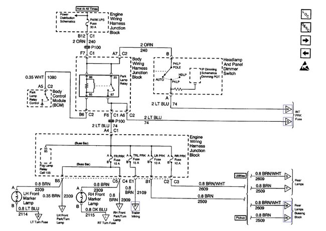
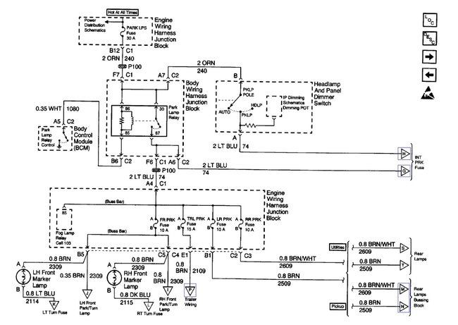
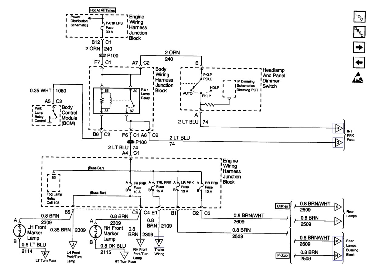
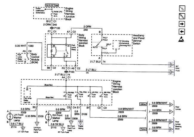
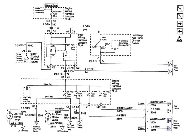
Most likely it's an issue with the automatic lighting but to test that go to the fuse box on the end of the dash, remove the parking light relay. Now see if you can turn them on and off with the headlight switch. If you can the issue is either that relay is stuck on or the auto lights system has an issue.
In automatic mode the lights are switched on and off through the relays by the body module through the sensor on top of the dash. When it "sees" darkness it activates the lights, the BCM then sends power to the relays and the lights come on. If you turn the headlight switch on, it then bypasses the park light relay and instead sends the power from the park lamp fuse through the switch to the interior park lamp fuse and through a return circuit back out to the parking lights.
If removing the relay turns off the lights, first listen to it when you remove it, do you hear it click when you gently push it against the contacts? If yes, the auto circuit has an issue, if not then try swapping it with the puddle lamp relay in the same box. Do the lights stay off with the other relay but still turn on and off with the switch? If yes, it's a bad relay.
Try that test and return with an answer, I'd rather not get into the automatic system as well as it gets a bit complex and confusing.
However, if pulling the relay turns the lights off, but using the switch works, you can drive it that way if you wish, it just means the parking lights are manual now.
Please let us know.
Was this
answer
helpful?
Yes
No
Tuesday, May 10th, 2022 AT 1:46 PM

Please login or register to post a reply.