Sunday, March 6th, 2022 AT 11:06 AM
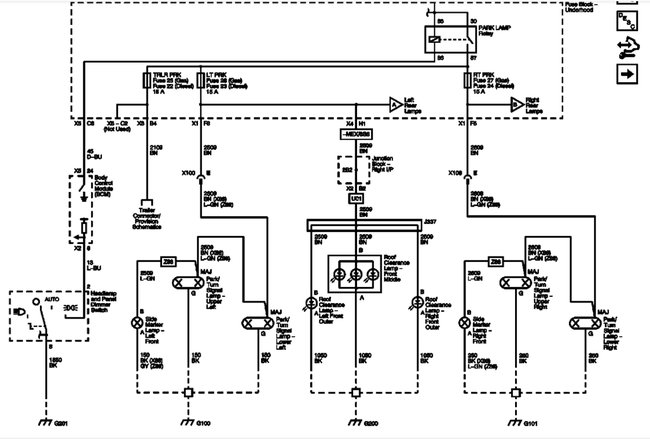
The parking lights are stuck on and no matter what relay or fuse I pull out associated with the parking lamps they won’t shut off. I have to disconnect the battery every stop.


