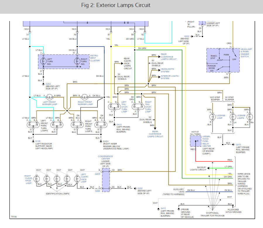
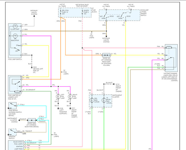
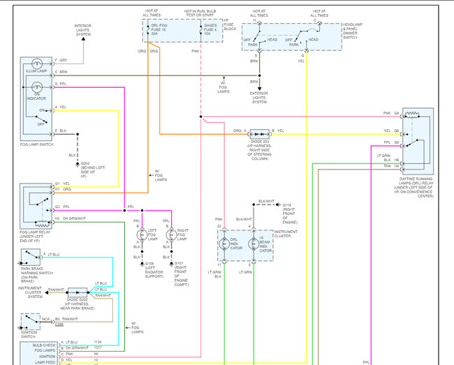
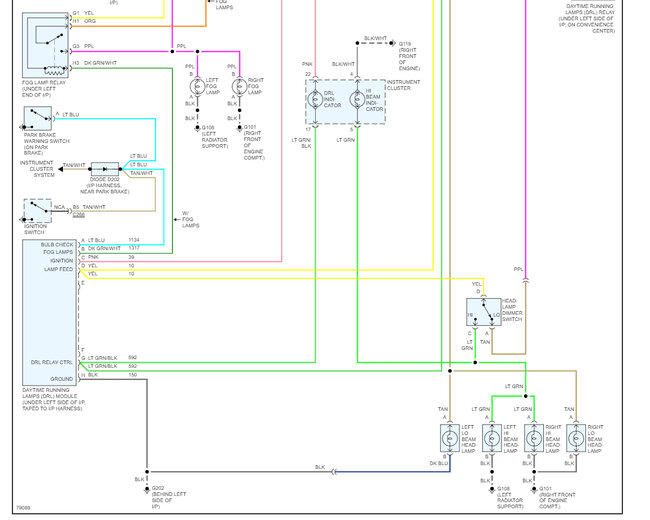
Thursday, February 9th, 2023 AT 7:42 PM
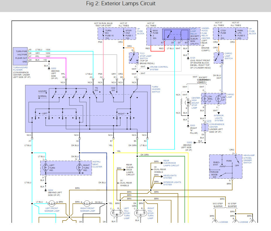
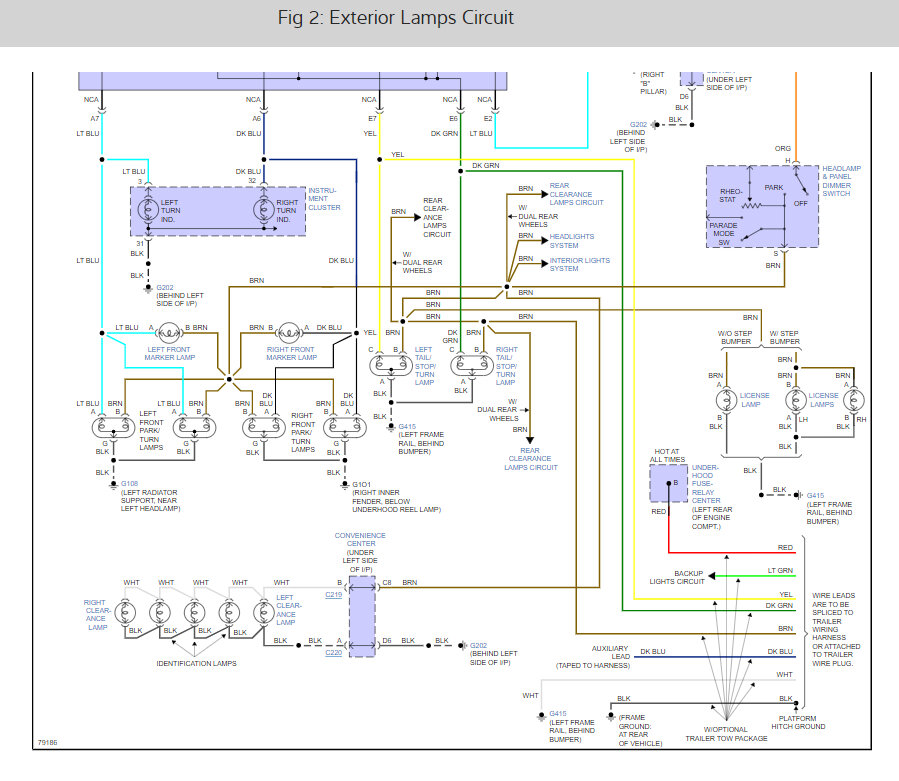
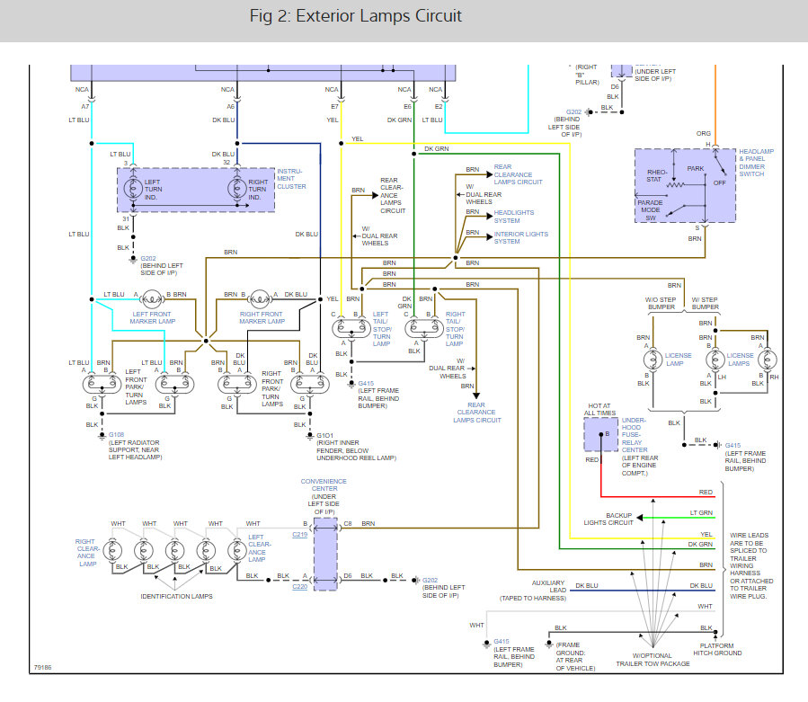
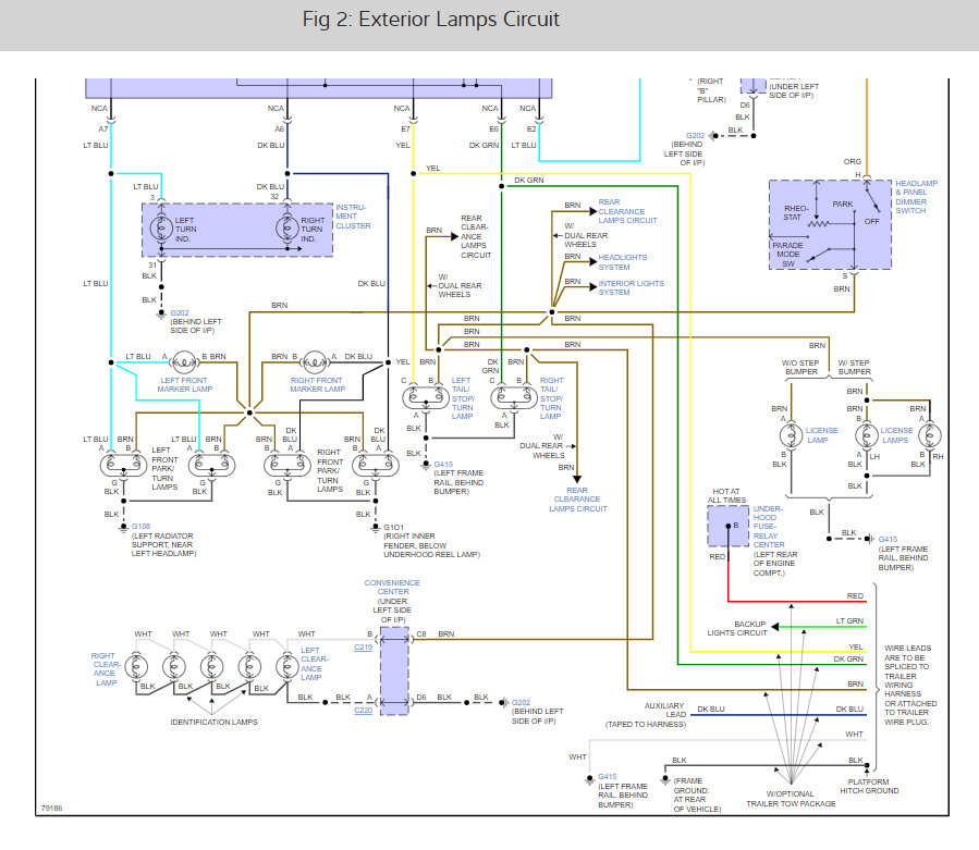
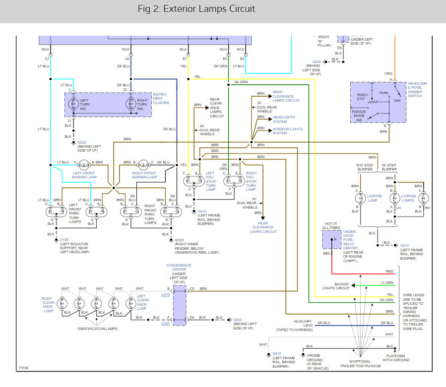
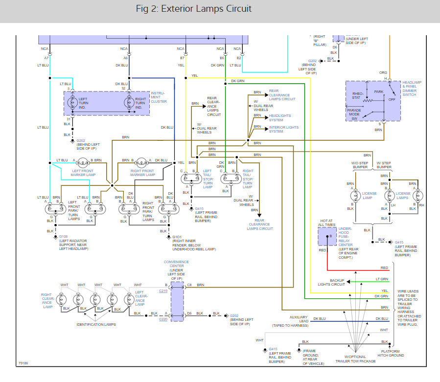
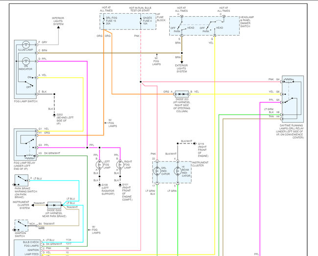
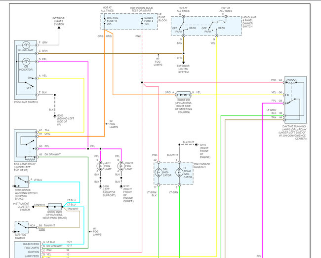
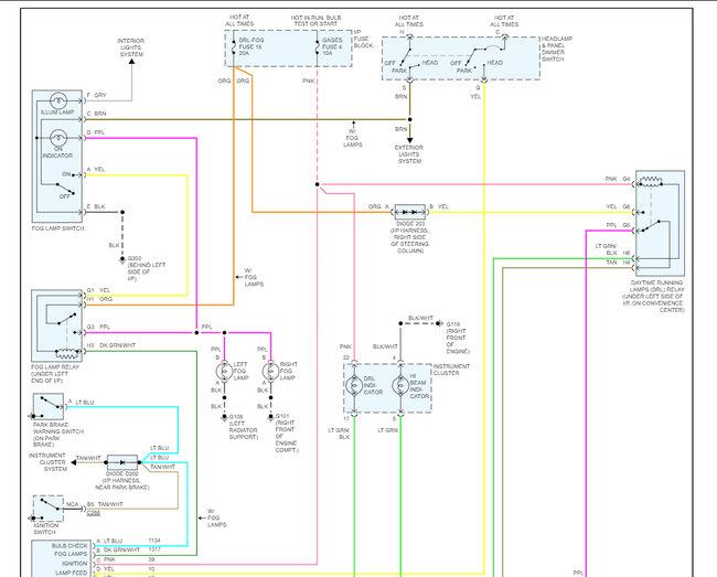
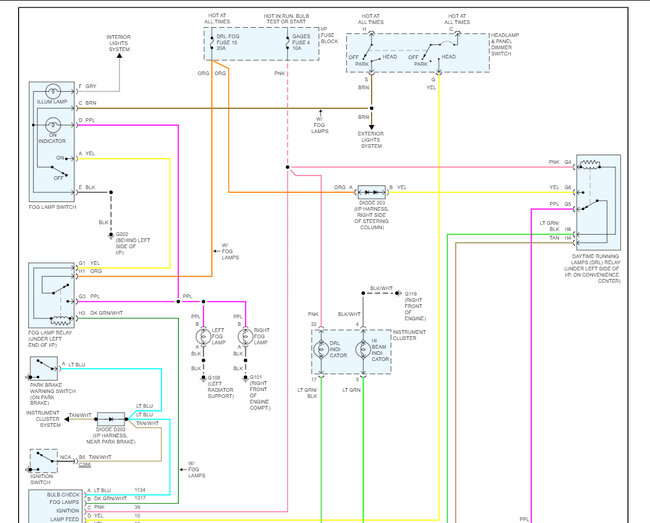
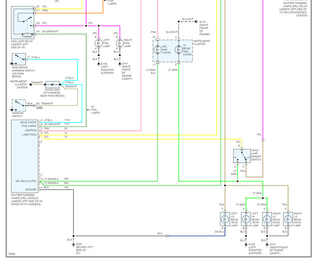
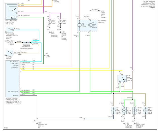
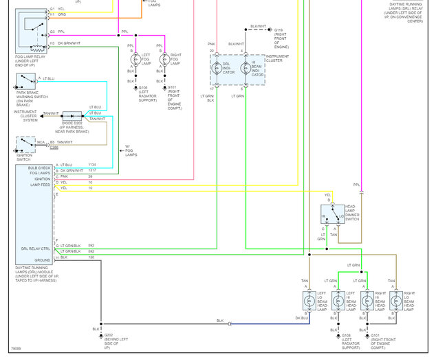
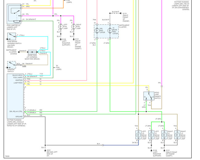
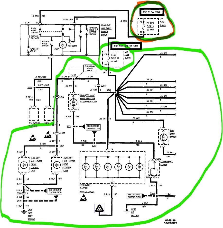
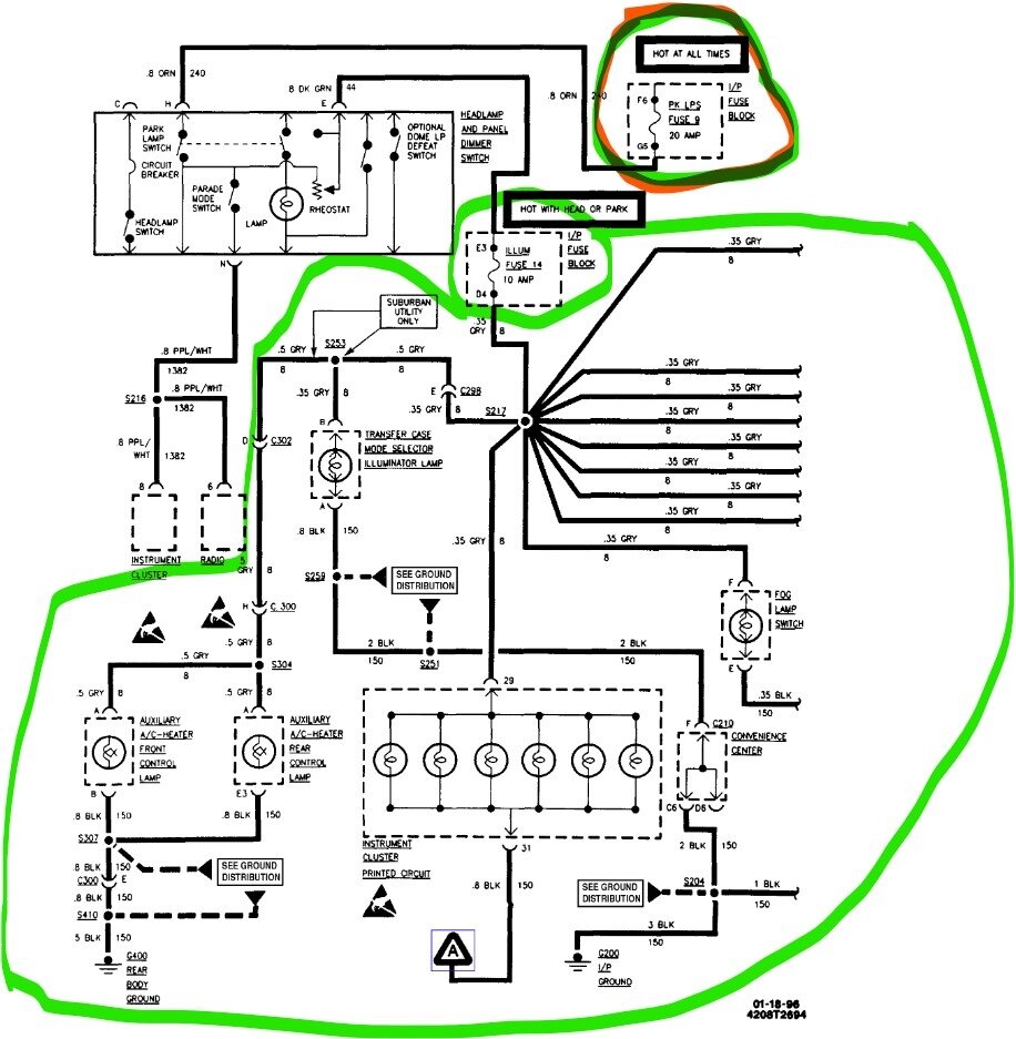
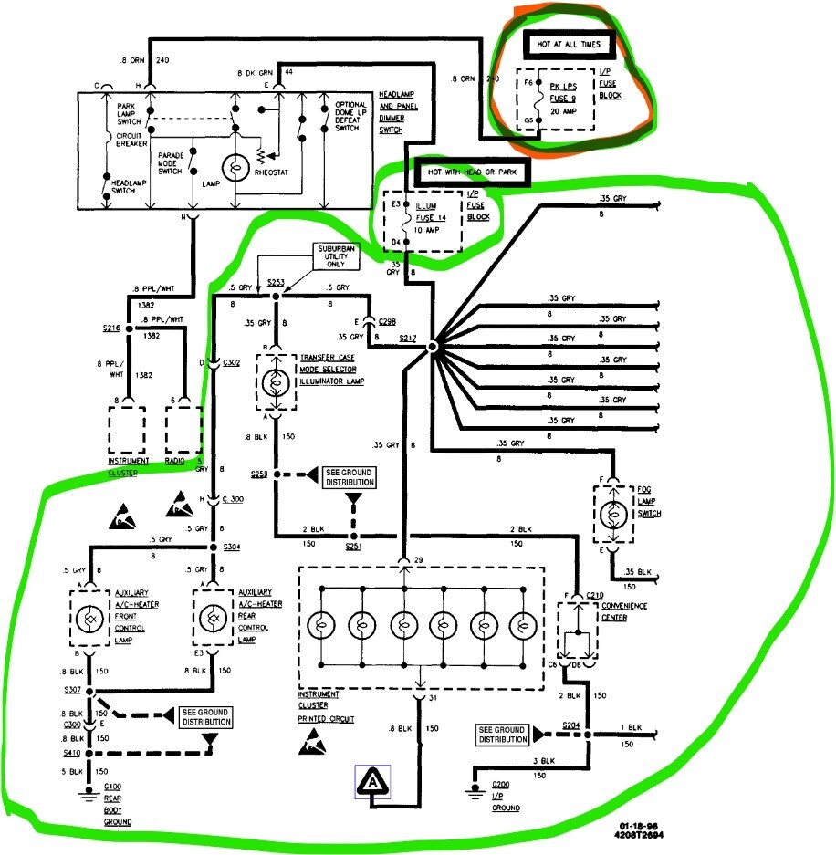
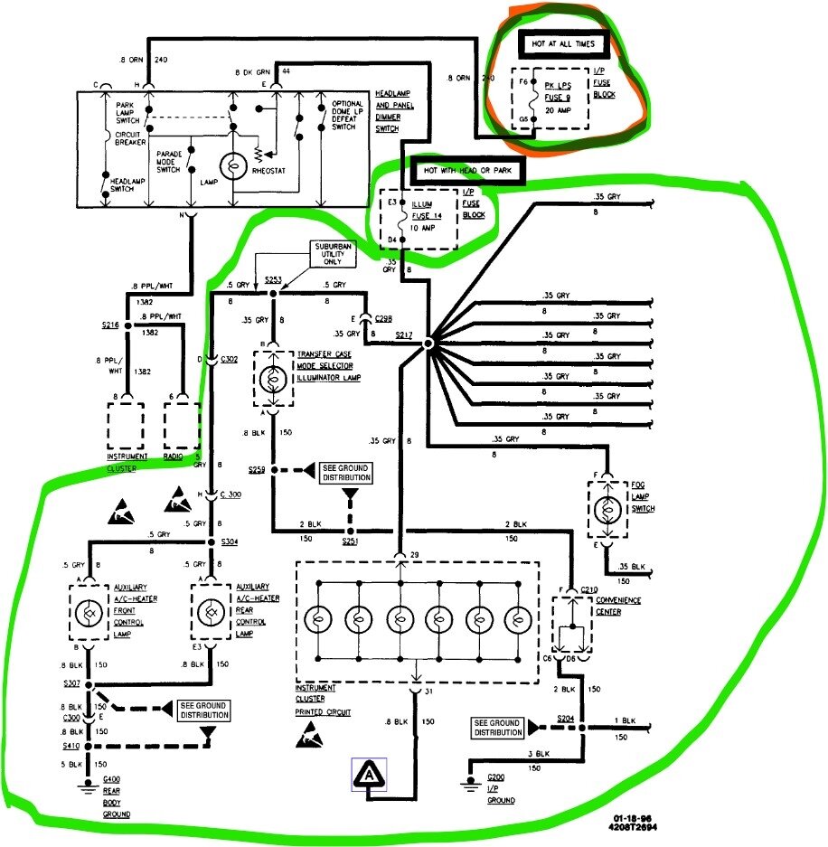
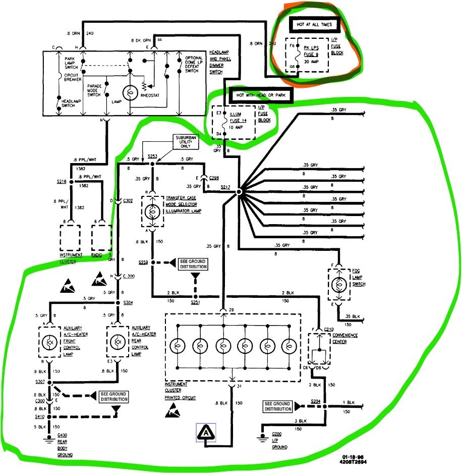
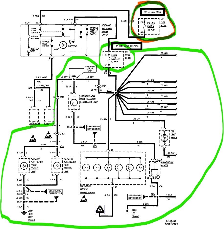
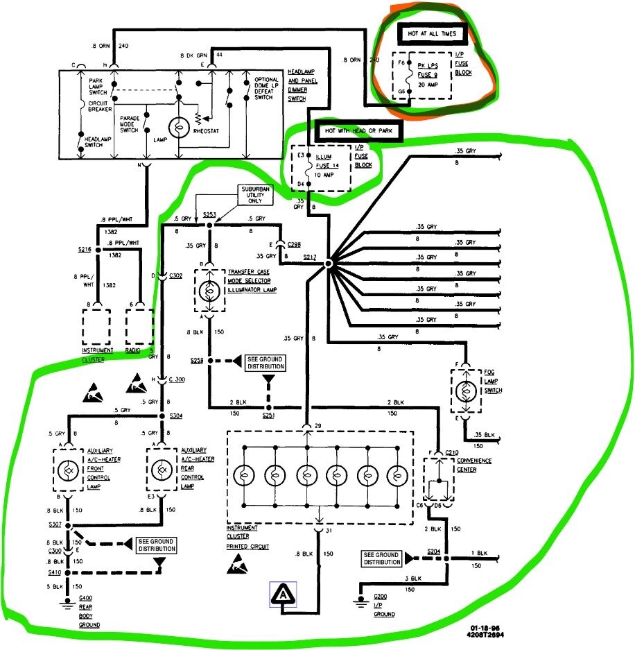
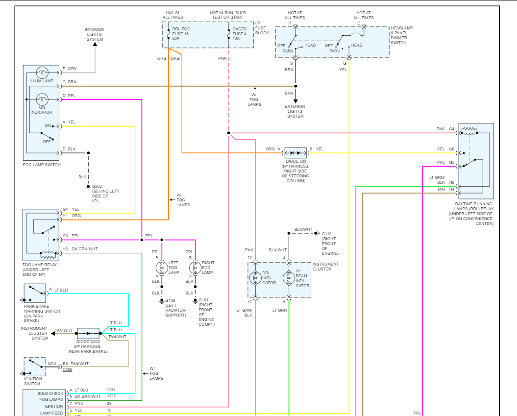
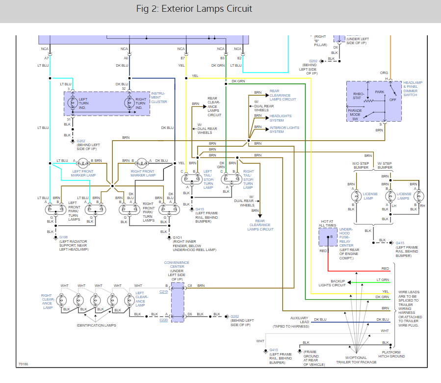
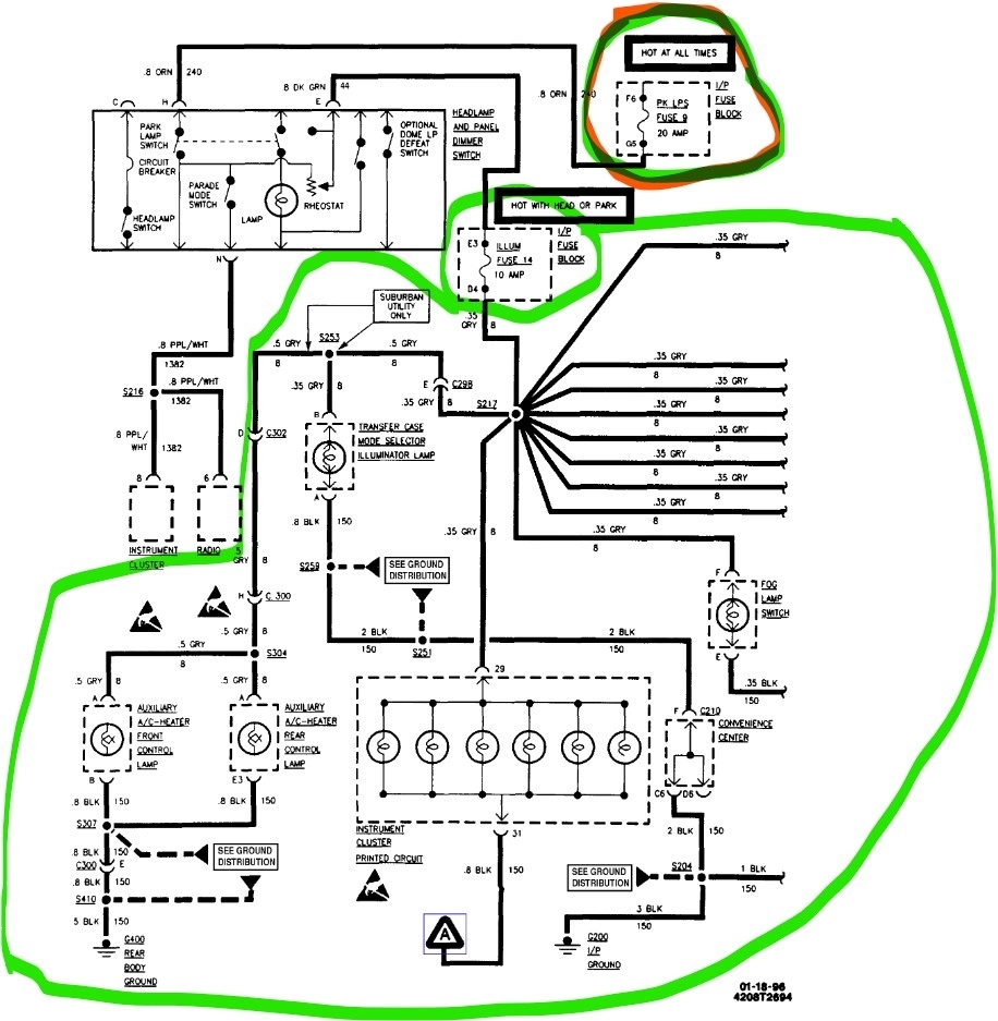
I bought the truck listed above used. When I turn it off and take the key out the parking lights and instrument cluster lights stay on. I have to disconnect the battery all the time. I replaced the light switch. They still stay on.














