Parking brake hardware

Tiny
JJLUCAS
  • MEMBER
  • 1987 NISSAN TRUCK
  • 3.3L
  • V6
  • 4WD
  • MANUAL
  • 98,000 MILES
Is there another 4x4 that Nissan makes that has interchangeable emergency brake hardware for my 1987 Nissan D21 Hardbody 4x4 pickup I'm missing four parts and they've been discontinued and I'm having a heck of a time trying to find them it's hard to find another truck for parts
Tuesday, March 21st, 2023 AT 2:29 PM

1 Reply

Tiny
BRENDON S
  • MECHANIC
  • 653 POSTS
Good morning, JJLUCAS,

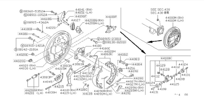
I found a couple resources for you. This place has the adjusters for both sides. It doesn't look like they have much else though. They do have catalog pictures and part numbers though.

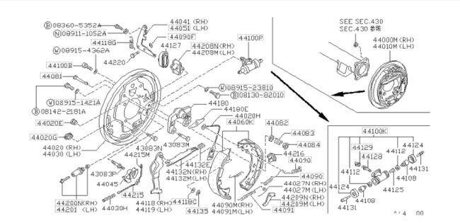
https://www.nissanpartsdeal.com/parts-list/1987-nissan-hardbody_pickup_d21/brake/rear_brake.html?diagram=441_E01

I would also google each part number and see if you can find the parts you need one by one.

I also found a guy on eBay parting out his D21. Here is the link to that. Maybe you can contact him and see what he has left.

https://www.ebay.com/itm/155001995793?hash=item2416d6c211:g:7TMAAOSwV1djdD11&amdata=enc%3AAQAHAAAAwAMEgU7I7x65PVe9mXiqo%2FxpqqOv00s4uQ%2B3%2BLDCa15X%2F7uEvNgw5Xg1Gid39TsQ22BktnnnQp9hdIwGfb05moChfFmAZhoSlFPF5GQ%2F%2FpXLRhE25SWDrWuiGSt9lFP7wYhUEaMqkaj0uJ3l%2BBgCOW377Q9ysFKRdK2m494v%2BG4P5o1zQNKSllq3%2FANhgB96%2B%2BVRdlyz9OOB%2FfpOuApEG%2FgJ63trU%2BmgayTENn9Wx9Gnhxbnye1zwitSHELZy2vMeg%3D%3D%7Ctkp%3ABk9SR_j1_-HhYQ

As far as what else would have these parts, the dealer can cross reference the part numbers for you and see what other vehicles they fit.

You can also put each part number into Nissan's Parts website and see what you can find on there.

Here is the link for their site:

https://parts.nissanusa.com/

Finally, this place sells JDM parts. You could try them and see what they can help with.
Here is the link for their site:

https://www.nengun.com/oem/nissan/

I will continue to look around for you and see what I can find but I would try these resources first and see what you can come up with.

I am also attaching a picture from the Nissan catalog for the rear brakes for your reference.

Thank you,
Brendon
Was this
answer
helpful?
Yes
No
Thursday, March 23rd, 2023 AT 4:52 AM

Please login or register to post a reply.