Friday, January 19th, 2024 AT 4:43 PM
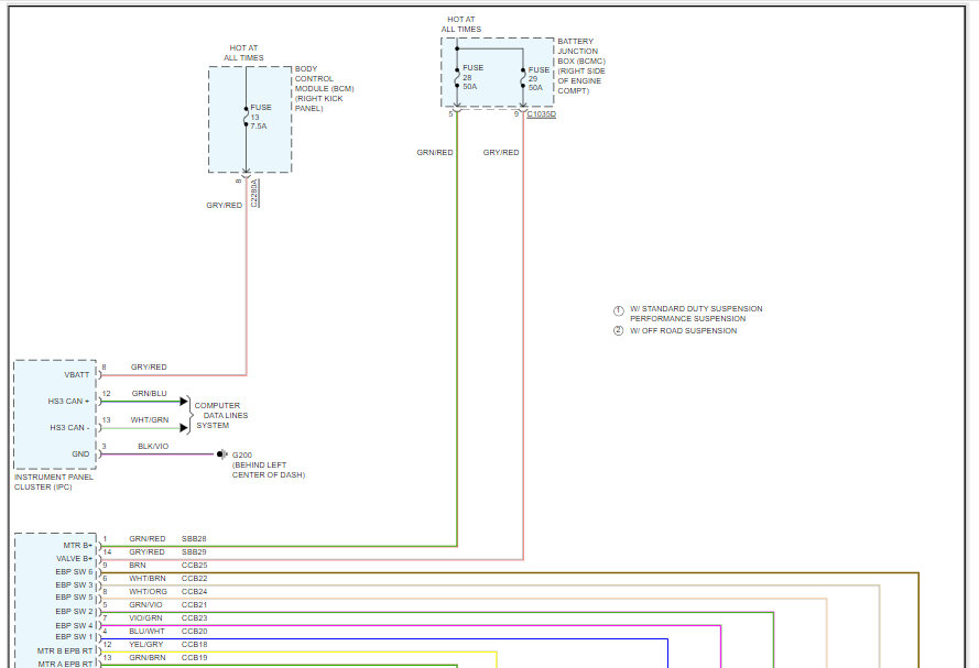
I have a false reading on my screen on my truck saying service parking brake, limited function. Any time I drive the vehicle it tells me to release parking brake even though it is not engaged the motor or actuator for the parking brake is shot on the rear passenger side. I am waiting for the part to come in. I am just looking for a way to stop it from constantly dinging at me and telling me this.




