Thursday, May 16th, 2013 AT 9:02 PM
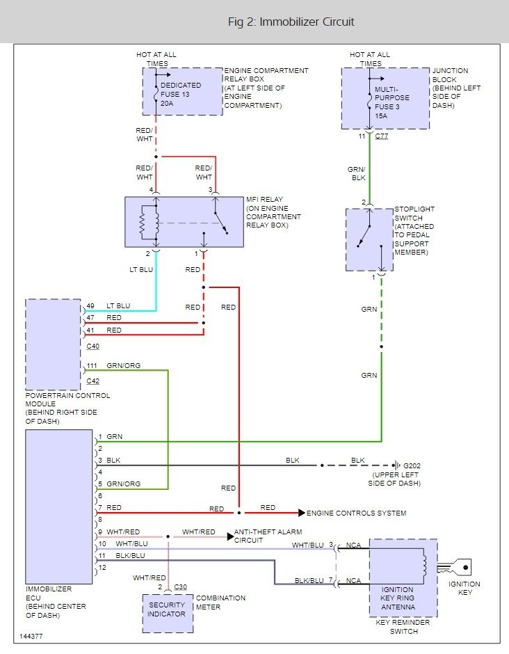
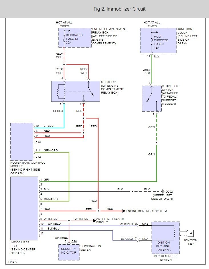
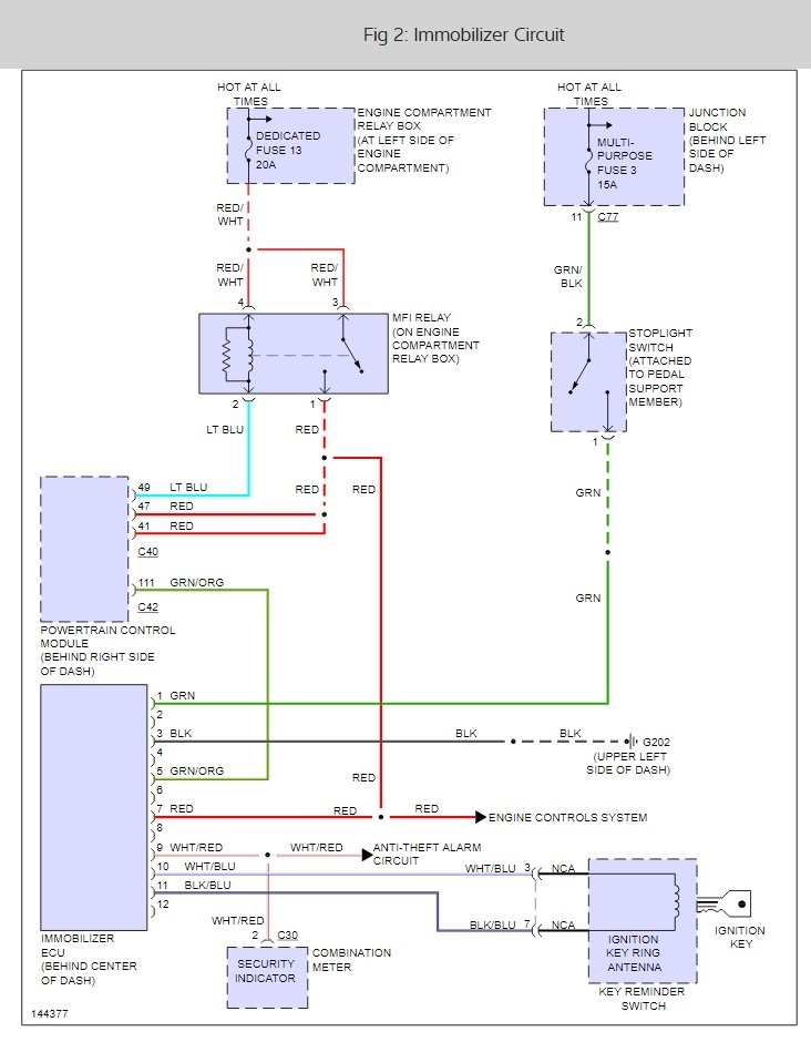
Car came in, died while driving. No voltage to most sensors and no communication with scanner. After changing pcm and reprogram from locksmith, have power to all sensors, good spark no fuel injector pulse and p1610 code keeps coming back. Every time you turn the key on. Also have no rpm signal from crank sensor. Have checked all wiring from pcm to inj. And crank sensor. Replaced cks and differt pcm, same problem any suggestions?





