Monday, February 10th, 2020 AT 12:56 AM
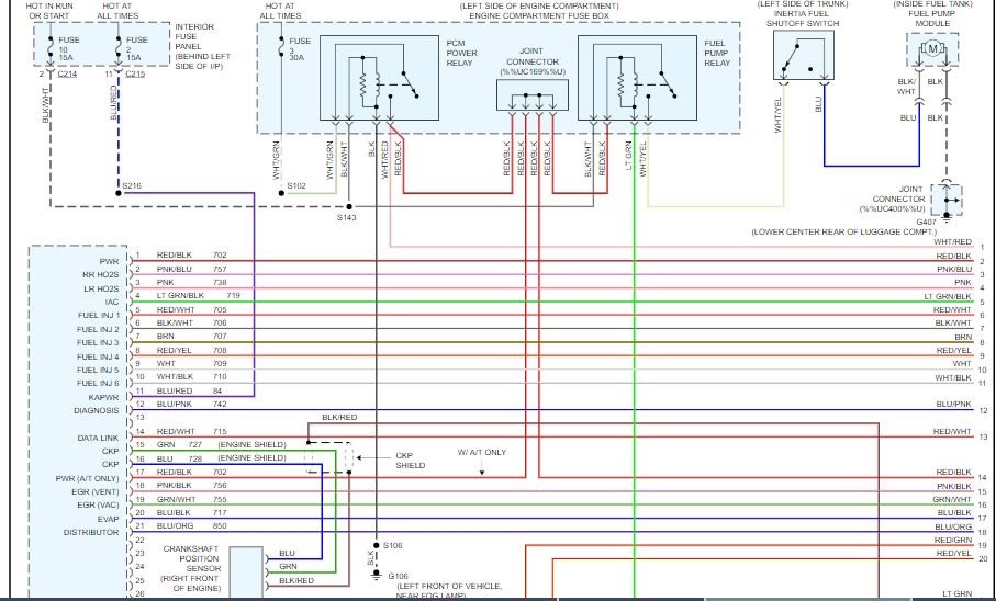
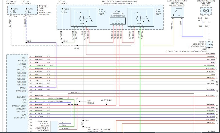
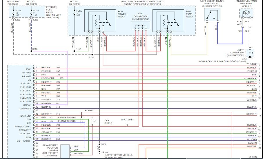
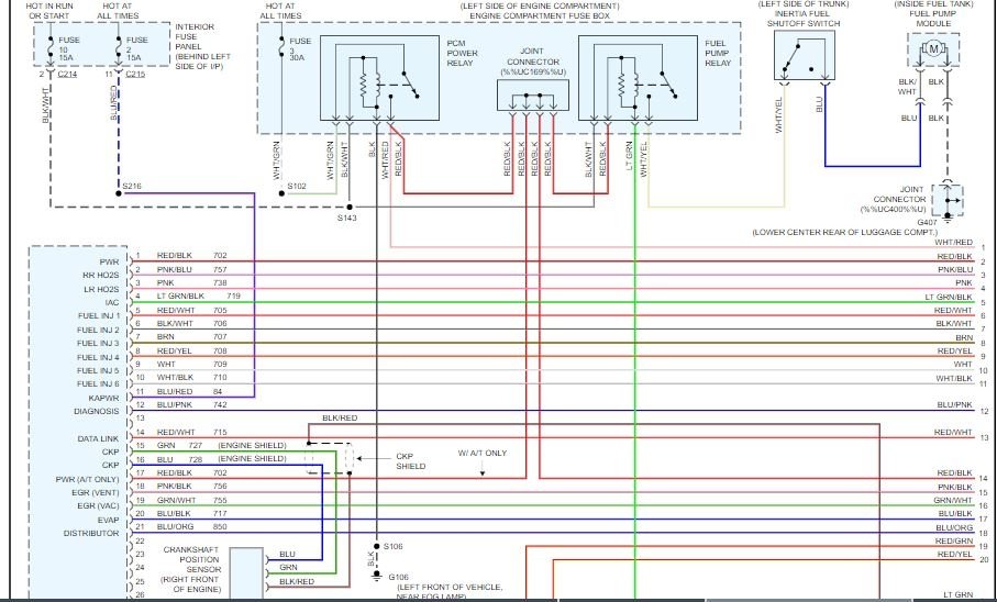
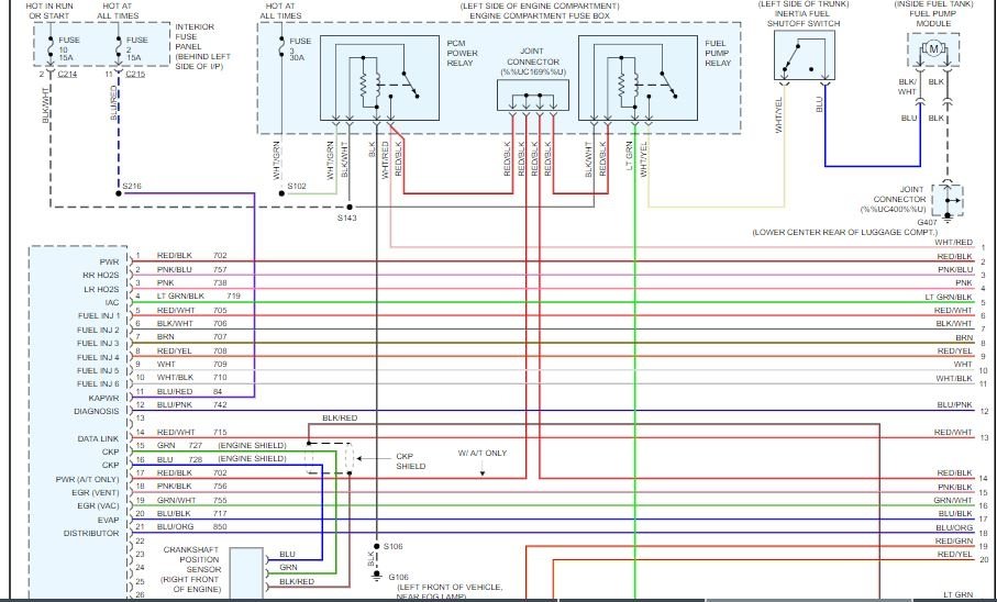
I just got the car listed above GT model. I have never seen it run. I have a crank but no spark issue. After checking many things out, like crank position sensor, new battery and plugs. I even redid my grounds under the air-box. I have a checked the crank and it turns over. I have checked the TDC in piston number one and the top timing marks are lined up. I still have a crank but no start engine. I smell fuel so that's not an issue. But I took a closer look at my PCM and I noticed a burnt ground trace on the board #17 on my PCM pin out. I had a good friend who is a technician put a new line in place of the burnt trace and he told me he checked all other parts in the area and they looked fine. Power control module for this is a klg2 and they are spent and a rare find. I have the error code p1345. Oh, I notice the tachometer doesn't move at all when trying to start the car. Any help would very appreciated and I thank you so much.












