Codes P0748 and P0960

Tiny
RATHORE
  • MEMBER
  • 2010 FORD EXPLORER
  • 4.0L
  • 6 CYL
  • 4WD
  • AUTOMATIC
  • 200,000 MILES
Getting code p0748 and p0960. Car jerks when putting gear in D and gears stick sometimes. Any help will be appreciated.
Monday, December 14th, 2020 AT 9:37 AM

9 Replies

Tiny
JACOBANDNICKOLAS
  • MECHANIC
  • 110,192 POSTS
Hi,

The code, 748, deals with transmission line pressure being too high. If you look at pic 1, it explains the code. Now, the 960 is likely the result of the 748. What needs to be done is the mechatronic in the transmission needs to be checked.

If you noticed the directions for diagnosing are in pic 1. If you find the mechatronic assembly does need to be replaced, it is located inside the transmission. See pic 2. I circled number 2 in the pic. That is the part I'm referring to.

Let me know if that is what you find.

_________________________

Take care,
Joe
Was this
answer
helpful?
Yes
No
+1
Monday, December 14th, 2020 AT 6:44 PM
Tiny
RATHORE
  • MEMBER
  • 12 POSTS
The vehicle listed above has a 5r55s transmission. I think there is no mechatronic assembly in this one.
Was this
answer
helpful?
Yes
No
Tuesday, December 15th, 2020 AT 7:13 AM
Tiny
JACOBANDNICKOLAS
  • MECHANIC
  • 110,192 POSTS
Hi,

The only transmission I'm showing for that code is the 6R80. Just to reconfirm, this is a 2010 4.0L 4wd or AWD, correct?

Joe
Was this
answer
helpful?
Yes
No
+2
Tuesday, December 15th, 2020 AT 5:56 PM
Tiny
RATHORE
  • MEMBER
  • 12 POSTS
My vehicle listed above is the XLT model, 4.0 V6 SOHC 4x4.
Was this
answer
helpful?
Yes
No
-3
Tuesday, December 15th, 2020 AT 8:23 PM
Tiny
JACOBANDNICKOLAS
  • MECHANIC
  • 110,192 POSTS
Hi,

This must be an early model. That transmission isn't listed under 2010. I went back a year and found it. If you look at pic 1, it shows where the issue is coming from. It is related to an inoperative solenoid.

Here are the diagnostics. The attached pics correlate with the directions.

__________________________

2009 Ford Truck Explorer 4WD V6-4.0L
Pinpoint Test D: Pressure Control Solenoids (PCA, PCB, PCC)
Vehicle Transmission and Drivetrain Automatic Transmission/Transaxle Testing and Inspection Pinpoint Tests 5R55S Pinpoint Test D: Pressure Control Solenoids (PCA, PCB, PCC)
PINPOINT TEST D: PRESSURE CONTROL SOLENOIDS (PCA, PCB, PCC)
Pinpoint Tests - OSC Equipped Vehicle

Pinpoint Tests

PINPOINT TEST D: PRESSURE CONTROL SOLENOIDS (PCA, PCB, PCC)

NOTE: Refer to Transmission Vehicle Harness illustration in Transmission Connector Layouts See: Automatic Transmission/Transaxle > Symptom Related Diagnostic Procedures > Transmission Connector Layouts - Connector Reference.

NOTE: Refer to the Transmission Internal Harness illustration in Transmission Connector Layouts See: Automatic Transmission/Transaxle > Symptom Related Diagnostic Procedures > Transmission Connector Layouts - Connector Reference.

NOTE: Read and record all DTCs. All DTCs must be repaired before entering output state control.

D1 ELECTRONIC DIAGNOSTICS

- Ignition OFF.
- Select PARK.
- Check to make sure the transmission harness C168 is fully seated, terminals are fully engaged in the connector and in good condition before proceeding.
- Install the Transmission Fluid Pressure Gauges into the Line and Pressure Control Solenoid C (PCC) tap.
- Connect the scan tool.
- Ignition ON.
- Access the transmission PIDs.
- Is the scan tool able to access the transmission PIDs?

Yes
GO to D2.

No
REPEAT procedure to access the transmission PIDs. If the scan tool did not access the transmission PIDs, REFER to Computers and Control Systems Information for diagnosis of PCM or scan tool.

D2 SOLENOID FUNCTIONAL TEST

- Monitor the Transmission Fluid Pressure Gauges.
- NOTE: Make sure that the solenoids not being tested are off or at zero.
- With the engine running, command the Pressure Control Solenoid A (PCA), Pressure Control Solenoid B (PCB) and PCC solenoids to change the pressure.
- For PCA and PCB: Does the pressure reading for PCA or PCB follow the commanded pressure (actual PCA and PCB pressures will be higher than the commanded pressure)? For PCC: Does the pressure reading match the commanded pressure?

Yes
REFER to Diagnosis By Symptom See: Automatic Transmission/Transaxle > Symptom Related Diagnostic Procedures > Diagnosis By Symptom for diagnosis of pressure concerns. TEST the system for normal operation.

No
GO to D3.

D3 CHECK FOR BATTERY VOLTAGE

- Ignition OFF.
- Disconnect: Transmission Vehicle Harness C168.
- Visually inspect the transmission harness C168 is fully seated, terminals are fully engaged in the connector and are in good condition before proceeding.
- Ignition ON.
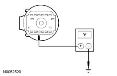
- Measure the voltage between C168-3, circuit CBB38 (GY/BU), harness side and ground.

Pic 2

- Is the voltage greater than 10 volts?

Yes
GO to D4.

No
REPAIR circuit CBB38 (GY/BU). CLEAR the DTCs. TEST the system for normal operation.

D4 CHECK CONTROL CIRCUITS FOR AN OPEN

- Ignition OFF.
- Disconnect: PCM C175T.
- Measure the resistance between PCM C175T and transmission vehicle harness C168, harness side using the following chart.

Pic 3

pic 4

- Is resistance less than 5 ohms?

Yes
GO to D5.

No
CHECK the transmission vehicle harness circuit which has high resistance for an open. CLEAR the DTCs. TEST the system for normal operation.

D5 CHECK CONTROL CIRCUITS FOR A SHORT TO GROUND

- Measure the resistance between the transmission vehicle harness C168 and ground using the following chart.

Pic 5

pic 6

- Is the resistance greater than 10,000 ohms?

Yes
GO to D6.

No
REPAIR the vehicle transmission harness circuit shorted to ground. CLEAR the DTCs. TEST the system for normal operation.

D6 CHECK SOLENOID RESISTANCE

- Measure the resistance between the transmission internal harness C168, component side power and C169, component side control using the following chart.

Pic 7

- Is the resistance within 3.3 ohms and 7.5 ohms?

Yes
GO to D7.

No
REPLACE the transmission internal harness if an open. If no open is found, REPLACE the appropriate solenoid. CLEAR the DTCs. TEST the system for normal operation.

D7 CHECK TRANSMISSION INTERNAL HARNESS/SOLENOID FOR SHORT TO GROUND

- Measure the resistance between the transmission vehicle harness C168, component side and ground using the following chart.

Pic 8

pic 9

- Is the resistance greater than 10,000 ohms?

Yes
REPLACE the PCM. TEST the system for normal operation.

No
REPLACE the transmission internal harness for a short to ground. If no short to ground is found, REPLACE the appropriate solenoid. CLEAR the DTCs. TEST the system for normal operation.

Let me know if this helps.

Take care,
Joe
Was this
answer
helpful?
Yes
No
Wednesday, December 16th, 2020 AT 2:17 PM
Tiny
RATHORE
  • MEMBER
  • 12 POSTS
Previously my truck was facing some other issues. Below is the link for that. Ended up repairing PCM. the moment i connected the repaired PCM, old codes didn't come but these codes arrived. Before this repair transmission shift was smooth. To double check, i returned the PCM and asked them to check for these issues. PCM is fine.
If this issue was not there before the repair that means mechanically wise everything is fine. I'm doubting on wiring harness.
https://www.2carpros.com/questions/ford-explorer-pcm-issue#last
Was this
answer
helpful?
Yes
No
Thursday, December 17th, 2020 AT 12:20 AM
Tiny
JACOBANDNICKOLAS
  • MECHANIC
  • 110,192 POSTS
Was the new PCM programmed for your vehicle? If it just started when it was replaced, it sounds like it could be related to a programming issue.

Let me know.

Joe
Was this
answer
helpful?
Yes
No
Thursday, December 17th, 2020 AT 8:09 PM
Tiny
RATHORE
  • MEMBER
  • 12 POSTS
That was not new PCM. I got it repaired. I think there was grounding issue previously.
Was this
answer
helpful?
Yes
No
Friday, December 18th, 2020 AT 12:46 AM
Tiny
JACOBANDNICKOLAS
  • MECHANIC
  • 110,192 POSTS
I have to be honest. I feel the PCM needs to be reprogrammed. It is a programable module. If the problem just started since the PCM was repaired, that is the only thing that is making sense to me. If possible, can you contact the people that repaired it and ask if it was programmed with the most updated information?

Let me know.

Joe
Was this
answer
helpful?
Yes
No
Friday, December 18th, 2020 AT 11:21 PM

Please login or register to post a reply.