Code P0732, second gear incorrect ratio, where is the transmission module located?

Tiny
ANDRIN ATEM
  • MEMBER
  • 2014 HYUNDAI SANTA FE
  • 2.4L
  • 4 CYL
  • 2WD
  • AUTOMATIC
  • 149,130 MILES
Please can you kindly provide me with the exact location of the transmission module and the wiring for a diagram containing ground signal.

Any information that can be helpful to solve this problem. Hi Ken, please I noticed I would just need the diagram and signals of this solenoid valve connector.

5XYZT3LB6EG145851
Sunday, December 29th, 2024 AT 1:48 PM

22 Replies

Tiny
KEN L
  • MASTER CERTIFIED MECHANIC
  • 55,297 POSTS
Hi Andrin,

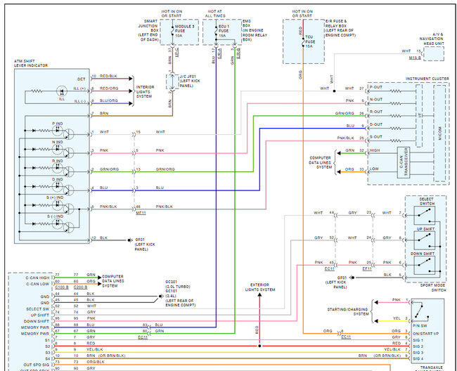
Here is the location for the transmission control module and the wiring diagrams for it, but I can tell you I have seen a weak input shaft sensor cause this problem as well. Here is the location for the sensor as well. Clear the codes once the sensor or TCM is replaced. Check out the images (below). Please let us know what happens.
Was this
answer
helpful?
Yes
No
+1
Monday, December 30th, 2024 AT 10:50 AM
Tiny
ANDRIN ATEM
  • MEMBER
  • 420 POSTS
Thank you, Ken, I have read the updates and the diagrams. May I have measurements for testing the out speed sensor and input sensors? Also, if possible, to have the pinout of for the solenoid valve connector Pinout signals?
Was this
answer
helpful?
Yes
No
Monday, December 30th, 2024 AT 6:47 PM
Tiny
KEN L
  • MASTER CERTIFIED MECHANIC
  • 55,297 POSTS
This is what they say:

For most Hyundai models, the resistance of both sensors should be within the range of 500 to 1,000 ohms.

This sounds too high to me btw. Which solenoid valve are you talking about?
Was this
answer
helpful?
Yes
No
Tuesday, December 31st, 2024 AT 11:33 AM
Tiny
ANDRIN ATEM
  • MEMBER
  • 420 POSTS
Transmission Output speed sensor and the input speed sensor, which is behind the valve body inside the gearbox.
Was this
answer
helpful?
Yes
No
Tuesday, December 31st, 2024 AT 12:36 PM
Tiny
ANDRIN ATEM
  • MEMBER
  • 420 POSTS
Also if I can get the pin out for the fuse box connector, and the power and ground for the TCM/ECM. For the ohms resistance, I will also double check. Thank you.
Was this
answer
helpful?
Yes
No
Tuesday, December 31st, 2024 AT 12:38 PM
Tiny
KEN L
  • MASTER CERTIFIED MECHANIC
  • 55,297 POSTS
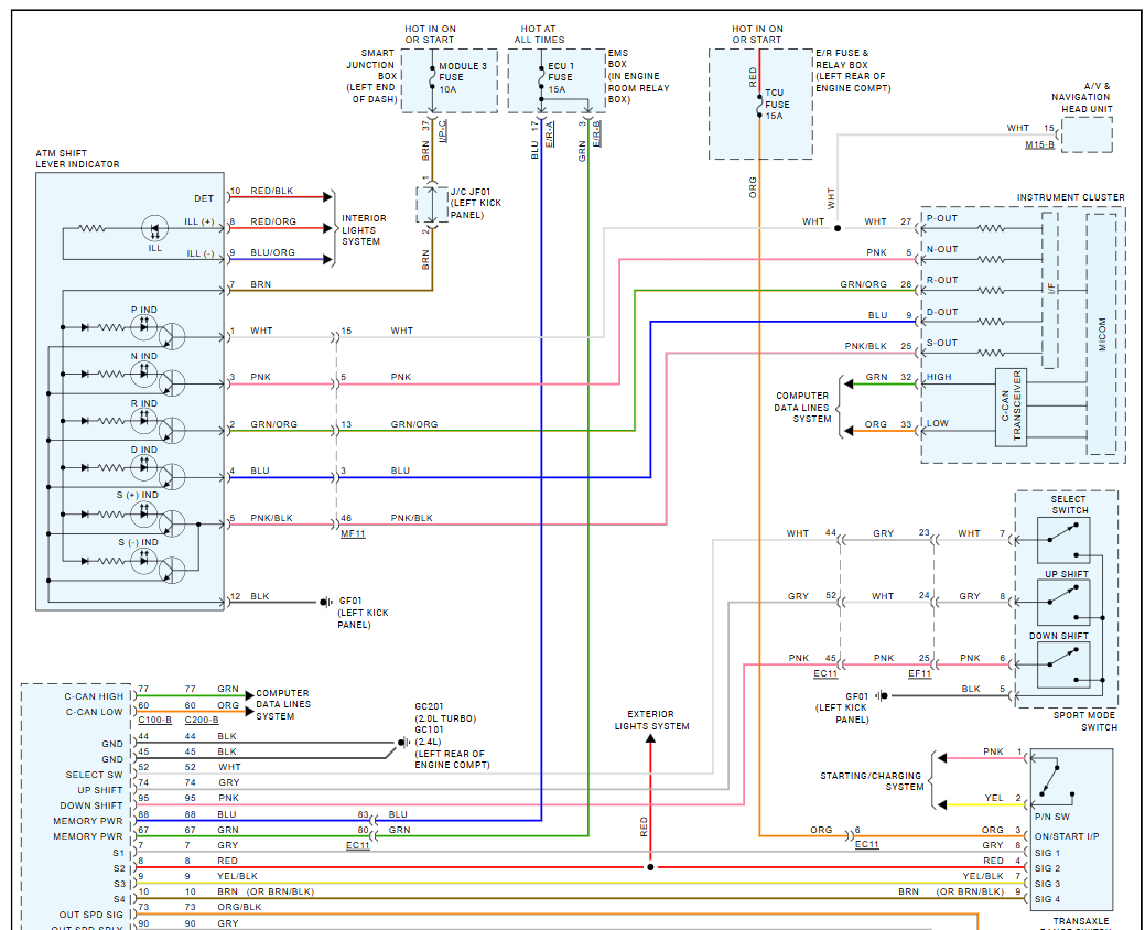
There is no TCM only the PCM, here are the pinouts and the wiring diagrams I have provided above. Check out the images (below). Let us know what you find.
Was this
answer
helpful?
Yes
No
Wednesday, January 1st, 2025 AT 10:31 AM
Tiny
ANDRIN ATEM
  • MEMBER
  • 420 POSTS
Thank Ken, what I realized, the output speed sensor is reading higher than the specified reading from the repair service manual. So I ordered a new sensors for replacement.

The informations you provided was vital and I could not figure it out without the informations provided to me.

Thanks very much.
Was this
answer
helpful?
Yes
No
Tuesday, January 7th, 2025 AT 2:13 PM
Tiny
KEN L
  • MASTER CERTIFIED MECHANIC
  • 55,297 POSTS
You are welcome, please use 2CarPros anytime we are here to help.
Was this
answer
helpful?
Yes
No
Thursday, January 9th, 2025 AT 10:26 AM
Tiny
ANDRIN ATEM
  • MEMBER
  • 420 POSTS
Please, I am still on this Hyundai as this has been a tough one for me, I have even replace a new transmission and yet the transmission is stock on 4th gear. Please may I have the network communication diagram for this transmission, also the grounding?
Was this
answer
helpful?
Yes
No
Thursday, February 6th, 2025 AT 7:50 AM
Tiny
ANDRIN ATEM
  • MEMBER
  • 420 POSTS
But what amazes me is that this hall affect output and input speed sensor has no resistance. Is the actually an information of a resistance for this sensors?
Was this
answer
helpful?
Yes
No
Thursday, February 6th, 2025 AT 7:52 AM
Tiny
KEN L
  • MASTER CERTIFIED MECHANIC
  • 55,297 POSTS
P0732 - Gear 2 Incorrect Ratio

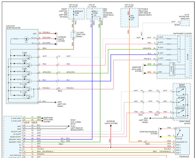
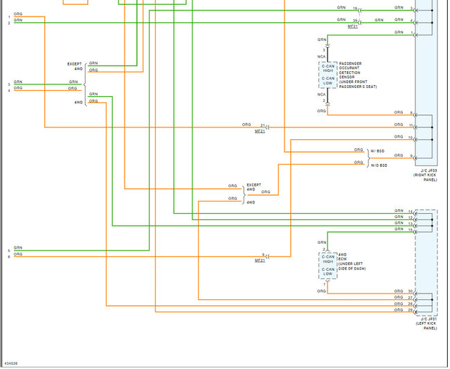
Hall Effect sensors typically do not have measurable resistance across their terminals when tested with a standard multimeter. Here is the CAN network diagrams as requested.

Check out the images (below). Please let us know what happens.
Was this
answer
helpful?
Yes
No
+1
Thursday, February 6th, 2025 AT 9:20 AM
Tiny
ANDRIN ATEM
  • MEMBER
  • 420 POSTS
Thank you.
Was this
answer
helpful?
Yes
No
Thursday, February 6th, 2025 AT 10:42 AM
Tiny
ANDRIN ATEM
  • MEMBER
  • 420 POSTS
Thank you once more Ken, please can I get the ground location wires in the engine compactment?
Was this
answer
helpful?
Yes
No
Friday, February 7th, 2025 AT 6:49 AM
Tiny
KEN L
  • MASTER CERTIFIED MECHANIC
  • 55,297 POSTS
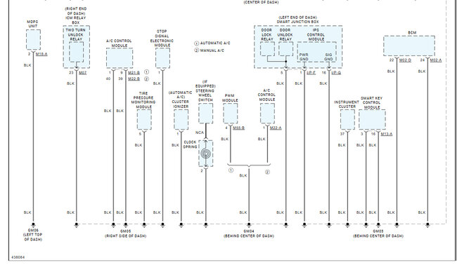
Sure, here are the engine compartment grounds. Check out the images (below). Let us know what you find.
Was this
answer
helpful?
Yes
No
Friday, February 7th, 2025 AT 6:15 PM
Tiny
ANDRIN ATEM
  • MEMBER
  • 420 POSTS
Hi Ken, please I would like to truly verify if this Hyundai has a transmission module or it’s the same as the PCM or ECU.
Was this
answer
helpful?
Yes
No
Wednesday, February 12th, 2025 AT 11:54 AM
Tiny
ANDRIN ATEM
  • MEMBER
  • 420 POSTS
And if it has a transmission module, can you help me get its exact position?
Was this
answer
helpful?
Yes
No
Wednesday, February 12th, 2025 AT 11:55 AM
Tiny
KEN L
  • MASTER CERTIFIED MECHANIC
  • 55,297 POSTS
There is no TCM only a PCM that runs the transmission.
Was this
answer
helpful?
Yes
No
+1
Thursday, February 13th, 2025 AT 9:11 AM
Tiny
ANDRIN ATEM
  • MEMBER
  • 420 POSTS
I have noticed that signals that leaves the TCM to the gear switch range senso are not consistent with what the factory diagram prescribes. So, I wonder if we might a wrong ecu on this car. Any ideas on what the correct Tec or ecu goes for this 2.4 gdi sports?
Was this
answer
helpful?
Yes
No
Thursday, February 13th, 2025 AT 3:52 PM
Tiny
KEN L
  • MASTER CERTIFIED MECHANIC
  • 55,297 POSTS
Is this a euro car?
Was this
answer
helpful?
Yes
No
Friday, February 14th, 2025 AT 10:37 AM
Tiny
ANDRIN ATEM
  • MEMBER
  • 420 POSTS
No, it’s from US
Was this
answer
helpful?
Yes
No
Friday, February 14th, 2025 AT 11:39 AM

Please login or register to post a reply.