P0717 Code, transmission in limp mode?

Tiny
SILVERADO01
  • MEMBER
  • 2020 CHEVROLET SILVERADO
  • 2.7L
  • 4 CYL
  • TURBO
  • 2WD
  • AUTOMATIC
  • 64,000 MILES
The truck listed above has an 8-speed transmission. This is an intermittent problem. Sometimes I can go a week without doing it, sometimes I can go several. It has been to a dealership (problem not fixed) and it has been to a transmission shop (problem not fixed). It has been doing this for 6 months now. When the check engine light comes on, sometimes a few starts and stops and it will clear itself. Sometimes I can go in with a handheld and clear it. The last time it cleared itself was when I unplugged the transmission connector to look it over and plug it back in. Now both shops said they have “checked everything” and didn’t find anything that wasn’t right. I’ve read this can be a ground problem for the TCM and some have tapped into the ground of the TCM and grounded it closer to the TCM by the headlight and it cleared up the problem. I would like to try this but I’m in need of the wiring diagrams for this truck and transmission. If y’all have any other ideas I’m all ears.

I don’t feel it's a mechanical problem (transmission hard broke) since it comes and goes and is intermittent. But I could be wrong.
Wednesday, August 23rd, 2023 AT 4:57 AM

1 Reply

Tiny
JACOBANDNICKOLAS
  • MECHANIC
  • 110,192 POSTS
Hi,

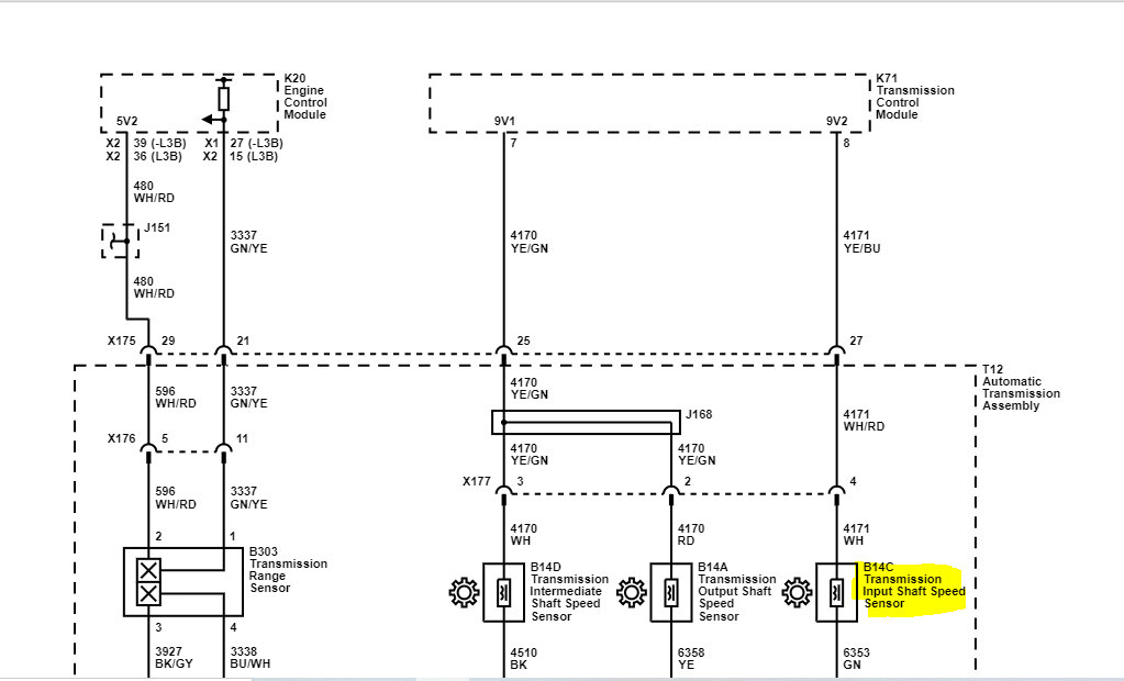
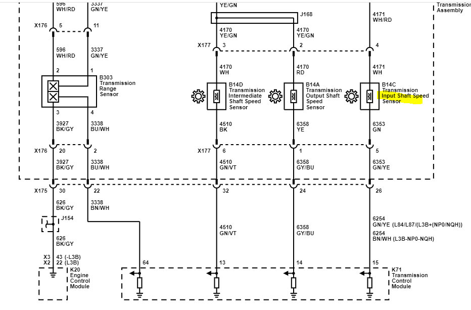
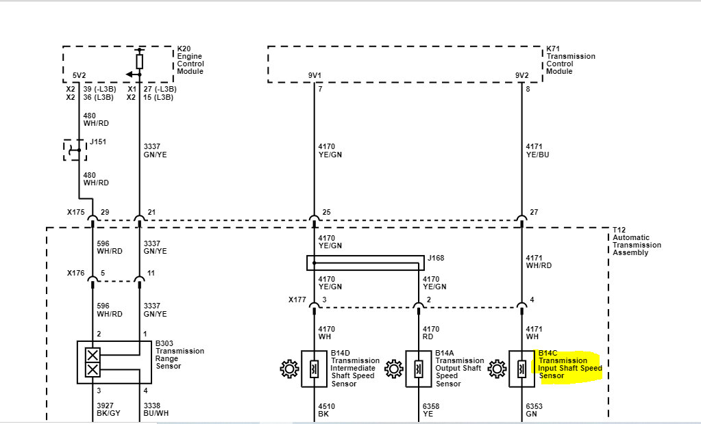
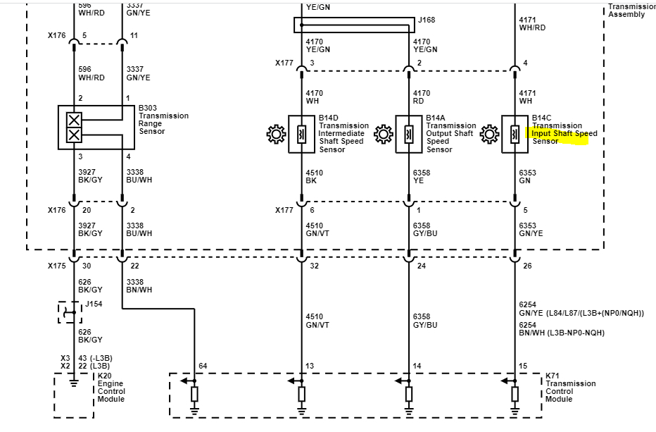
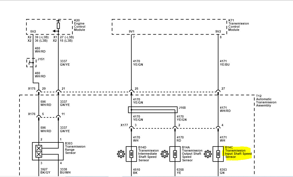
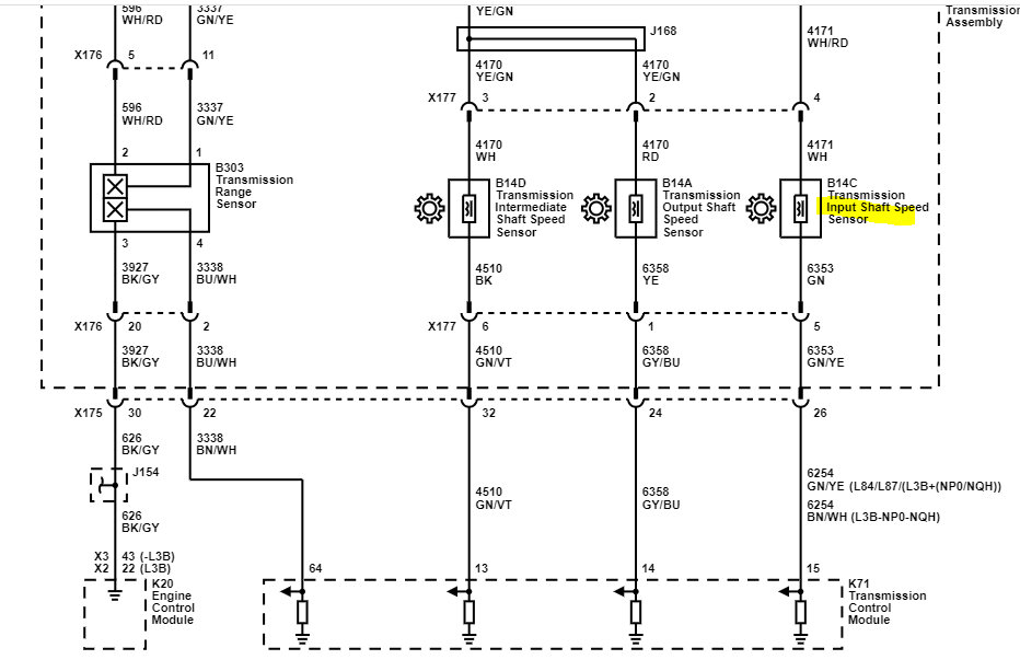
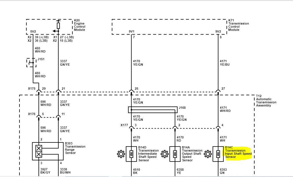
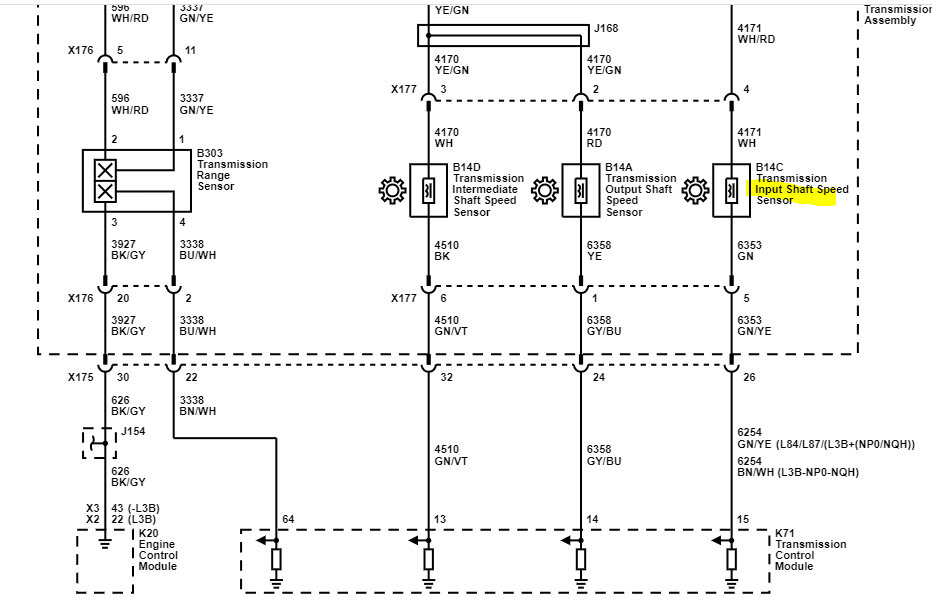
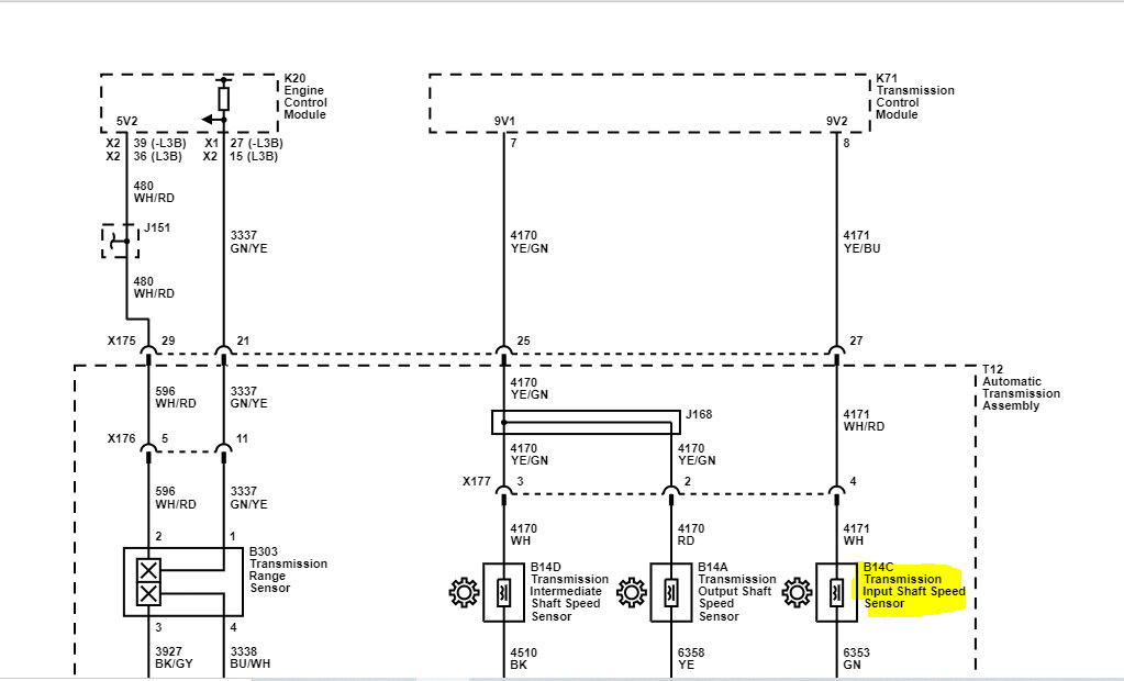
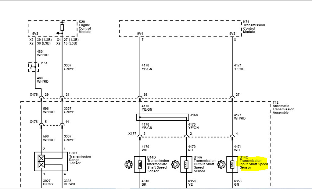
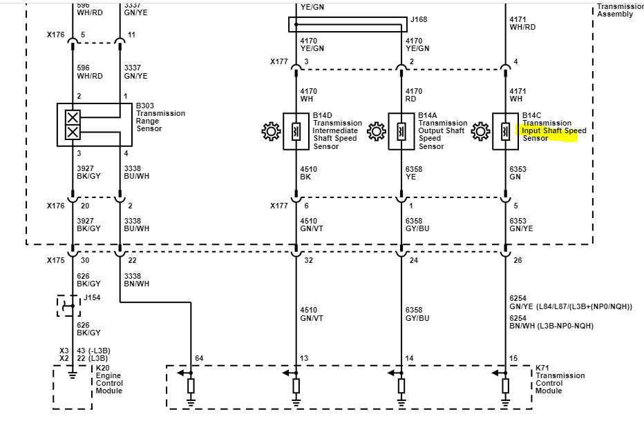
The code is specific to the input speed sensor. There is no signal being provided. If I had to guess, I would say you are correct. I suspect it is either a damaged wire, a poor connection, or the sensor itself has failed or is failing.

If you look below, I attached the description and diagnostics for this specific code. Take a look through them and let me know if you are comfortable performing them.

Additionally, the last two pics are the wiring schematic for the sensor circuit.

Let me know what you find or if you have questions.

Take care,

joe

See pics below. Note: I cut the one page in two to make it readable.
Was this
answer
helpful?
Yes
No
Wednesday, August 23rd, 2023 AT 9:32 PM

Please login or register to post a reply.