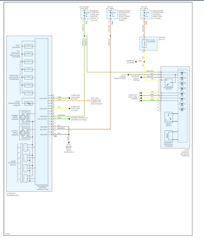
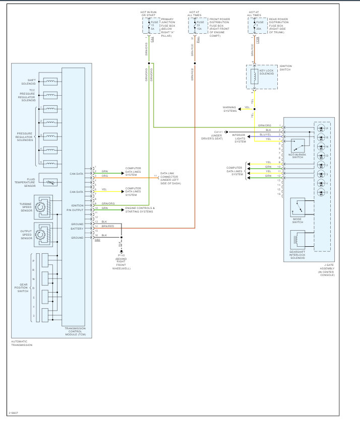
Code P0705, where is the transmission range sensor located?

Tiny
LITA DAVIS
  • MEMBER
  • 2005 JAGUAR S-TYPE
  • 4.2L
  • V8
  • 4WD
  • AUTOMATIC
  • 120,000 MILES
Transmission range sensor location needed.
Saturday, March 25th, 2023 AT 10:10 PM

1 Reply

Tiny
KEN L
  • MASTER CERTIFIED MECHANIC
  • 55,297 POSTS
The transmission range sensor is located inside the transmission which is internally housed inside the TCM (transmission control module) which is inside the transmission. Here are the wiring diagrams so you can see how the system works and how to change out the TCM. Check out the images (below). Please let us know if you need anything else to get the problem fixed.
Was this
answer
helpful?
Yes
No
-1
Sunday, March 26th, 2023 AT 7:14 PM

Please login or register to post a reply.