P0651 code

Tiny
COREAVE
  • MEMBER
  • 2008 CHEVROLET COBALT
  • 2.2L
  • 4 CYL
  • 2WD
  • AUTOMATIC
  • 170,000 MILES
5vB is missing (5v2).
Friday, September 13th, 2019 AT 6:52 PM

3 Replies

Tiny
JIS001
  • MECHANIC
  • 3,412 POSTS
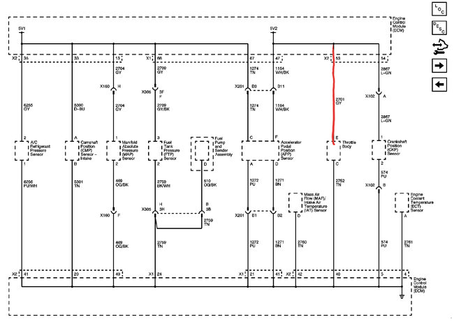
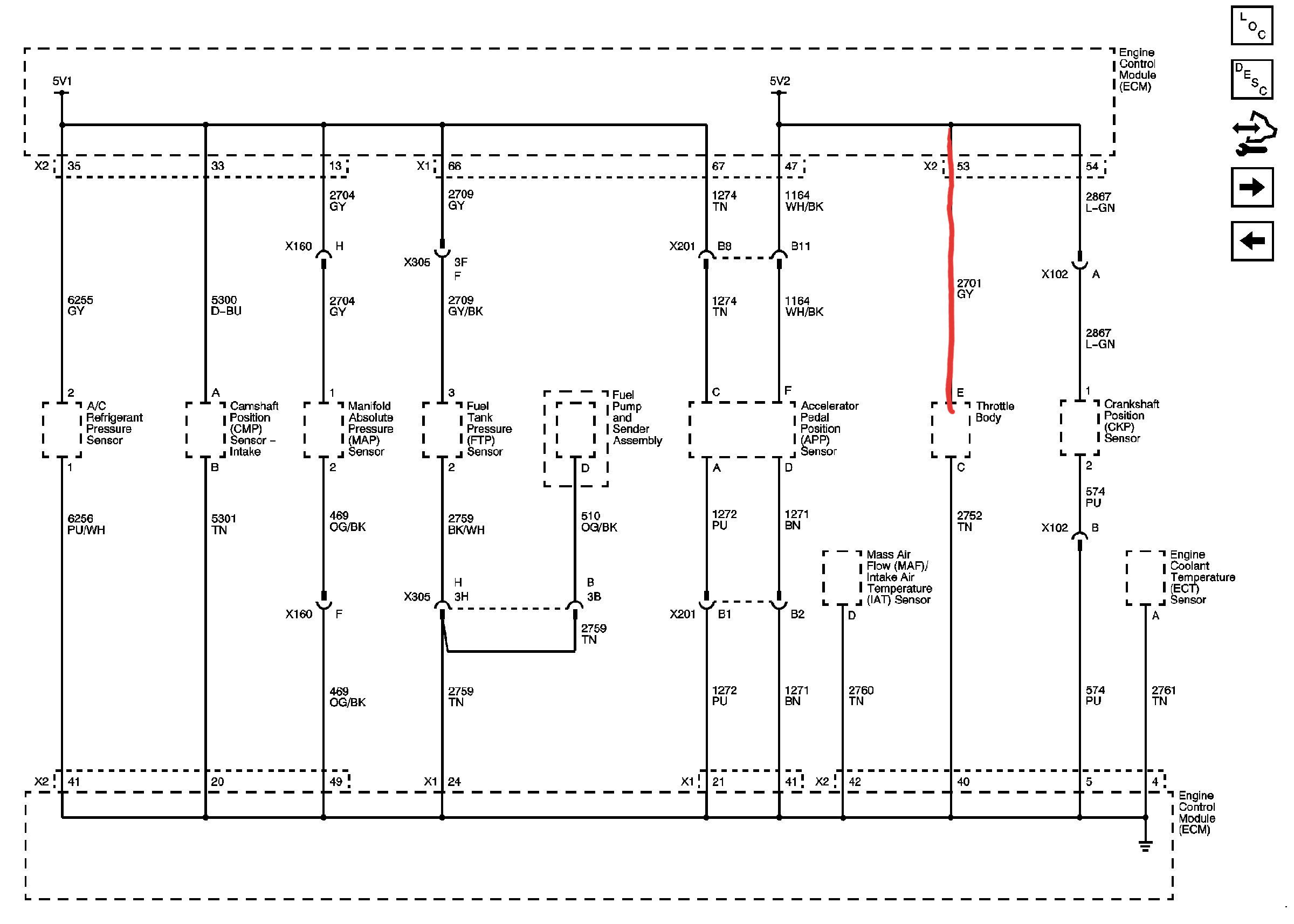
Hello and welcome to 2CarPros. Here is a circuit description so you can see what is controlled on the 5 volt reference:

Collision

 62

2008 Chevrolet Cobalt

Â

L4-2.2L

Â

Â

P0651

Vehicle ALL Diagnostic Trouble Codes ( DTC ) Testing and Inspection P Code Charts P0651

P0651

DTC P0641 or P0651

Diagnostic Instructions

 *  Perform the Diagnostic System Check - Vehicle prior to using this diagnostic procedure. See: Vehicle > Initial Inspection and Diagnostic Overview
 *  Review Strategy Based Diagnosis for an overview of the diagnostic approach.
 *  Diagnostic Procedure Instructions provides an overview of each of the diagnostic category.

DTC Descriptors

DTC P0641
 -  5-Volt Reference 1 Circuit

DTC P0651
 -  5-Volt Reference 2 Circuit

Diagnostic Fault Information

Open In New TabZoom/Print

Circuit/System Description

The engine control module (ECM) has 2 internal 5-volt reference busses called 5-volt reference 1 and 5-volt reference 2. Each reference buss provides 5-volt reference circuits for more than one sensor. A fault condition on one 5-volt reference circuit will affect the other 5-volt reference circuits connected to that reference buss. The ECM monitors the voltage on the 5-volt reference buss.

The 5-volt reference 1 buss provides 5 volts to the following sensors:

 *  The manifold absolute pressure (MAP) sensor
 *  The fuel tank pressure (FTP) sensor
 *  The air conditioning (A/C) refrigerant pressure sensor
 *  The accelerator pedal position (APP) sensor 2
 *  The exhaust camshaft position (CMP) sensor
 *  The intake CMP sensor

The 5-volt reference 2 buss provides 5 volts to the following sensors:

 *  The APP sensor 1
 *  The throttle position (TP) sensor 1 and 2
 *  The crankshaft position (CKP) sensor
 *  The secondary air injection (AIR) solenoid

At the throttle body, back probe the grey wire on the connector with key on engine off. Since the 5 volts is missing, unplug the connector with the probe still attached. If the 5 volts comes back on the throttle is bad. If no 5 volts then start unplugging every component on bus 2. The APP is the accelerator pedal so unplug it. If the 5 volts comes back on then the APP is bad and if not unplug every component until you get 5 volts back. Let us know what the test results are.

You can also work backwards and unplug everything in that circuit and plug one item at a time until you lose the 5 volts to isolate the problem. If you have any questions, don't hesitate to ask.
Was this
answer
helpful?
Yes
No
+1
Friday, September 13th, 2019 AT 9:36 PM
Tiny
COREAVE
  • MEMBER
  • 2 POSTS
Turned out to be Secondary Air Injection Shut-Off and Check Valve found one at junk yard $25 all fixed. Thanks for your guidance
Was this
answer
helpful?
Yes
No
+1
Tuesday, September 17th, 2019 AT 9:30 PM
Tiny
JIS001
  • MECHANIC
  • 3,412 POSTS
Hello and welcome back. Glad to hear you were able to narrow it down to the air injection. Please use 2CarPros if you ever need our assistance again.
Was this
answer
helpful?
Yes
No
+1
Tuesday, September 17th, 2019 AT 9:37 PM

Please login or register to post a reply.