Code P0449

Tiny
ILIKERAIN
  • MEMBER
  • 2008 CHEVROLET IMPALA
  • 3.9L
  • V6
  • 2WD
  • AUTOMATIC
  • 100,000 MILES
Code P0449 came on. I was told to replace the solenoid vent canister. I did, reset the code and it popped right back up. Tried resetting it a few times and it kept returning. Tested the fuse in passenger compartment there is continuity. What can it be? A break in the wire?
Monday, October 9th, 2017 AT 10:18 PM

2 Replies

Tiny
CARADIODOC
  • MECHANIC
  • 34,463 POSTS
Yes. Someone was guessing, and had a fifty percent chance of being right. Before we spend money on parts, we have to rule out wiring and connector terminal problems. Diagnostic fault codes never say to replace parts or that one is bad. They only indicate the circuit or system that needs further diagnosis, or the unacceptable operating condition. When a part is referenced in a fault code, it is actually the cause of that code about half of the time.
Was this
answer
helpful?
Yes
No
Monday, October 9th, 2017 AT 11:19 PM
Tiny
STEVE W.
  • MECHANIC
  • 15,671 POSTS
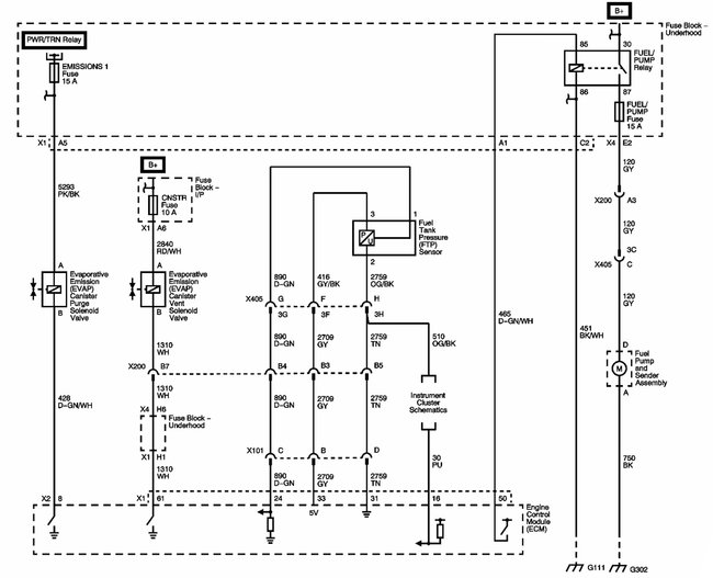
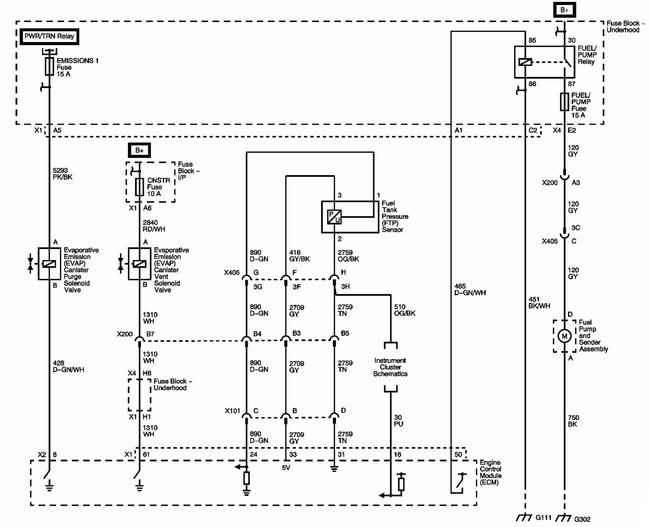
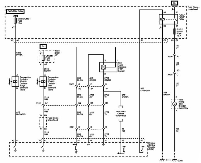
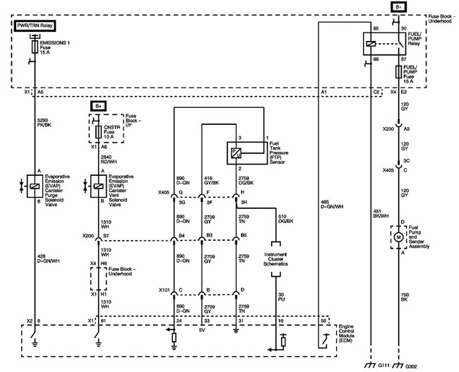
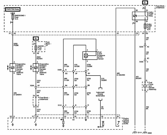
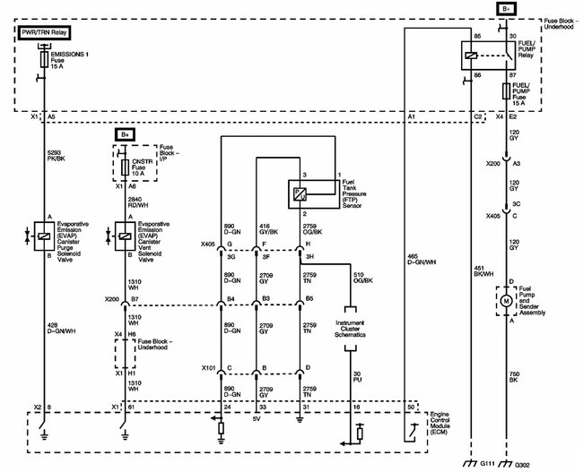
Broken wire, bad connection are a couple of things, or a leak between the solenoid and the charcoal canister.

To see if it's a bad wire you need to check the wires at the valve. There will be Red with white stripe and one all white.

The Red/White wire should have battery voltage. The white wire is a computer controlled ground. If you use a pin to connect to the white wire, you should hear the solenoid click on/off as you touch a jumper connected to the pin to ground. If you hear that then the power side is OK.
To check the control side wire, the easy way is to use a good scan tool and turn the valve on/off. The harder way is to find that wire at the PCM and apply ground at that pin and listen for the solenoid to click.

Also check that there is power at the canstr fuse in the fuse box.
Was this
answer
helpful?
Yes
No
+2
Wednesday, October 11th, 2017 AT 1:18 PM

Please login or register to post a reply.