Code P0401, EGR insufficient flow?

2004 MERCURY MOUNTAINEER
185,000 MILES • 4.0L • V6 • 4WD • AUTOMATIC
Avatar
FED4267
  • MEMBER
  • 1 POST
I've replaced the EGR valve and no changes. what would you recommend?
Nov 28, 2024 at 2:55 PM
Repair Safety Notice: This information is for general instructional purposes only. Vehicle repair can be dangerous. Verify all information, follow manufacturer service procedures, use proper tools and safety equipment, and consult a qualified repair shop when needed.
Advertisement
Avatar
STRAILER
  • CAR REPAIR CONTRIBUTOR
  • 54,193 POSTS
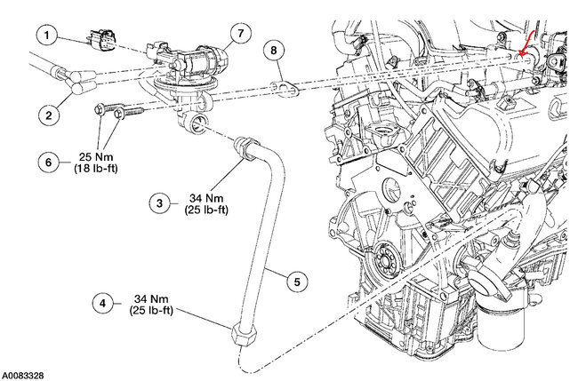
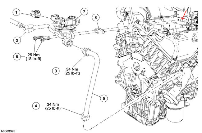
So the EGR pressure or inlet passages can get clogged up. Also, check the vacuum lines going to the EGR valve, if the valve does not open it will give this code, or if it opens but not enough exhaust gases are introduced into the engine this code will pop up as well. Here is a diagram which shows the vacuum lines and the passage you need to check. Check out the images (below). Please let us know what happens.



Nov 29, 2024 at 11:46 AM
Advertisement