Saturday, April 13th, 2024 AT 1:37 AM
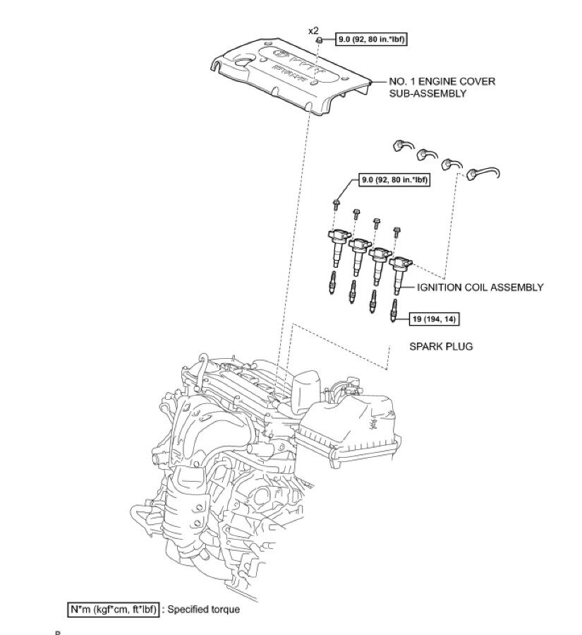
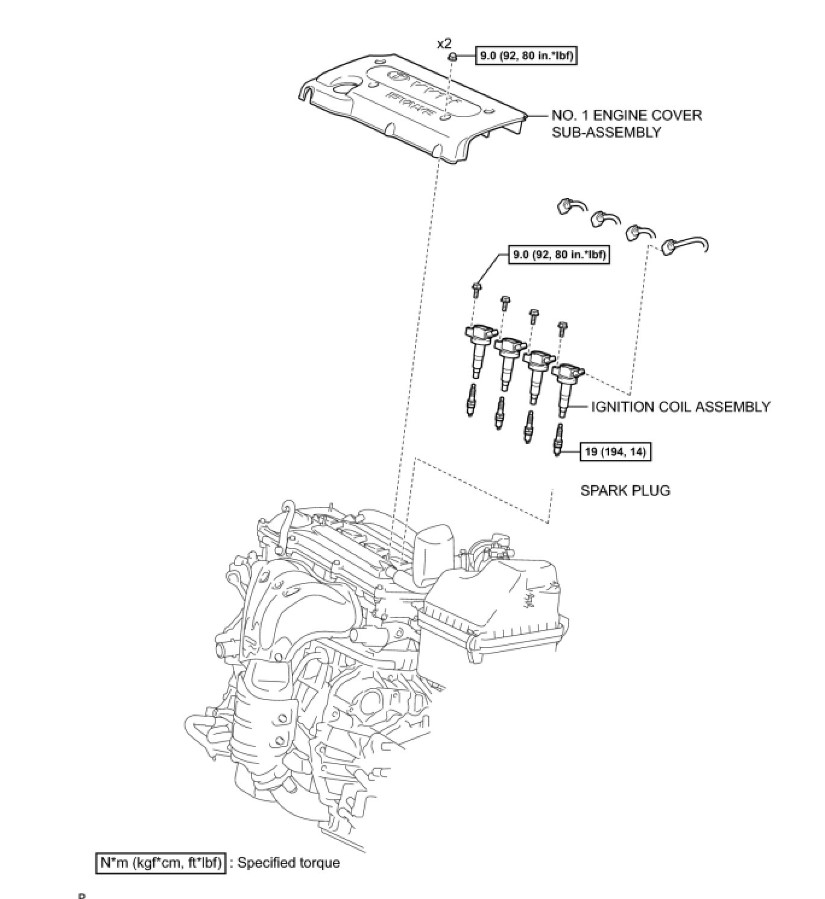
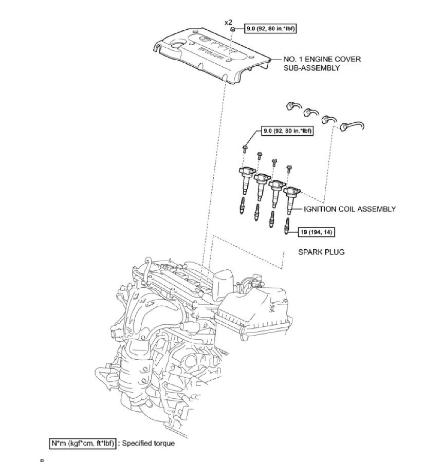
I got a P0304, #4 Cylinder Misfire. I want to know which cylinder is # 4. I plan to remove the coil and swap it with another cylinder; therefore, I need to know which cylinder is #4. A diagram with the firing order arrangement should help me.


