Sunday, December 18th, 2022 AT 1:00 AM
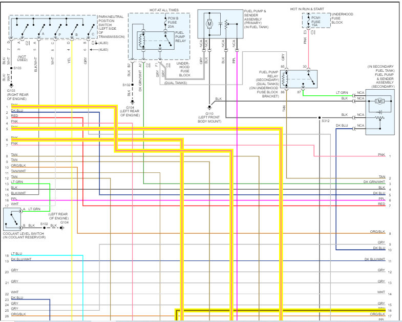
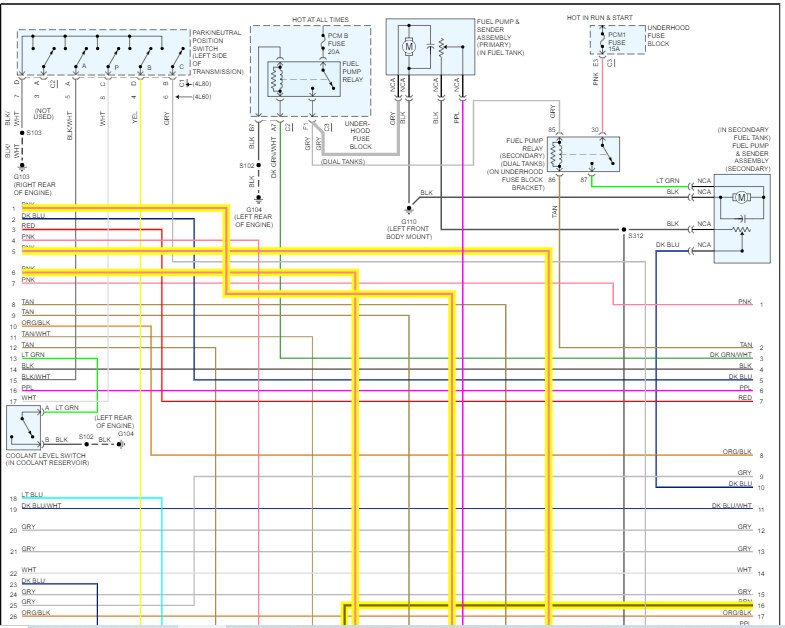
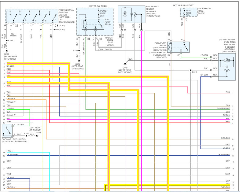
I need to know what pins on the connectors and the pins on the ECM. I need to check and test for wiring problems with the upstream o2 sensors.











