Overheating, cooling fan will not stay on

Tiny
JENNIFER KLEIN
  • MEMBER
  • 2004 VOLKSWAGEN PASSAT
  • 2.8L
  • 6 CYL
  • 4WD
  • AUTOMATIC
  • 145,000 MILES
I have replaced both temperature sensors and the cooling fan relay. But the cooling fan won't stay in after about two minutes causing the car to overheat.
Friday, April 26th, 2019 AT 3:15 PM

9 Replies

Tiny
KASEKENNY
  • MECHANIC
  • 18,907 POSTS
Hi Jennifer,

Sounds like if the fan works but then shuts off, the second speed is not coming on. Do you notice the speed of the fan ever increase before it shuts off?

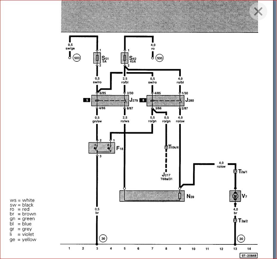
It looks like there are two possible systems for your vehicle. The 80W and 300W.

The 300W system has a second relay that controls the second speed for the fan. It could be as simple as this.

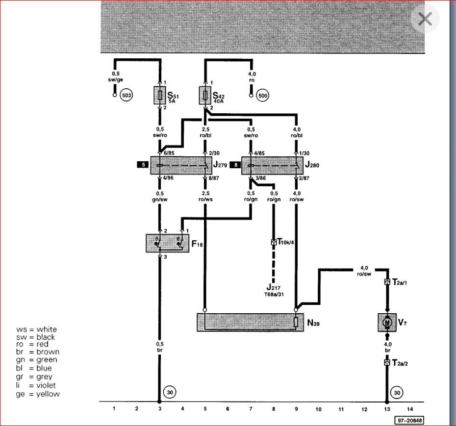
However, there also appears to be a coolant fan control module that controls this system. Take a look at the fifth attachment and it explains the operation.

Take a look at this material and let me know what you think and we can go from there. Thanks
Was this
answer
helpful?
Yes
No
Sunday, April 28th, 2019 AT 12:17 PM
Tiny
JENNIFER KLEIN
  • MEMBER
  • 6 POSTS
So I'm not sure these diagrams are helping me any, but I'm looking. When I said cooling fan relay switch I should have said control module. I basically followed the power from the fan back to the battery, changing sensors and relay module along the way. After changing the two temperature sensors there was still no fan, so I changed the control module (located at the bottom front of the frame). The fan then turned on for about two minutes before shutting off again, and I haven't seen it running since. The fan spins freely by hand so I don't believe the bearing are seized.
Was this
answer
helpful?
Yes
No
Monday, April 29th, 2019 AT 11:40 AM
Tiny
JENNIFER KLEIN
  • MEMBER
  • 6 POSTS
Oh, don't know if it will help but it's 2004 glx 4 motion be passat.
Was this
answer
helpful?
Yes
No
Monday, April 29th, 2019 AT 11:41 AM
Tiny
KASEKENNY
  • MECHANIC
  • 18,907 POSTS
The fact that you said you replaced the relay and the module on the frame rail, I assume you have manual AC? Auto or Climatronic is controlled by the fan control module alone and not any relays.

Also, what voltage readings did you get? How much voltage did you have at the fan and was that consistent all the way back to the module?
Was this
answer
helpful?
Yes
No
Monday, April 29th, 2019 AT 1:06 PM
Tiny
JENNIFER KLEIN
  • MEMBER
  • 6 POSTS
I don't have a voltage meter. I do have Climatron. AC works but causes overheating so I'm afraid to turn it on. This has been an ongoing problem. The thermostat, thermostat housing, radiator and reservoir are all new. I tested the fan by direct connection to the battery and it worked. That's when I started changing sensors. Is it possible that the fan is the issue or am I missing a sensor somewhere along the way?
Was this
answer
helpful?
Yes
No
Monday, April 29th, 2019 AT 3:53 PM
Tiny
KASEKENNY
  • MECHANIC
  • 18,907 POSTS
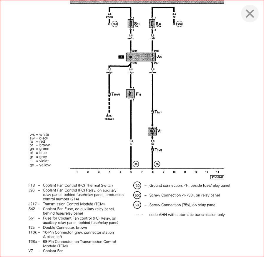
What I can't wrap my head around is you changed the fan control module and it ran for two minutes. This makes me nervous that you either have a bad module that failed or something is shorting the module out. There are basically four things that control the fan and they are highlighted in the attachment. I don't think your issue has anything to do with AC because your coolant fan should be running in most cases even with the AC off.

Just to be sure, your vehicle has two fans correct? And the one on the driver side of the vehicle is the one not running or do you only have one fan? If you only have one fan then it could be the AC pressure switch.

What I would suggest at this point is to have the vehicle hooked up to a scan tool capable of monitoring the Fan Control Module. We need to see what this is doing. Is it commanding the fan on and it is not on? Is it reading a sensor that is telling it not to turn a fan on which would indicate a faulty sensor? Are the sensors reading properly and the fan control is just not commanding the fan on?

The other thing you can check before you have it checked out with a scan tool is if you checked the relays for the fan control module? You do not have fuses/relays for the fan itself but you do have two for the control module. I find it unlikely that these are your issue because I don't think you changed them and you said the fan came on after the module was replaced. This would show that they are okay but it is worth checking. They are in the relay panel (Eight-way) behind the main relay panel.
Was this
answer
helpful?
Yes
No
Monday, April 29th, 2019 AT 5:34 PM
Tiny
JENNIFER KLEIN
  • MEMBER
  • 6 POSTS
I have 2 fans, the main one on the driver's side is always on when the car is running, it's the second fan, the coolant fan that is the issue. I'm concerned that the cooling module may have been shorted out. What might cause that? I'm not able to take it to a shop due to finances.
Was this
answer
helpful?
Yes
No
Tuesday, April 30th, 2019 AT 7:44 PM
Tiny
KASEKENNY
  • MECHANIC
  • 18,907 POSTS
That is what I thought and that is why it only overheats when the AC is on.

The main cause of a module to short is voltage overload. This is caused by the power supply has a shorted solenoid or actuator sending a constant feed of power and it overheats the circuit board of the module. The other major cause is water contamination in a connector or the module itself.

If you get a meter or have a friend that does, I would measure power on all wires going into that module. If you get those, just write down which wire it is (color of wire and position in the connector) and send it over to me and I can tell you what is right or not.
Was this
answer
helpful?
Yes
No
Wednesday, May 1st, 2019 AT 4:57 PM
Tiny
JENNIFER KLEIN
  • MEMBER
  • 6 POSTS
May take me some time, but thanks, I will try
Was this
answer
helpful?
Yes
No
Wednesday, May 1st, 2019 AT 6:19 PM

Please login or register to post a reply.