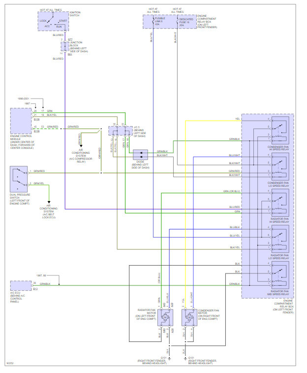
Tuesday, February 12th, 2019 AT 10:27 AM
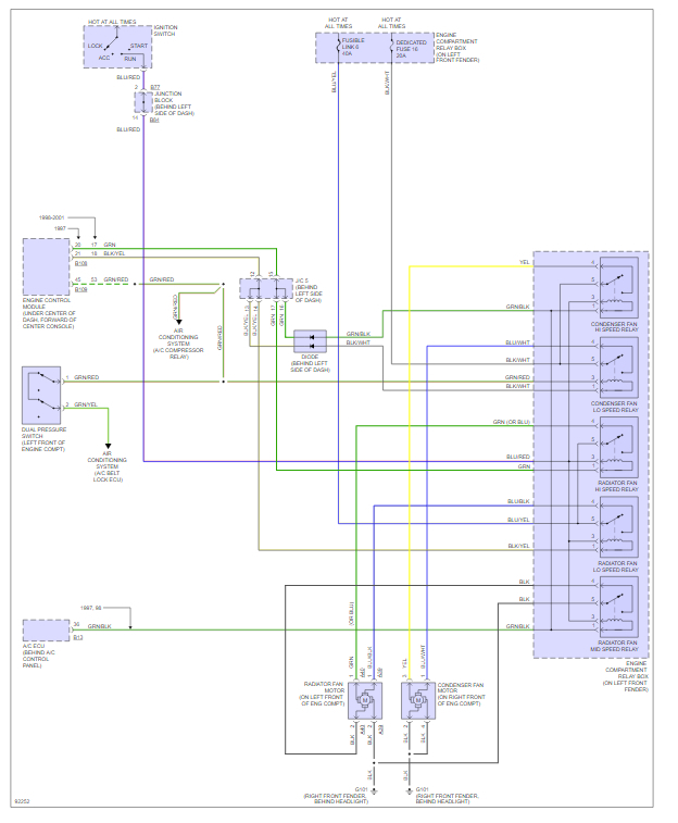
When my car idles the radiator fan spins very slow and the temperature gauge goes up. If I turn on the air condition the fan spins faster. What could be my problem? The main fuse 120amp was blown I replaced it with a 100amps could that be the cause of my problem?








