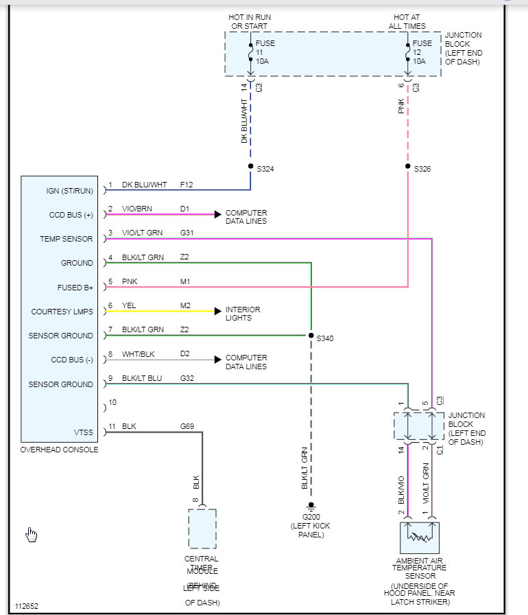
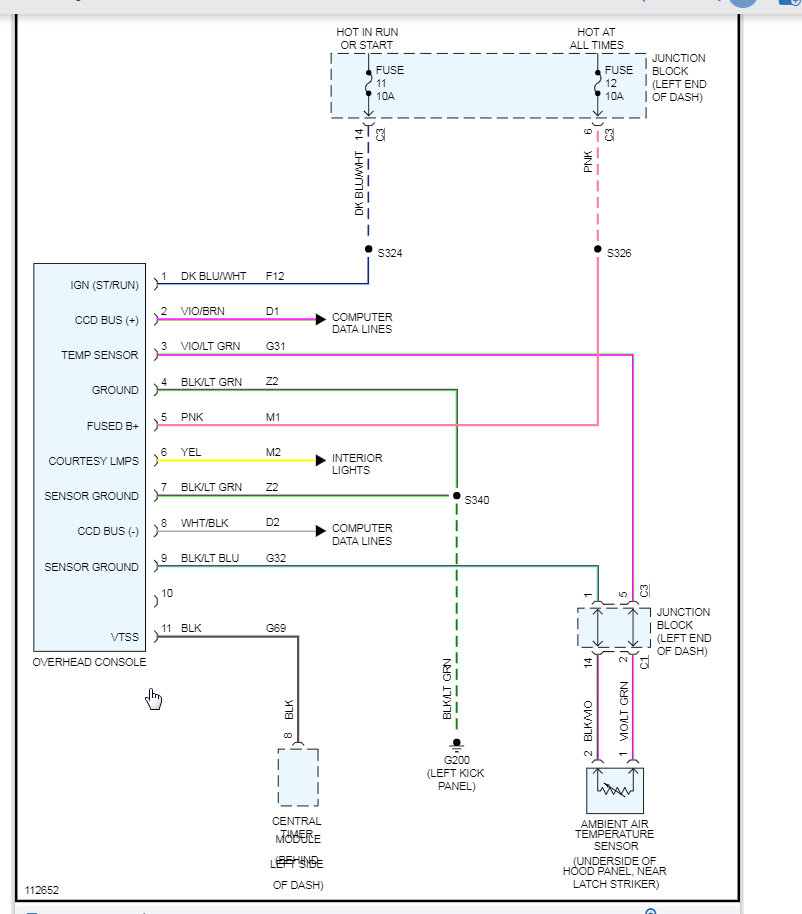
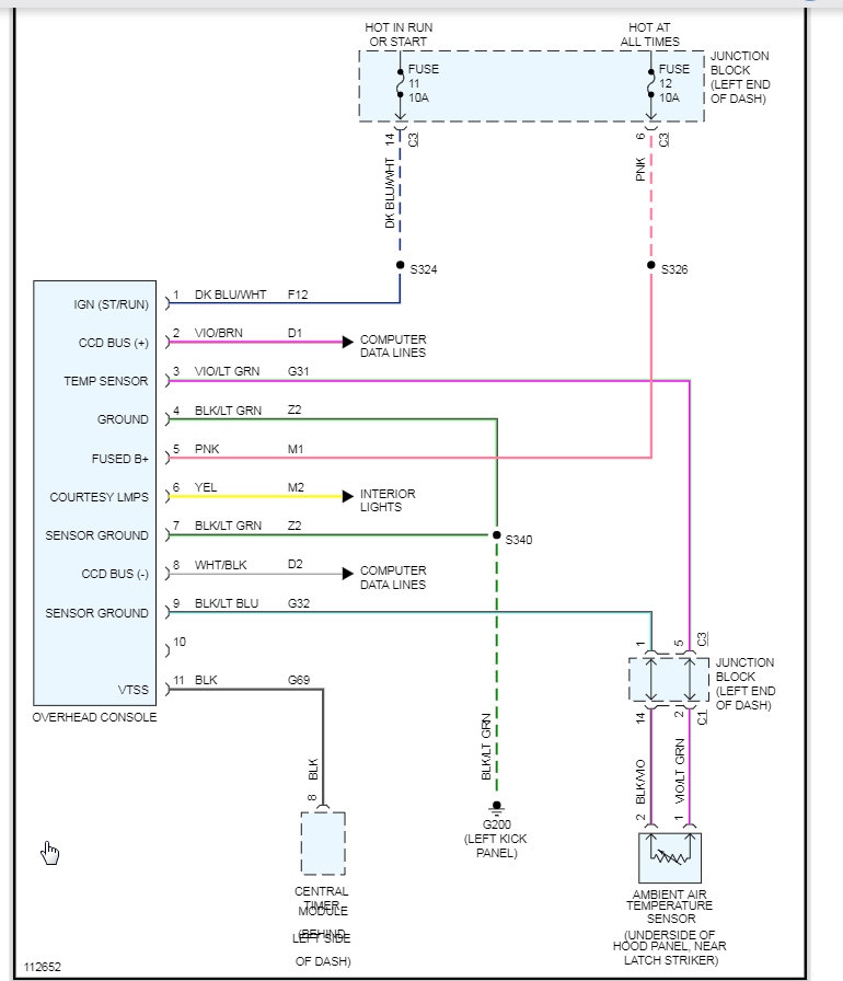
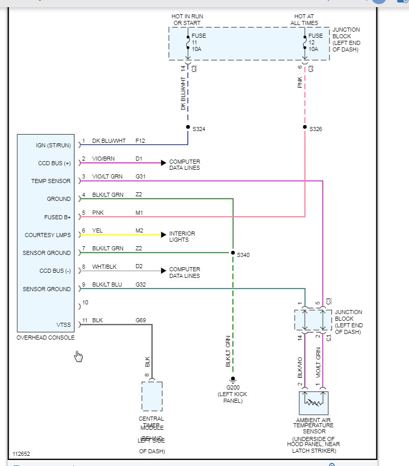
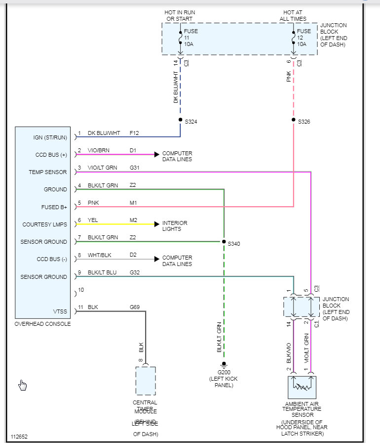
Overhead console

Tiny
STEVEJMORRIS39
  • MEMBER
  • 1999 DODGE RAM
  • 5.2L
  • V8
  • 2WD
  • AUTOMATIC
  • 221,000 MILES
Can a evic or otis trip computer with 4 wires be wired into the existing wiring harness on the truck listed above.
Tuesday, December 10th, 2019 AT 5:32 PM

6 Replies

Tiny
KASEKENNY
  • MECHANIC
  • 18,907 POSTS
Which vehicle did you get the otis computer out of? I doubt it is going to work because most of the vehicles that have those are a different electrical system than the ram. Most of them have a CAN bus system Your vehicle does not, it has a CCD bus, so you may be able to match the wires up but the messaging that it receives is not compatible so it won't display anything. It may power on but again, the data will not be compatible so it won't display.

Let me know the other vehicle and I will get you the wiring for the computer and see if the are going to be close.
Was this
answer
helpful?
Yes
No
Wednesday, December 11th, 2019 AT 4:22 PM
Tiny
STEVEJMORRIS39
  • MEMBER
  • 3 POSTS
It came out 2001 Ram 1500 the module Chrysler part 56045573AC I think its compass, instant mileage and temperature. My truck is 1999 dodge ram 1500 it has a overhead console.
Was this
answer
helpful?
Yes
No
Wednesday, December 11th, 2019 AT 6:29 PM
Tiny
KASEKENNY
  • MECHANIC
  • 18,907 POSTS
The wiring diagrams for each of these trucks are identical. This is a good sign but we need to try it out to know for sure. The reason is, the part is only for 2001 - 2005 Rams. This may be because it doesn't physically fit also. However, it appears it will work because both trucks use the CCD style bus.

Clearly I have not tried this part in this year truck but I have seen enough to give it a shot if it were me.
Was this
answer
helpful?
Yes
No
Thursday, December 12th, 2019 AT 6:34 PM
Tiny
CARADIODOC
  • MECHANIC
  • 34,485 POSTS
Hi guys. Allow me to add one note of great value. I have a Chrysler DRB3 scanner for all of my vehicles, so I learned the first models it went obsolete on was the 2004 Dakota and Durango, meaning those were the first Chrysler models to switch over to the current "CAN BUSS" system of computer language. The last year to use the previous "OBD2", (on-board diagnostics, version 2) emissions system were a few Jeep models. That means the '96 full-size trucks, and up to at least the 2004 models used the older system. The rest of what you mentioned, KASEKENNY1, regarding fitting into the opening, connector style, and things like that could still be an issue, but at least you have one more tidbit of information now.
Was this
answer
helpful?
Yes
No
Thursday, December 12th, 2019 AT 7:32 PM
Tiny
STEVEJMORRIS39
  • MEMBER
  • 3 POSTS
Then the 4 wires coming out of the new one get wired into where on my truck?
Was this
answer
helpful?
Yes
No
Friday, December 13th, 2019 AT 12:15 AM
Tiny
CARADIODOC
  • MECHANIC
  • 34,485 POSTS
Look behind where the assembly mounts to see if there's a plug taped up. Chrysler often uses the same wiring harnesses with and without optional equipment. They just don't use the plugs when they aren't needed. This used to be common with cruise control systems. To add that option at the dealership, all the parts came in one box, and all the plugs where already on the vehicles. You just mounted the parts and plugged them in.

KASEKENNY1 should be back shortly. He can continue helping with other wiring issues. I'll help research that if necessary.
Was this
answer
helpful?
Yes
No
Friday, December 13th, 2019 AT 4:26 PM

Please login or register to post a reply.