Sunday, June 9th, 2024 AT 11:28 AM
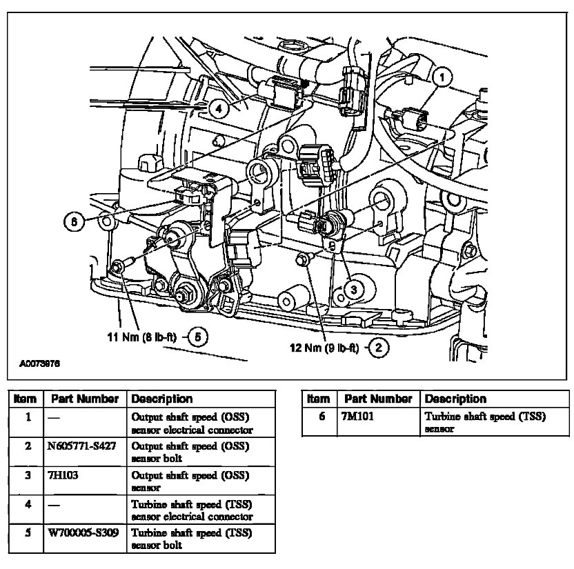
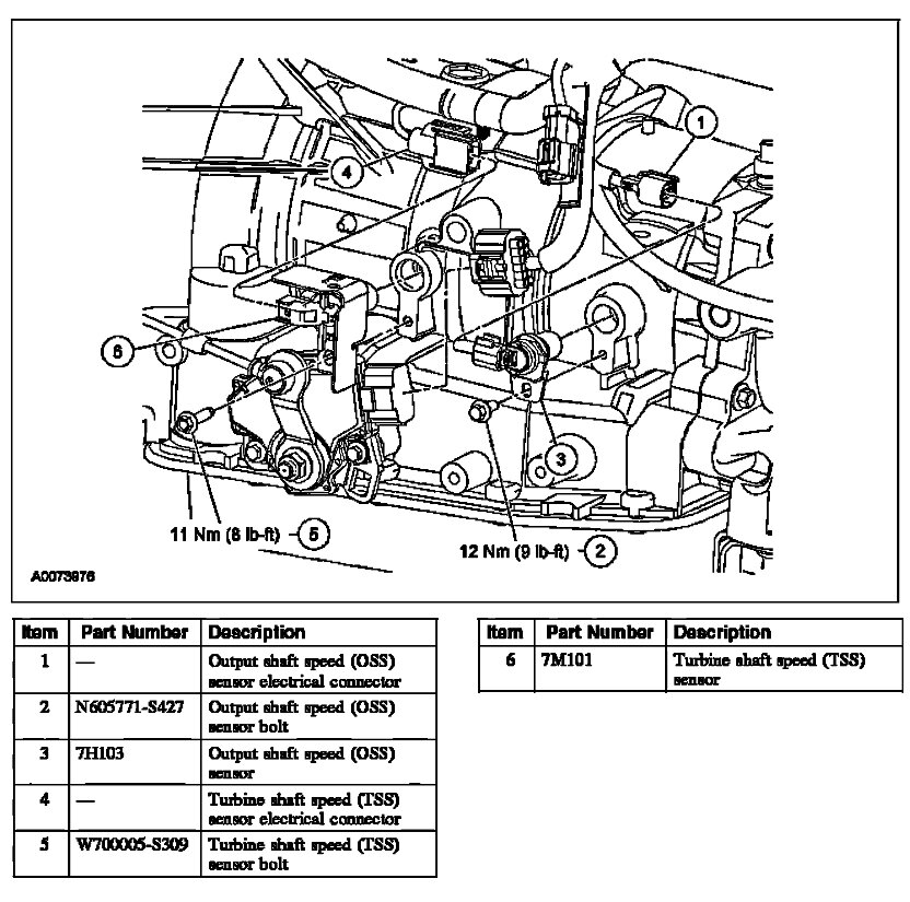
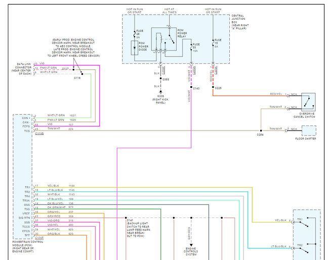
Will overheat because torque converter is not locking up when trying to go into overdrive. When pushing button to take off overdrive the light comes on dash and truck does not overheat. Overdrive does not come on when I push the button. What I have done so far. Replaced high mount brake light housing because was burnt and socket was melted. All other lights work fine. Replaced brake switch. Replaced cruise disengage switch by brake switch. Cleaned throttle body. Cleaned MAF. Replaced TPS. No codes on dash and everything looks good on OBD2 scanner in live data that I can tell.



