Sunday, December 10th, 2017 AT 8:20 PM
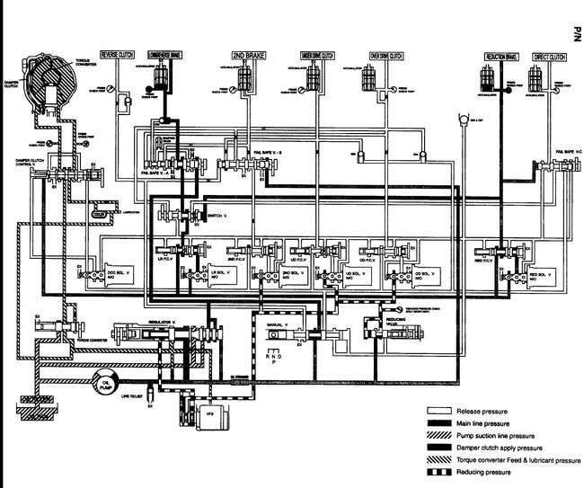
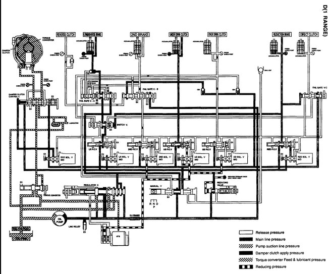
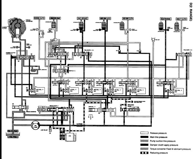
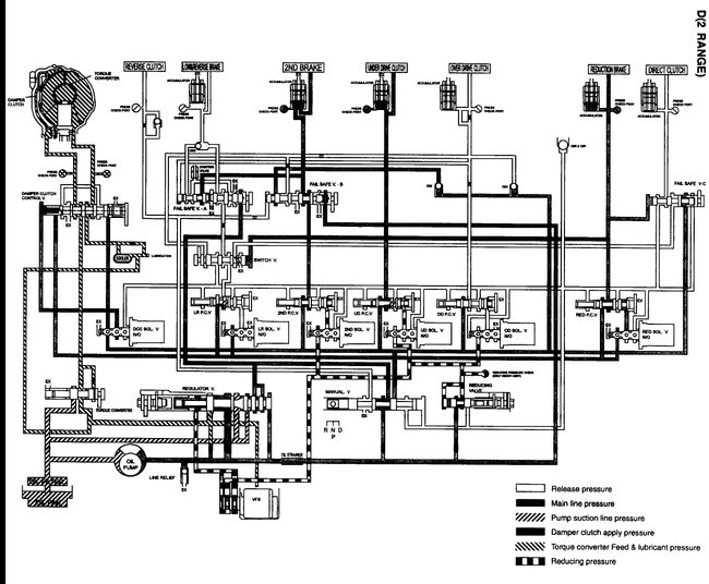
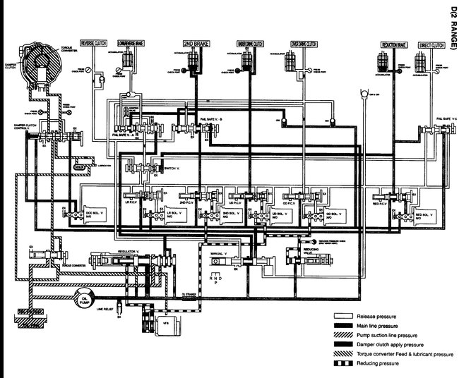
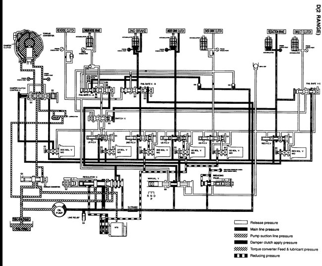
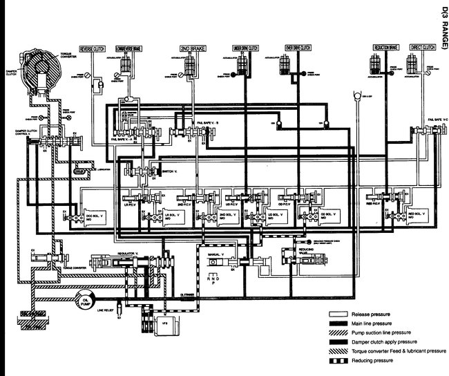
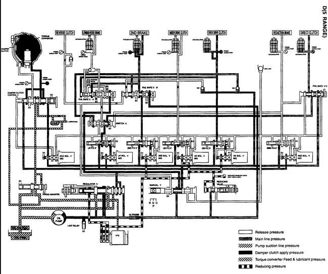
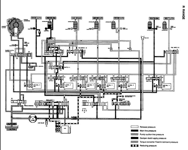
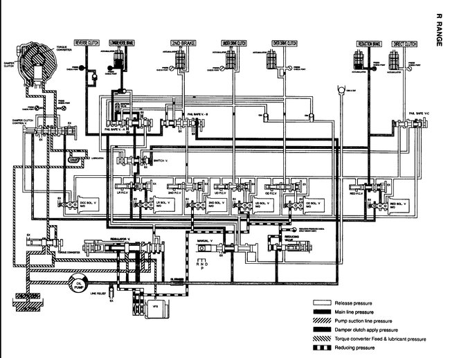
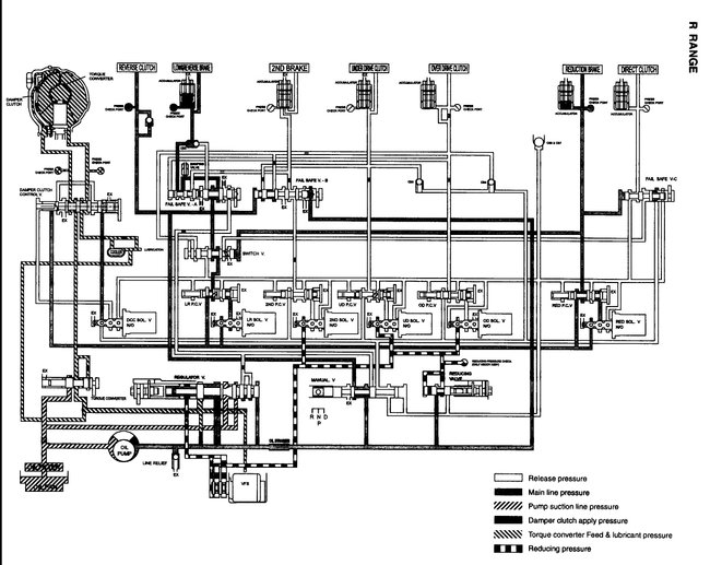
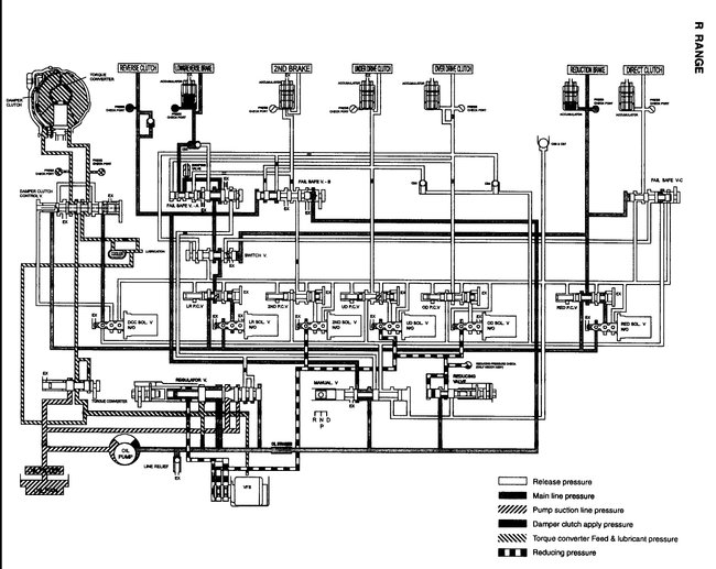
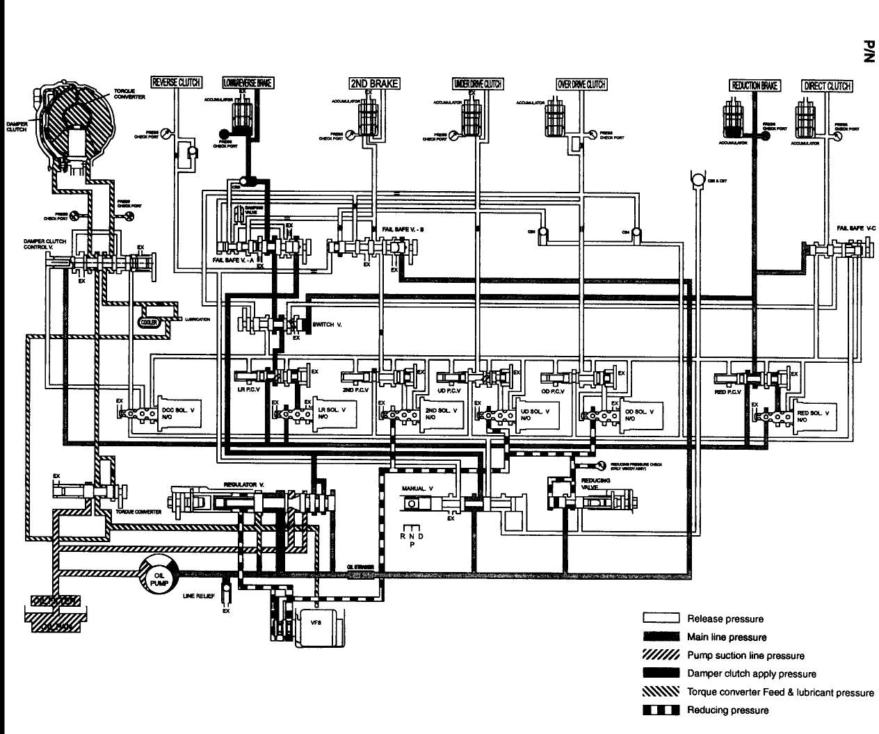
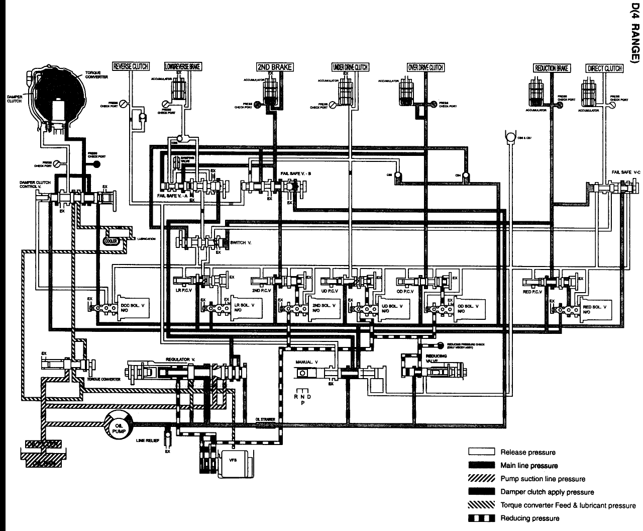
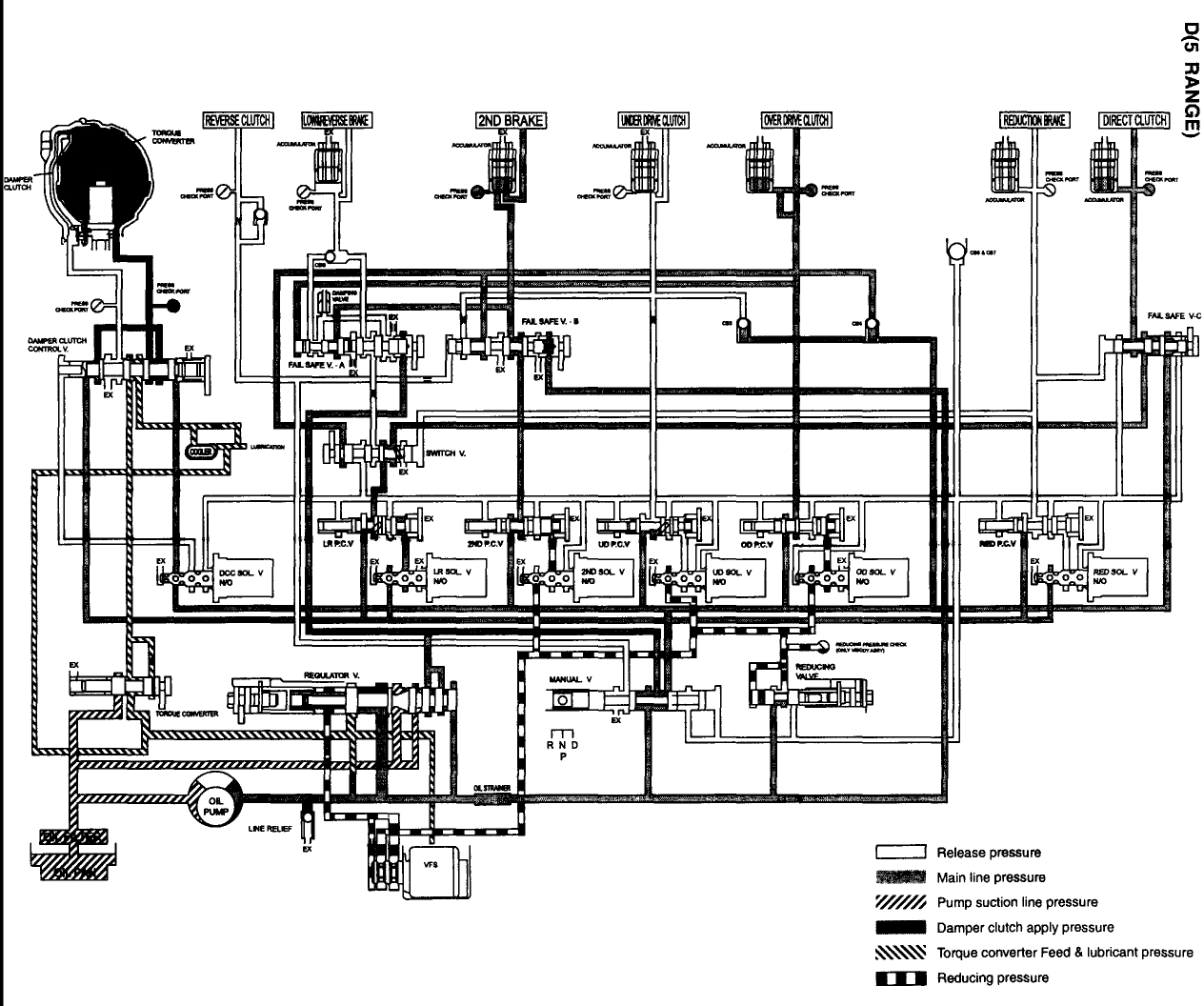
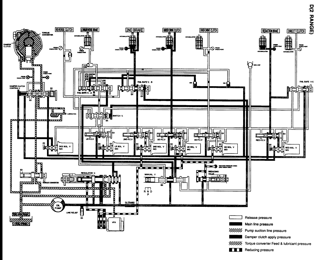
Got the cover off looking at valve body two solenoids on left side passenger side when standing in front of car three solenoids on the right driver side. Which one is for fourth gear?









