Transmission not shifting to overdrive

Tiny
REDBONE
  • MEMBER
  • 2002 CHRYSLER TOWN AND COUNTRY
  • 3.3L
  • V6
  • 2WD
  • AUTOMATIC
  • 210,000 MILES
Overdrive doesn't kick in when travelling down the highway. All other gears shift like they are suppose to but not shifting to overdrive.
Tuesday, December 8th, 2020 AT 4:29 PM

3 Replies

Tiny
JACOBANDNICKOLAS
  • MECHANIC
  • 110,192 POSTS
Hi,

The first thing I need you to do is check transmission fluid level and condition.

Follow these directions for level testing.

Start engine and allow to idle for at least one minute. Then, with parking and service brakes applied, move selector lever momentarily to each position, ending in the park or neutral position.

See pic 1

7. Check the transaxle fluid level and add an appropriate amount to bring the transaxle fluid level to 3mm (1/8 inch) below the lowest mark on the dipstick (Fig. 213).
8. Recheck the fluid level after the transaxle has reached normal operating temperature (180°F.). Refer to Fluid Level and Condition Check for the proper fluid fill procedure.
9. To prevent dirt from entering transaxle, make certain that dipstick is fully seated into the dipstick opening.

__________________

When checking, make sure the fluid is a reddish pink color and doesn't have a burnt smell.

__________________

Do this first and let me know what you find. Also, let me know if there are any service lights staying on when the engine is running.

Take care,
Joe
Was this
answer
helpful?
Yes
No
Tuesday, December 8th, 2020 AT 5:44 PM
Tiny
REDBONE
  • MEMBER
  • 105 POSTS
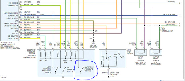
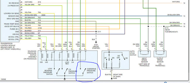
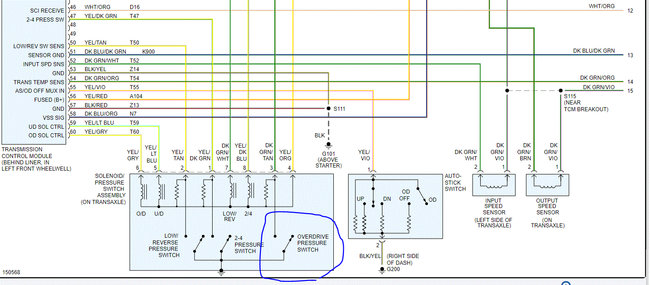
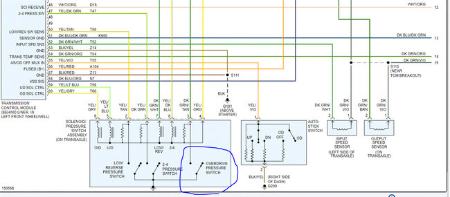
I checked all that and found out that the transmission is not shifting all gears. So, I was wanting if it could be the shift solenoid. I did an ohms test on pin #4 and pin #6 and my reading was 3.5. So, if the solenoid is good what else would be the problem? I also manually shift the gears and it didn't shift.
Was this
answer
helpful?
Yes
No
Thursday, December 10th, 2020 AT 3:47 PM
Tiny
JACOBANDNICKOLAS
  • MECHANIC
  • 110,192 POSTS
Hi,

If it isn't shifting into all gears, then it is likely a pressure issue, it could be a bad shift solenoid as you mentioned, a faulty torque converter clutch solenoid, and so on. What really needs to be done is to have the vehicle scanned with a scan tool that can read transmission codes. Otherwise, it will become a guessing game.

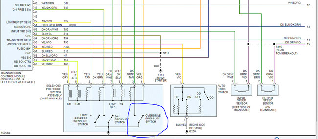
I attached a pic below. Are those the pins you are referring to?

Let me know if you can get your hands on a scanner that can read all codes. That will point us in the right direction.

Let me know.
Joe
Was this
answer
helpful?
Yes
No
Thursday, December 10th, 2020 AT 8:39 PM

Please login or register to post a reply.