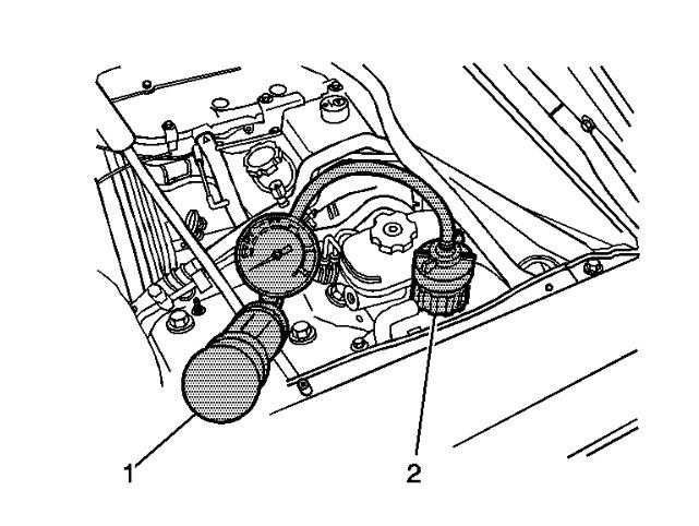
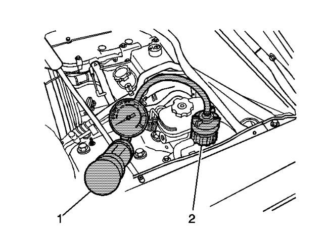
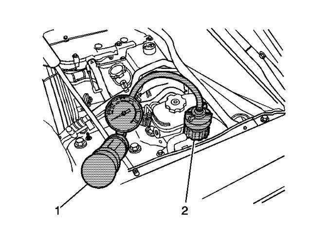
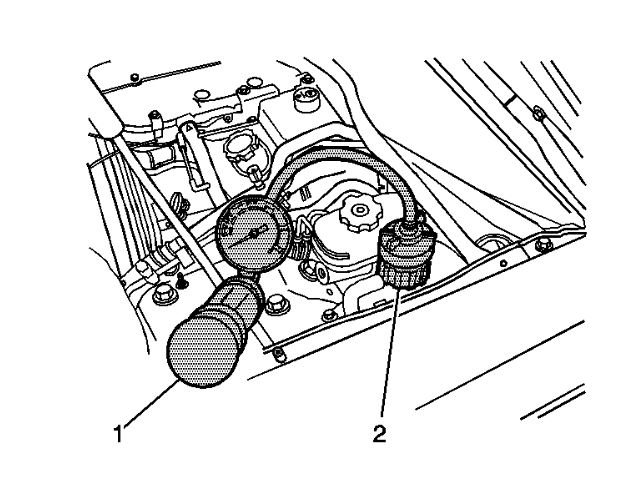
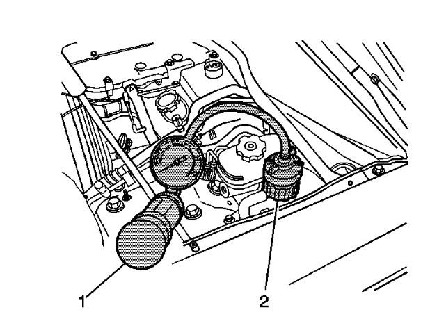
Sunday, March 1st, 2020 AT 12:34 AM
T started to run hot, I put some coolant inside because it was really low. Started it back up and it started to cool, but when I started to drive it went back to running hot then cooled off again then went back hot and my heater is blowing out cold air. This all just started was doing good up until now.







