Wednesday, July 10th, 2019 AT 4:30 PM
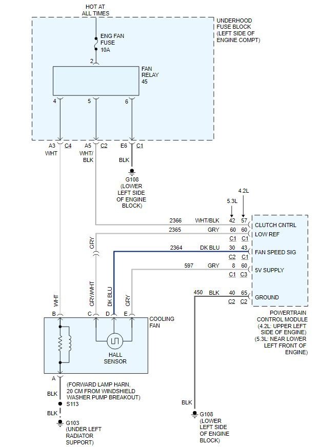
I'm on my last thread here. I put a new water pump, thermostat and serpentine belt on. I had AutoZone read my codes and the only thing that came was a code for the fan clutch wiring harness. New fan clutch was put in about four months ago. The fan never kicks in to high speed once it starts to over heat. Would fixing the wiring harness solve my issue or do I have a blown head gasket? I don't have smoke coming from tale pipe or engine, I also hear the radiator overflow tank making noises as if it is bubbling once it gets past a certain temperature. If you can help that would be great. I'm pretty desperate at this point.




