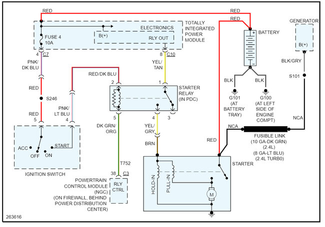
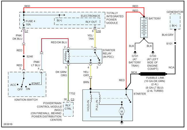
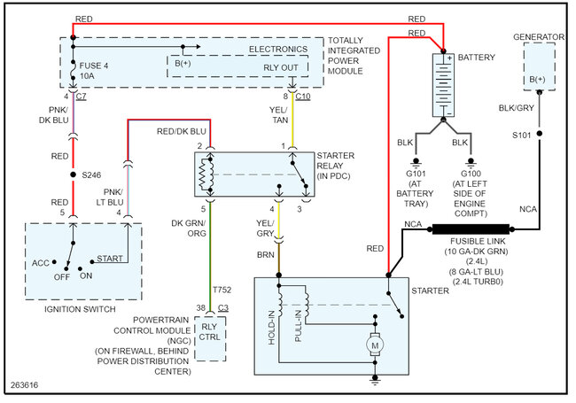
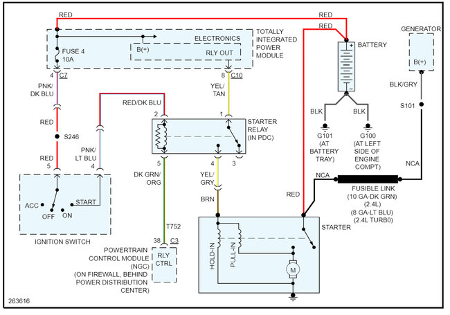
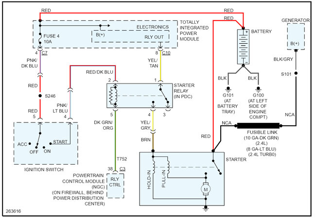
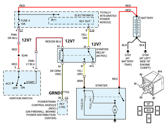
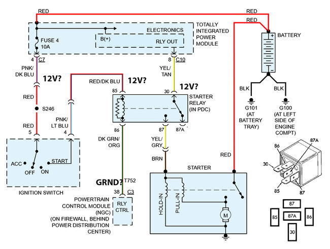
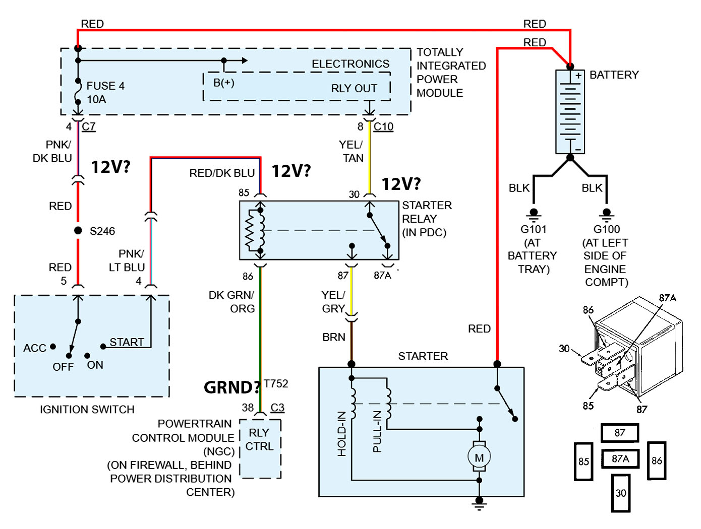
from the Fuse (No 12v at terminal 30 of CB).
The car will crank and start if relay jumped.
I see a point S123 that is going to be inside the fuse box, does anyone have a schematic of this fuse box (2008 Version)?
Does the Ignition Switch fuse supply voltage to other places not related to the starting circuit?
The reason I ask that, if while testing, applying the direct 12v, the panel showed "Low Oil" and that's not the case, so maybe that sensor is not getting voltage either. Thanks
Friday, August 18th, 2023 AT 6:39 AM






