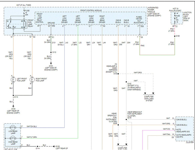
Monday, March 1st, 2021 AT 8:49 AM
I just changed the fuel injectors and put in new spark plugs yesterday. Today, the drivers side headlight keeps turning on and off when the car is off and there is a loud clicking in the engine area. Anyone know if maybe I crossed something?

