HOME
ASK A QUESTION
REPAIR GUIDES
BECOME A MEMBER
LOG IN
Login with Facebook
OR
Remember me
NOT A MEMBER?
FORGOT PASSWORD?
CONTACT US
PRIVACY POLICY
TERMS AND CONDITIONS
☰
Home
Oldsmobile
Silhouette
Suspension
Symptoms
Clunk
2000 Oldsmobile Silhouette Clunking noise in front end
TOM STOKES
MEMBER
2000 OLDSMOBILE SILHOUETTE
6 CYL
2WD
AUTOMATIC
86,000 MILES
Clunking noise mostly when turning
Saturday, March 27th, 2010 AT 12:02 PM
1 Reply
MERLIN2021
MECHANIC
17,250 POSTS
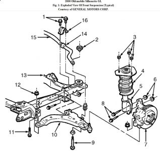
Check the lower control arm bushings, they were a bad design, and I have seen many of them!
Was this
answer
helpful?
Yes
No
Saturday, March 27th, 2010 AT 12:06 PM
Please
login
or
register
to post a reply.
Related Suspension Clunk Content
2000 Oldsmobile Silhouette Front End Issue
Sometimes The Abs And Tcs Lights Stay On. Also, When Wheel Is Turned Left Of Right, The Low Traction Light Will Come On Periodically....
Asked by
gaacker
·
2 ANSWERS
2000
OLDSMOBILE SILHOUETTE
Front End Vibration
I Have A 2001 Silhouette That Has A Severe Vibration When Under Torque. Vibration Is Also Relative To How Much Weight Is In The Passenger...
Asked by
Heftee
·
3 ANSWERS
2001
OLDSMOBILE SILHOUETTE
Frontend Shakes Bad When Accelerating At Speeds 35mph...
I've Replaced Both Front Tires, I've Had An Alignment, And Replaced The Hub On Right Front Wheel. Shaking Is Worse Now Then Before This...
Asked by
vaughnann
·
2 ANSWERS
2003
OLDSMOBILE SILHOUETTE
Ask a Car Question. It's Free!
Control Arm Bushing Replacement - Lower
Front Shock Absorbers Ford F-150
Shock Absorber Replacement