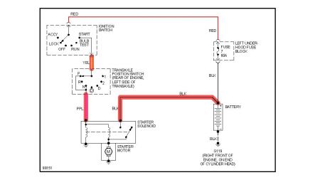
My 91 Oldsmobile 88 Royale 3.8L won't start. I charged the battery for a long time and even tried using a different battery but it still doesn't turn over. The lights turn on but when I turn the key there is no noise or anything. The starter was just replaced this winter so I don't think that's the problem. What do you think is wrong?
Friday, June 27th, 2008 AT 6:07 PM


