Crankshaft sensor location

Tiny
SHOP JET
  • MEMBER
  • 2002 OLDSMOBILE INTRIGUE
  • 6 CYL
  • FWD
  • AUTOMATIC
  • 200,087 MILES
Looking for the crank sensor?
Sunday, February 21st, 2010 AT 2:33 PM

11 Replies

Tiny
RASMATAZ
  • MECHANIC
  • 75,992 POSTS
Left side of engine,near base of engine oil level indicator.


https://www.2carpros.com/forum/automotive_pictures/12900_cs_2.jpg

Was this
answer
helpful?
Yes
No
+7
Sunday, February 21st, 2010 AT 5:57 PM
Tiny
KEITH_MANNKL
  • MEMBER
  • 6 POSTS
  • 2001 OLDSMOBILE INTRIGUE
  • 4 CYL
  • AUTOMATIC
How do u replace a crankshaft angel sensor for a 2001 oldsmobile intrigue?
Was this
answer
helpful?
Yes
No
+4
Saturday, June 20th, 2020 AT 10:42 AM (Merged)
Tiny
RASMATAZ
  • MECHANIC
  • 75,992 POSTS
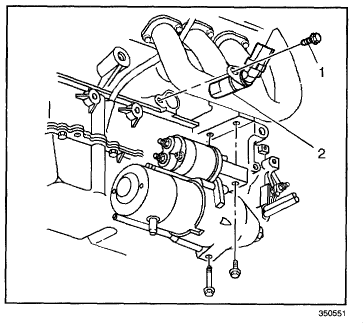
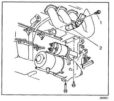
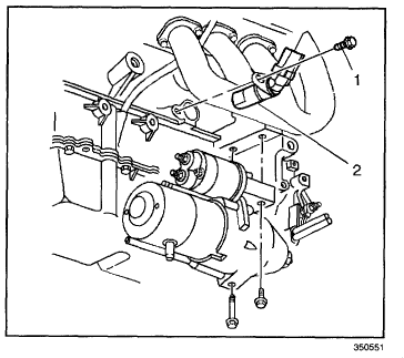
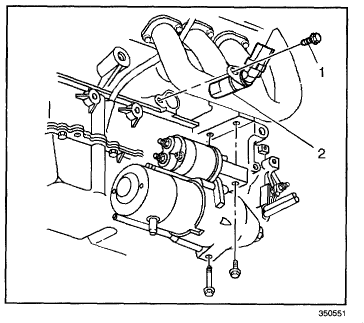
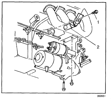
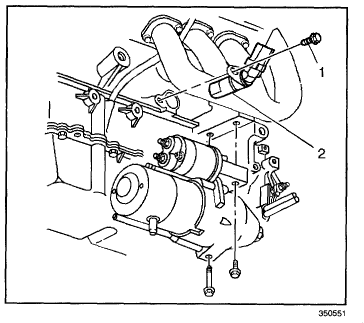
REMOVAL PROCEDURE

CAUTION: Refer to Battery Disconnect Caution in Service Precautions.
Disconnect the negative battery cable.
CAUTION: Refer to Vehicle Lifting Caution in Service Precautions.
Raise the vehicle.
Loosen or remove the starter motor (1) as necessary.
Disconnect the electrical connector from the crankshaft position (CKP) sensor (2).
Remove the CKP sensor mounting bolt (1).
Remove the CKP sensor (2) from the engine block:
Remove the sensor by pulling on the sensor connector.
Do not pry on the bracket. Do not rotate or twist the sensor or damage the mounting bracket if the sensor is being reused.
Was this
answer
helpful?
Yes
No
+6
Saturday, June 20th, 2020 AT 10:42 AM (Merged)
Tiny
AIDEN409
  • MEMBER
  • 1 POST
  • 2000 OLDSMOBILE INTRIGUE
Engine Mechanical problem
2000 Oldsmobile Intrigue 6 cyl Automatic

having difficulty finding the crankshaft positioning sensor and what I need to do to replace it.
Was this
answer
helpful?
Yes
No
+4
Saturday, June 20th, 2020 AT 10:42 AM (Merged)
Tiny
RASMATAZ
  • MECHANIC
  • 75,992 POSTS
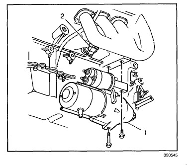
: Crankshaft Position (CKP) Sensor (3.5L VIN H) Left side of engine by the starter


https://www.2carpros.com/forum/automotive_pictures/12900_cps_45.jpg

Was this
answer
helpful?
Yes
No
+1
Saturday, June 20th, 2020 AT 10:42 AM (Merged)
Tiny
TINA BRAUN
  • MEMBER
  • 1 POST
  • 2000 OLDSMOBILE INTRIGUE
Engine Mechanical problem
2000 Oldsmobile Intrigue 6 cyl Automatic 108, 00 miles

I need to replace my crankshaft sensor. Can you tell me where it is and how to replace it
Was this
answer
helpful?
Yes
No
+1
Saturday, June 20th, 2020 AT 10:42 AM (Merged)
Tiny
BLUELIGHTNIN6
  • MECHANIC
  • 16,542 POSTS
It should be behind the left exhaust manifold above the starter. You might need to remove the starter to gain easy access. Disconnect the battery. Remove the worn plug into the sensor. Remove the bolt that is holding the sensor. You may have to wiggle the sensor at the base a bit as you pull it out. Replace with new and make sure it is pushed in all of the way. Replace the bolt, wire plug, starter (if was removed) and reconnect the battery.
Was this
answer
helpful?
Yes
No
+4
Saturday, June 20th, 2020 AT 10:42 AM (Merged)
Tiny
ROSEGRANT
  • MEMBER
  • 1 POST
  • 1999 OLDSMOBILE INTRIGUE
  • 6 CYL
  • FWD
  • AUTOMATIC
  • 1,200,000 MILES
How do I change a crankshaft sensor in an oldsmobile intrigue 1999 3.8L?
Was this
answer
helpful?
Yes
No
-1
Saturday, June 20th, 2020 AT 10:42 AM (Merged)
Tiny
JDL
  • MECHANIC
  • 16,098 POSTS
Hello,

The crankshaft angle sensor is in the lower part of the block here is a guide to show you the steps and a diagrams below to show you on your car.

https://www.2carpros.com/articles/crankshaft-angle-sensor-replacement

Check out the diagram (Below). Please let us know if you need anything else to get the problem fixed.
Was this
answer
helpful?
Yes
No
Saturday, June 20th, 2020 AT 10:42 AM (Merged)
Tiny
JEFF UHLES
  • MEMBER
  • 1 POST
  • 1998 OLDSMOBILE INTRIGUE
  • 2WD
  • AUTOMATIC
  • 185,000 MILES
So, the car was having a lot of trouble starting. We had to give it loads of gas to get it to do so and now it won't start at all but still cranks. The security light is generally on and sometimes is flashing which led me to believe it was the passlock system but the codes claim it's the crankshaft sensor, which we have purchased. The issue is that every video and guide I've viewed/read suggests that the sensor is behind the harmonic balancer and I see no easy way to get it off without an impact and a puller. Anyone know of ways to do this without the proper tools?
Was this
answer
helpful?
Yes
No
+3
Wednesday, October 7th, 2020 AT 11:54 AM (Merged)
Tiny
94 TRANSAM
  • MECHANIC
  • 680 POSTS
Hi and welcome.

As you can see in the diagram below, that is how it is done. Sorry for the bad news. Check out the diagrams (Below). Please let us know what happens.

Rich
Was this
answer
helpful?
Yes
No
+1
Wednesday, October 7th, 2020 AT 11:54 AM (Merged)

Please login or register to post a reply.