1998 Oldsmobile Cutlass cigarette lighter

Tiny
SKYPILOT54
  • MEMBER
  • 1998 OLDSMOBILE CUTLASS
  • 6 CYL
  • 2WD
  • AUTOMATIC
  • 30,000 MILES
The cigarette lighter has not worked since we bought the car a year ago. I have checked the fuse and it seems good. To be sure, where is the correct fuse for this car?
What could be other possibilities for the cigarette lighter not working?
Wednesday, August 12th, 2009 AT 6:13 PM

1 Reply

Tiny
RASMATAZ
  • MECHANIC
  • 75,992 POSTS
Thank you for the donation

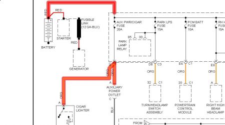
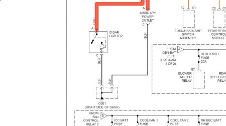
Check aux pwr/cigar fuse 20 amp if okay the orange wire between the lighter assy and the fuse could be open and also the cigar lighter assy to incude an open ground on the black wire to G201-SEE below


https://www.2carpros.com/forum/automotive_pictures/12900_cigar1_1.jpg




https://www.2carpros.com/forum/automotive_pictures/12900_cigar2_1.jpg

Was this
answer
helpful?
Yes
No
-2
Wednesday, August 12th, 2009 AT 6:33 PM

Please login or register to post a reply.