firing order

1993 OLDSMOBILE CIERA
189,000 MILES • 6 CYL • 2WD • AUTOMATIC
Avatar
JOEYCOLL007
  • MEMBER
  • 1 POST
I had some kids switch the wires around can u tell me which plug wires go to which hook up on the distributor? ty..
Feb 4, 2009 at 6:36 AM
Advertisement
Avatar
MMPRINCE4000
  • CAR REPAIR CONTRIBUTOR
  • 8,548 POSTS
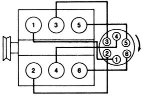
Check out the diagrams (Below). Please let us know if you need anything else to get the problem fixed.


https://images.2carpros.com/forum/automotive_pictures/108325_33_order_1.jpg

Feb 4, 2009 at 6:53 AM
Advertisement
Avatar
GLOCKCRAZY
  • MEMBER
  • 1 POST
HELP I had someone rip all the spark plugs wires off my car. I guess this is some kind of fun joke. Well I went out and got a book and he showed me the firing order 123456 in a right hand motion with #1 wire at the 1 o'clock position. When I start the car it does start it isn't running correctly I pulled the spark plugs and 3 were fried off after just a few minutes. I put new plugs in and stared it again and I'm getting the same results Is his he correct firing order? thanks
Jul 15, 2019 at 3:47 PM (Merged)
Avatar
JDL
  • CAR REPAIR CONTRIBUTOR
  • 16,098 POSTS


https://images.2carpros.com/forum/automotive_pictures/170934_plug_wires_1.jpg

The picture is for the 2.8v6 and the firing order is 123456, the 135 bank is the rear bank.
Jul 15, 2019 at 3:47 PM (Merged)
Repair Safety Notice: This information is for general instructional purposes only. Vehicle repair can be dangerous. Verify all information, follow manufacturer service procedures, use proper tools and safety equipment, and consult a qualified repair shop when needed.