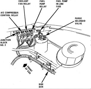
1988 Oldsmobile Ciera 6 cyl Two Wheel Drive Automatic
The fan does not come on. Where can I find the 1) temp sensor, 2) fan relay, 3) fan switch? Is there anything else I should be looking at? Thank you for your help ! !
Saturday, July 17th, 2010 AT 2:50 PM

