HOME
ASK A QUESTION
REPAIR GUIDES
BECOME A MEMBER
LOG IN
Login with Facebook
OR
Remember me
NOT A MEMBER?
FORGOT PASSWORD?
CONTACT US
PRIVACY POLICY
TERMS AND CONDITIONS
☰
Home
Oldsmobile
Alero
Electrical
BCM
Location
2002 Oldsmobile Alero Body control module
DANIEL STRATTON
MEMBER
2002 OLDSMOBILE ALERO
6 CYL
FWD
AUTOMATIC
191,000 MILES
Where is this part located in my car?
Please help me. I am currently unemployee and can't donate anything at this time. I am sorry.
Sunday, September 14th, 2008 AT 7:03 AM
1 Reply
MERLIN2021
MECHANIC
17,250 POSTS
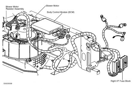
Behind the right side of the dash, near the blower motor, but it needs to be programmed by the dealer anyway.
Was this
answer
helpful?
Yes
No
+7
Sunday, September 14th, 2008 AT 7:40 AM
Please
login
or
register
to post a reply.
Related Electrical BCM Location Content
3400,v6 Engine,my Bcm Keeps Going Out,what Would Make...
I Can Replace The Bcm, And Go Thru The Process For The Security Light With The Ign. Switch And It All Sets Up Then After Startin A Time Or...
Asked by
jmmjbn
·
16 ANSWERS
1 IMAGE
2004
OLDSMOBILE ALERO
Bcm Trouble Codes
Where Can I Find Bcm Trouble Codes So I Can Cross Refference What All My Codes Are. Ones Like: B3267, U1016, C1257. This Is Only 3 Of Like...
Asked by
cobrala24
·
1 ANSWER
2000
OLDSMOBILE ALERO
Auto Tech Reaching Out For Help New Bcm Set Up Com.
I Am New To This Site Just Need To Pick Some One Elses Brain Need Outside View I Must Be Over Looking Something Right In Front Of My Face...
Asked by
24banshee24
·
4 ANSWERS
OLDSMOBILE ALERO
2001 Oldsmobile Alero Body Control Module
I Was Told By Gm Dealer The Body Control Module Was Bad And My Question Is Can I Buy A Used Module To Replace It Or Does It Need To Be A New...
Asked by
mrandol16
·
1 ANSWER
2001
OLDSMOBILE ALERO
Bcm?
Electrical Problem 2001 Oldsmobile Alero 4 Cyl Front Wheel Drive Automatic The Headlights, Radio And Dash Indicators Do Not Operate...
Asked by
trump48
·
1 ANSWER
2001
OLDSMOBILE ALERO
VIEW MORE
Ask a Car Question. It's Free!
How to Clear a Check Engine?
Code Read Retrieval/Clear - Dodge Stratus
What to Do When a Check Engine Light?