2001 Oldsmobile Alero heater fan has lost low speeds / only

Tiny
BRUCE SWARTS
  • MEMBER
  • 2001 OLDSMOBILE ALERO
  • 6 CYL
  • 2WD
  • AUTOMATIC
  • 130,000 MILES
The heater fan has lost low speeds / only high works could this be the switch or the fan its self?
Saturday, December 29th, 2007 AT 2:07 PM

10 Replies

Tiny
BMRFIXIT
  • MECHANIC
  • 19,053 POSTS
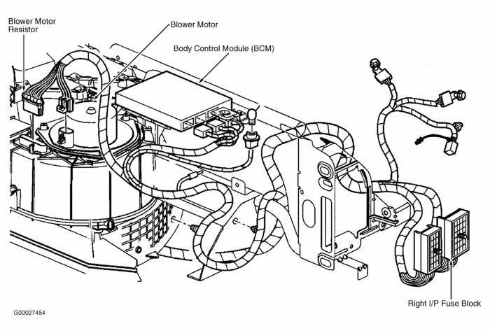
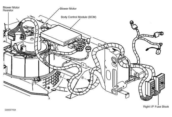
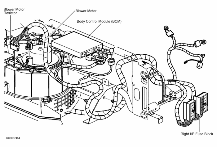
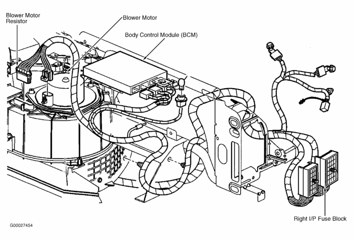
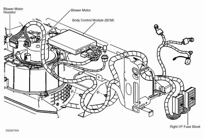
You need a speed control resister for the blower motor
Was this
answer
helpful?
Yes
No
Saturday, December 29th, 2007 AT 2:12 PM
Tiny
RASMATAZ
  • MECHANIC
  • 75,992 POSTS
The blower motor is fine other wise it won't be operating on high speed your culprit here 90% of the time is the blower motor resistor.
Was this
answer
helpful?
Yes
No
Saturday, December 29th, 2007 AT 2:12 PM
Tiny
RASMATAZ
  • MECHANIC
  • 75,992 POSTS
BMR

Love your car is it a 1971 Chevelle SS 454?
Was this
answer
helpful?
Yes
No
Saturday, December 29th, 2007 AT 2:16 PM
Tiny
BMRFIXIT
  • MECHANIC
  • 19,053 POSTS
Its not the real thing
but very close to it
2 year working on it and its not done yet
thank you!
Was this
answer
helpful?
Yes
No
Sunday, December 30th, 2007 AT 12:01 AM
Tiny
RASMATAZ
  • MECHANIC
  • 75,992 POSTS
I used to owned a 68 with a 409 in it, also the 71 SS 454 like the pic. I modified the 68 from a 307 original engine to the 409. I bought both of them new. Brings back memories. 39yrs back-I should have kept it but the military keep moving me around.
Was this
answer
helpful?
Yes
No
-1
Sunday, December 30th, 2007 AT 12:37 AM
Tiny
BMRFIXIT
  • MECHANIC
  • 19,053 POSTS
Wow! Nice car! Know what you mean though about the military my sister in the process of going from oklahoma to Alaska! Fun fun!
Was this
answer
helpful?
Yes
No
Sunday, December 30th, 2007 AT 6:57 PM
Tiny
JERRY Z
  • MEMBER
  • 4 POSTS
I have same car. Had same thing happen to me. Easy fix, get resistor. It is up under the dash on the passenger side. It has 4 sets of resistance so the one or two that get the hottest burn out first. There is one screw that I couldn't get back in after replacement, but it works fine without it. That is a common problen so evryone has the part.
Was this
answer
helpful?
Yes
No
Tuesday, January 1st, 2008 AT 7:28 PM
Tiny
FZ
  • MEMBER
  • 1 POST
Jerry Z thanks for your reply, I think that I might have the same issue as you. Could you tell me exactly under the dash board is that located. I cant find it and picture would be wonderful and a part number. Thanks a bunch.
Was this
answer
helpful?
Yes
No
Friday, February 15th, 2008 AT 6:13 PM
Tiny
SCHNEIDER325
  • MEMBER
  • 1 POST
I'm having the same issue, and was wondering if anyone could reply to the last post, with the pn and exact location.

Thanks!
Was this
answer
helpful?
Yes
No
Wednesday, December 15th, 2010 AT 10:49 PM
Tiny
BMRFIXIT
  • MECHANIC
  • 19,053 POSTS
Below right side of dash
Was this
answer
helpful?
Yes
No
+2
Thursday, December 16th, 2010 AT 2:00 AM

Please login or register to post a reply.