2001 Oldsmobile Alero Heater Control Switch

Tiny
LILQTEE469
  • MEMBER
  • 2001 OLDSMOBILE ALERO
  • 6 CYL
  • FWD
  • AUTOMATIC
  • 64,000 MILES
How do you change a heater control switch? And will a 2004 model switch fit my 2001?
Saturday, January 16th, 2010 AT 8:26 AM

3 Replies

Tiny
KHLOW2008
  • MECHANIC
  • 41,814 POSTS
Hi lilqtee469,

Thank you for the donation. Here are the procedures for replacing the control panel.

Removal & Installation

1. Remove ignition switch bezel using small flat-blade screwdriver.
Remove instrument panel accessory trim plate from instrument panel, by pulling from storage compartment to release retainers.
Disconnect lighter and hazard warning switch electrical connectors.
Remove instrument panel accessory trim plate.

2. Remove 2 control assembly retaining screws.
Pull control assembly out and disconnect electrical and vacuum connectors.
Remove control assembly.
To install, reverse removal
procedure.

From our database, the control is interchangeable between 2001 and 2004.
Was this
answer
helpful?
Yes
No
Sunday, January 17th, 2010 AT 12:18 PM
Tiny
MIKEY LOCKWOOD
  • MEMBER
  • 1 POST
How do you reconnect the vacuum lines for the heater control switch? I was trying to replace my radio and thought I had to take that out and I pulled on the wire and hoses I hear air and now I don't have heat it's freezing out. Any ideas 2005 Oldsmobile Alero?
Was this
answer
helpful?
Yes
No
Friday, January 21st, 2022 AT 7:23 PM
Tiny
JACOBANDNICKOLAS
  • MECHANIC
  • 110,194 POSTS
Hi,

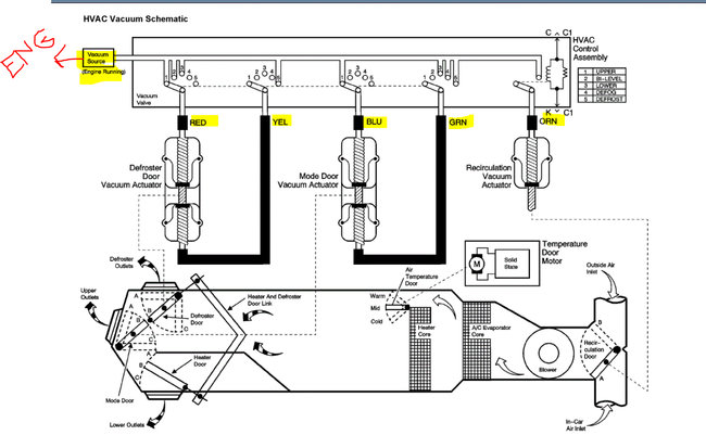
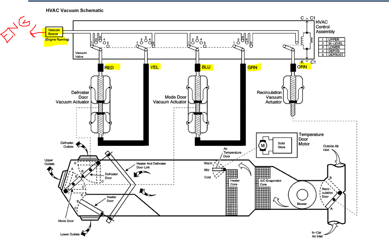
On the rear of the controller, you will see where the vacuum hoses attach. The hoses are identified by color.

Pic 1 below shows how they attach to the rear of the controller. The arrow I added is the vacuum supply from the engine.

The bottom of the pic indicates where the hoses go. Take a look through this and let me know if this helps.

Take care,

Joe
Was this
answer
helpful?
Yes
No
+1
Sunday, January 23rd, 2022 AT 7:43 PM

Please login or register to post a reply.