Stumble and loss of power

Tiny
SPOILER
  • MEMBER
  • 1999 OLDSMOBILE ALERO
  • 6 CYL
  • FWD
  • AUTOMATIC
  • 74,000 MILES
I am having a new problem with my car that has me stumped. The other morning on the way to work I was accelerating onto the entrance ramp to the freeway, where the car usually shifts into 3rd gear (automatic trans) it started to act like it was going to stall. It never did but the tachometer was going crazy bouncing around between 2500 and 3000 rpm and it started acting jerky. I was about to pull over when I took my foot off the accelerator the gear finally changed properly. I can get up to highway speeds but only gradually as going into 3000rpms seems to trigger this happening. It is now happening every time I drive. I listened for vacuum leaks but cant find any. About a week ago I changed the front CV axles and wheel hub assemblies due to various front end problems. Just a coincidence I suppose, one thing after another with this car.
Recent things I have done to this car:
-new coils, plugs and wires (6 months ago)
-replaced upper and lower intake gaskets (6 months ago)
-convert from dex-cool to multi coolant(6 months ago)
-CV axles and bearings (1 week ago)
-front and rear brake pads and rotors
-Tune up (3weeks ago)

Any help before I go spending a bunch more money trying to solve this new issue would be greatly appreciated.
Thanks
Sunday, September 28th, 2008 AT 11:01 AM

29 Replies

Tiny
MERLIN2021
  • MECHANIC
  • 17,250 POSTS
If you think it's tranny related, is the service engine soon light on? If yes read the codes with an OBDII scanner, most tell you the codes and some give a deffinition, Autozone will do it free, and if you prefer to have one for yourself we sell sevral good ones. Follow the link, then post the codes.
Was this
answer
helpful?
Yes
No
Sunday, September 28th, 2008 AT 11:09 AM
Tiny
SPOILER
  • MEMBER
  • 10 POSTS
Thanks for replying. Actually I have no warning lights showing on the dash. I have read several articles on MAF sensors that claim if they are going bad they won't always show a code or set off the MIL. I am trying to avoid replacing things because they might or might not be the culprit. If there are no lights showing on the dash, will the diagnostics still throw a code?
Was this
answer
helpful?
Yes
No
+1
Sunday, September 28th, 2008 AT 11:32 AM
Tiny
SPOILER
  • MEMBER
  • 10 POSTS
Well I'm convinced the transmission is not the culprit since I was able to repeat the issue while in park in the driveway. Wwhile idling I can hit the gas to 3000 rpm and it starts to cut out. I will be taking it to autozone later for a diagnostic test.
Was this
answer
helpful?
Yes
No
Monday, September 29th, 2008 AT 5:42 AM
Tiny
SPOILER
  • MEMBER
  • 10 POSTS
Ok, so today I went to autozone and had the obd tested. Since there was no CEL or anything all I could check was a pre-code. It showed pre-code Random/Multiple Cylinder Misfire Detected but no numbers i.E P0300 etc. Still no real info to go by, it was quite obvious there was some misfiring going on but as to the cause *shrugs*. I just can't seem to figure out why it only happens at a certain load/rpm's. Possibly the cam position sensor on it's way out? Dunno.
Was this
answer
helpful?
Yes
No
Monday, September 29th, 2008 AT 4:18 PM
Tiny
MERLIN2021
  • MECHANIC
  • 17,250 POSTS
It is true that somtimes sensors operate just under the radar as far as codes go, and dealers often replace parts just as a trial. Try a voltmeter on the TPS and check for smooth operation. TPS should start out low and go to 4.5 volts at WOT. I have alo seen MAF sensors go bad as you said, but they usually show up as a tugging feeling at 50-60 mph.
Was this
answer
helpful?
Yes
No
Monday, September 29th, 2008 AT 4:30 PM
Tiny
SPOILER
  • MEMBER
  • 10 POSTS
Ok, took a while to get back to this issue due to other new problems that came up. Anyway, I tested the TPS and it does get 4.5 volts on the output line at WOT. Any other ideas? Just for the heck of it, I just tried running it with the MAF sensor harness disconnected and I get the same result so I guess I can rule that out as well.
Was this
answer
helpful?
Yes
No
Wednesday, October 8th, 2008 AT 3:16 PM
Tiny
MERLIN2021
  • MECHANIC
  • 17,250 POSTS
You can try having a look at the connector at the transmission, sometimes they are loose and water can get in, pull it apart and check for corrosion, and bent or pushed out pins. Also try unplugging the a/c compressor, it may not be shutting off under heavy acceleration.
Was this
answer
helpful?
Yes
No
-1
Thursday, October 9th, 2008 AT 5:16 PM
Tiny
JRHAGEMAN
  • MEMBER
  • 2 POSTS
Did you ever get it figured out I have the exact same problem Spent lots of money replacing things and having no luck?
Was this
answer
helpful?
Yes
No
Friday, February 6th, 2009 AT 12:15 AM
Tiny
MO2002ALERO
  • MEMBER
  • 5 POSTS
I know this is an old thread here, but I have the same problem on my 2002 Alero 3.4L w/92k. Exact same problem and the solution is missing to this thread. Any help would be appreciated.
Was this
answer
helpful?
Yes
No
-1
Thursday, March 4th, 2010 AT 1:43 PM
Tiny
JRHAGEMAN
  • MEMBER
  • 2 POSTS
I had mine in the shop 6 times and it cost me just under $3000 they replaced everything and I mean everything and still didn't fix it then they told me I would need to rebuild engine because it needed new crankshaft, so I finally to it to the wrecking yard and they put another engine in it from a totaled car that ran good with 38000 miles and they did the whole job for $1900 after everything was said and done I spent 6 months and $5000 just so I could sell it for $4700 it get rid of it ! I WILL NEVER BUY A OLDSMOBILE AGAIN ! I went and bought a new Hyundai Sonata and couldn't be happier. So good luck with that piece of garbage because I never did find out exactly what the problem was.
Was this
answer
helpful?
Yes
No
-1
Thursday, March 4th, 2010 AT 6:02 PM
Tiny
MERLIN2021
  • MECHANIC
  • 17,250 POSTS
May have an answer for you all, there is a tech bulliten about the knock sensor retarding timing. INTERMITTENT HESITATION OR LACK OF POWER ON ACCEL TECHNICAL SERVICE BULLETIN Reference Number(s): 99-06-04-050, Â Date of Issue: Â October, 1999 Related Ref Number(s): 99-06-04-050 ARTICLE BEGINNING INTERMITTENT HESITATION OR LACK OF POWER ON ACCELERATION (REPROGRAM PCM) Model(s): 1999 Oldsmobile Alero 1999 Pontiac Grand Am Section: 06 - Engine/Propulsion System Bulletin No: 99-06-04-050 Date: October, 1999 CONDITION Some owners may comment about an intermittent hesitation or lack of power on acceleration. The malfunction indicator lamp (MIL) will not be illuminated, and no codes will be stored. If ESC spark advance is monitored with a TECH II scan tool during the condition, a reduction in ESC spark advance (typically 14-19 degrees) will be observed. CAUSE Condition may be caused by the knock sensor interpreting normal engine harmonics as combustion detonation. CORRECTION A revised calibration has been released to correct this concern. Reprogram the PCM using the correct calibration listed below.
Was this
answer
helpful?
Yes
No
+7
Friday, March 5th, 2010 AT 5:12 PM
Tiny
MO2002ALERO
  • MEMBER
  • 5 POSTS
My catalytic converter was clogged completely. The muffler shop said this is a common problem with the 3.4 L engines, due to anti-freeze leaking into the exhause and clogging the catalytic converter. I had them replace it with a new one and the car runs great again!
Was this
answer
helpful?
Yes
No
-1
Monday, March 8th, 2010 AT 11:16 AM
Tiny
MERLIN2021
  • MECHANIC
  • 17,250 POSTS
Did you repair the antifreeze leak? Intake manifold or head gasket? If not, it will happen again, soon! BTW if that is the reason your cat was clogged, you should have been seeing white smoke from the tailpipe.
Was this
answer
helpful?
Yes
No
Tuesday, March 9th, 2010 AT 2:11 PM
Tiny
PORSCHE74
  • MEMBER
  • 1 POST
Hello. I have a 99 alero with what sounds like the same problem as the other guys and gals. I have replaced everything under the sun. It idles rough and when I get to about 65mph and the car goes into overdrive it hesitates and stumbles. Then it will go into a lower gear and will be fine. I'm going to my local dealer on Wed. Can you please post the info to give to the dealer to see if what you stated is the solution. If this works you would be my hero. Thank you
Was this
answer
helpful?
Yes
No
-1
Thursday, April 1st, 2010 AT 11:04 PM
Tiny
MO2002ALERO
  • MEMBER
  • 5 POSTS
I made no repairs to the vehicle, aside from having the Cat replaced. Never had any white smoke, nor has my antifreeze ever needed topped off in the 2 yrs I've owned.

I haven't verified this, but the muffler shop owner stated this was a common problem with the 3.4L engins that was fixed by a recall. The recall resolved the issue with the leaking anti-freeze, but they did nothing with the CAT. So after time, the CAT would completely clog and need replaced.

I can say indefintely, this resolved my issue and my Alero has been running like a top again. My power and gas mileage have returned to normal and all hesitation went away with the old CAT.
Was this
answer
helpful?
Yes
No
Friday, April 2nd, 2010 AT 7:29 AM
Tiny
GOIONGPOSTAL08
  • MEMBER
  • 2 POSTS
I have an automatic transmission but, the problem sounds about the same. I have noticed, when I'm driving @2000RPMs, the car seems to kind of "scoot" until it reaches 70 mph. After that, the car runs as good as gold. There are no strange noises or smells. What could it be?
Was this
answer
helpful?
Yes
No
Thursday, June 17th, 2010 AT 7:23 PM
Tiny
MERLIN2021
  • MECHANIC
  • 17,250 POSTS
3.4 engines are known to be good tough engines, most often the intake manifold gaskets are the problem spot. This might explain why one of our posters had to replace a cat. Check for vacuum leaks at intake manifold with carb spray, direct the stream onto the mating surface to the heads and the manifold, if there is a leak, the idle speed will change when the cleaner hits the spot. If you suspect the cat is already clogged, you can rent the pressure tester that screws into an 02 sensor. Anything above 2 psi is a clogged exhaust system.
Was this
answer
helpful?
Yes
No
Friday, June 18th, 2010 AT 9:01 AM
Tiny
TSTRBOY2004
  • MEMBER
  • 1 POST
Clogged catalytic converter.

My wifes impala did this and after trying our best to diagnose it (owned a repair shop) we called the dealer to pick their brains for confirmation and found the converter was covered under warranty so they replaced it. Fixed our issue.

Which basically under load like up a small incline it would cut almost all power and I could get out and run faster.

I am now working on a 2002 Alero that has the same symptoms and it has the same converter assembly. And it is smoking hot after driving it.

Thats my advice
Was this
answer
helpful?
Yes
No
Tuesday, September 21st, 2010 AT 8:07 PM
Tiny
MERLIN2021
  • MECHANIC
  • 17,250 POSTS
There are several ways to check bad converters, one is to listen for rattles under the car about where the drivers seat is, this is a broken converter bed, the next is to use a vacuum gauge attached to the intake manifold, raise the idle to 2000 rpm, if it remains steady it's OK if vac gauge starts to drop, the exhaust is clogged, indicating a bad converter. Last is a back pressure gauge, unscrew an O2 sensor ahead of the converter screw in the gauge, start the car, if pressure is greater than 2 psi, the cat is bad.
Was this
answer
helpful?
Yes
No
+1
Friday, September 24th, 2010 AT 2:47 PM
Tiny
STEVEN HUTCHISON
  • MEMBER
  • 1 POST
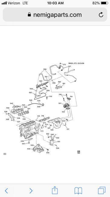
I just replaced my MAP sensor hose vacuum line and it was the culprit. It’s about a 4 inch fitted rubber hose in the front of the engine right about in the center. Here is a picture of the part (#517)
Was this
answer
helpful?
Yes
No
Friday, August 2nd, 2019 AT 9:59 AM

Please login or register to post a reply.