1996 Oldsmobile 98 6 cyl Front Wheel Drive Automatic
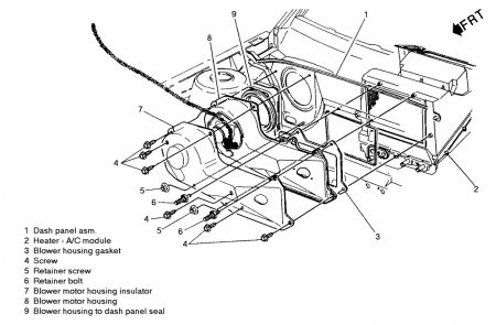
What is this tube attached to the blower motor called, what does it do and how do I attach it. I took this off and the smaller plastic tube inside it that was connected to the blower broke, so now I cant connect these two pieces.

Thursday, May 6th, 2010 AT 3:22 PM


