There are loose wires everywhere?

Tiny
OLLIE2022
  • MEMBER
  • 1994 DODGE RAM
  • 5.9L
  • V8
  • 2WD
  • AUTOMATIC
  • 300,000 MILES
By the hitch and on the passenger rear green, blue, yellow, and black wires with no connection like someone cut them? Is there a diagram for this?
Friday, December 2nd, 2022 AT 10:41 AM

1 Reply

Tiny
JACOBANDNICKOLAS
  • MECHANIC
  • 110,194 POSTS
Hi,

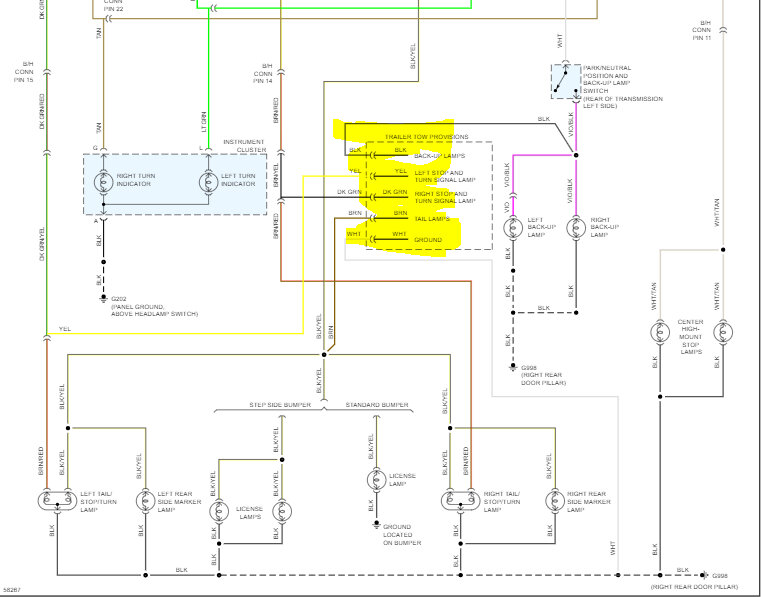
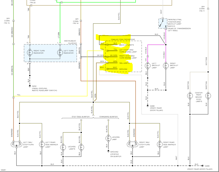
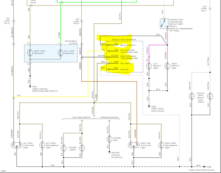
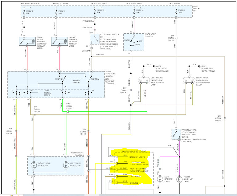
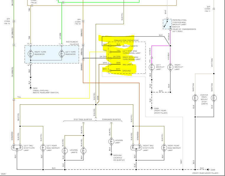
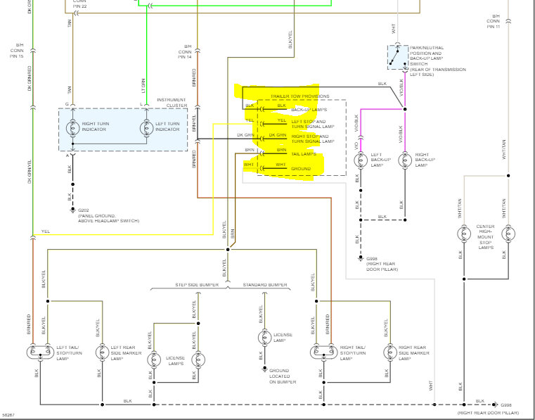
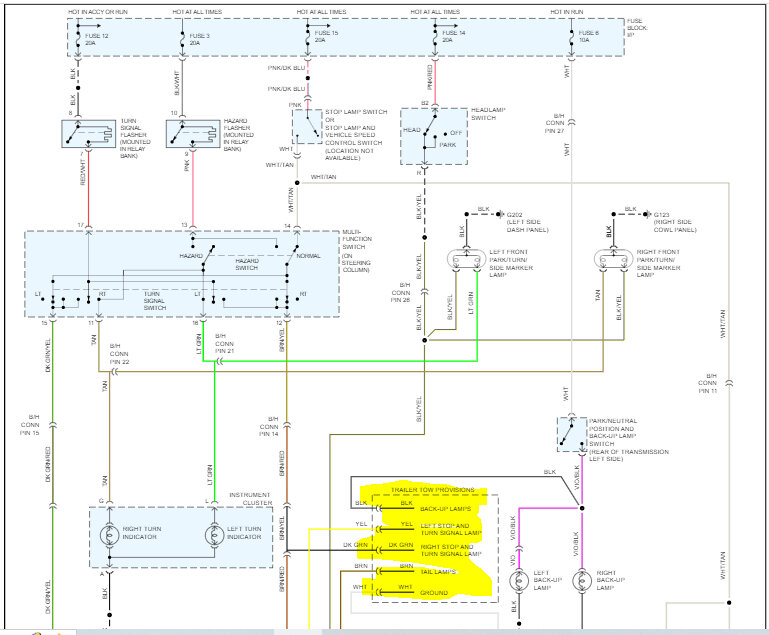
Black is the reverse lamps, yellow is for the left signal and stop lamp, and dark green is for the right-side signal and stop lamp.

I am not seeing a blue wire. There should be a white wire for ground and a brown wire for the parking lamps.

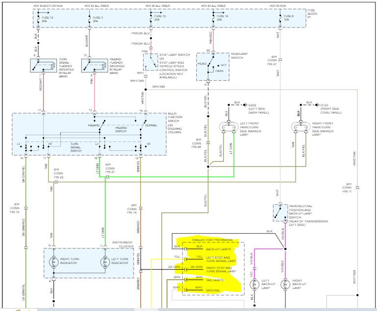
I attached the entire exterior lighting circuits below. See pics 1 and 2. I also zoomed in on the trailer wiring in pic 3. Confirm there is a blue wire. If there is, turn the parking lamps on and see if there is power to it which turns off when the lamps are turned off.

Let me know what you find. Also, here is a link you may find helpful:

https://www.2carpros.com/articles/how-to-check-wiring

Take care,

Joe

See pics below.

Was this
answer
helpful?
Yes
No
Friday, December 2nd, 2022 AT 11:11 PM

Please login or register to post a reply.

Related General Content