Start keeps going

1985 FORD E-SERIES VAN
80,000 MILES • 4.6L • V8 • AUTOMATIC
Avatar
DEDRI ANN WHITE
  • MEMBER
  • 17 POSTS
Okay, so originally thought one of the starter solenoids went bad, replaced it,but didn't solve issue,replaced starter, (when removed old one was so bad surprised it started at all). so now still when i go to start it the starter keeps going, don't know if i wired it back wrong. also thought it had 2 solenoids, one for the main starter and the other a backup emergency start one, but now not sure. I am so lost as to what wire goes where now and i am stuck in a parking lot for a week now. please, please help before i get towed.

It is not a van,it is a Ford Tioga Arrow by Fleetwood e350 460 engine.
Sep 13, 2020 at 5:22 PM
Advertisement
Repair Safety Notice: This information is for general instructional purposes only. Vehicle repair can be dangerous. Verify all information, follow manufacturer service procedures, use proper tools and safety equipment, and consult a qualified repair shop when needed.
Avatar
JACOBANDNICKOLAS
  • AUTOMOTIVE REPAIR CONTRIBUTOR
  • 110,190 POSTS
Hi,

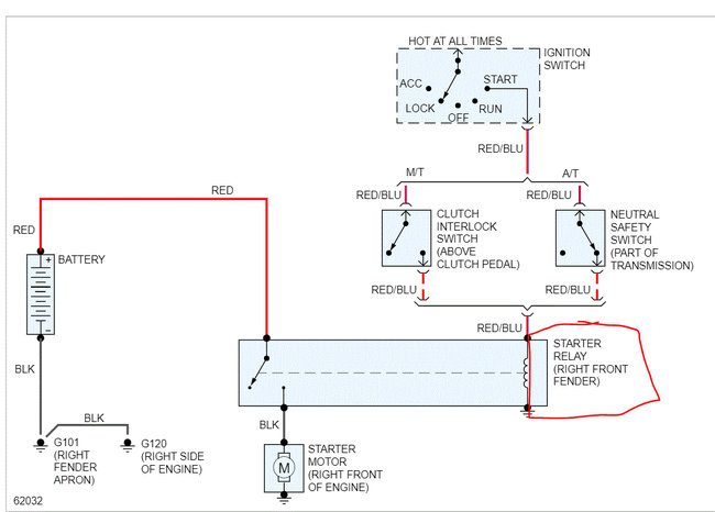
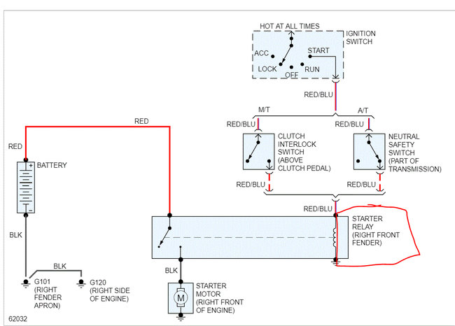
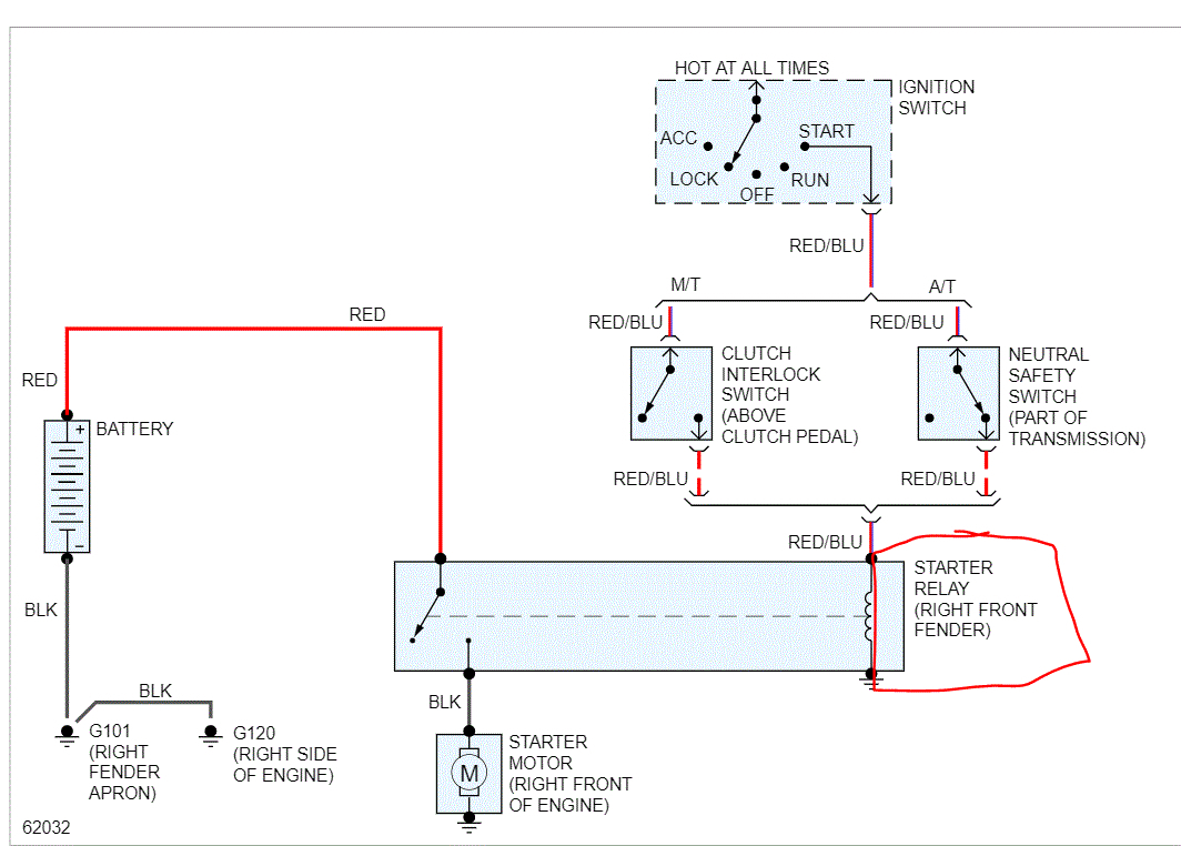
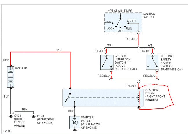
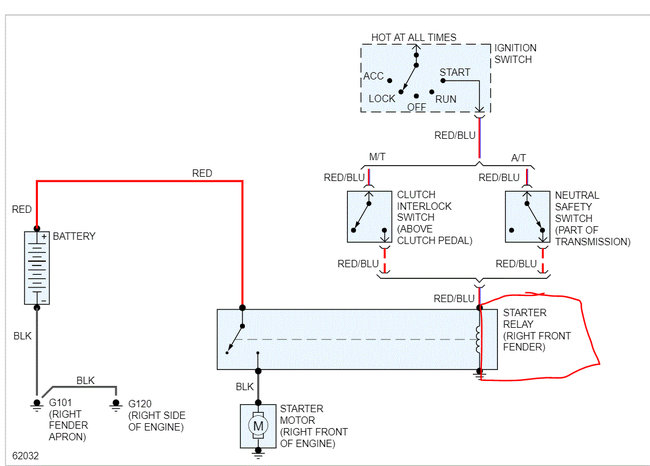
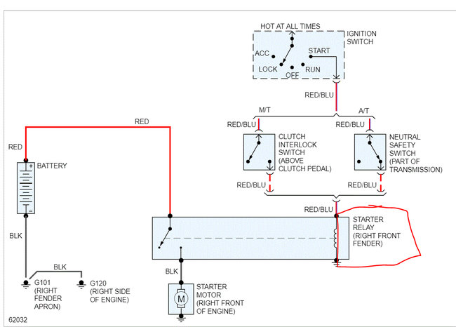
Is the starter staying engaged until the battery is disconnected? I attached a picture below of the starting system. If you are getting power at all times, disconnect the red wire with a blue tracer and see if it stops it from engaging. That is the trigger wire from the key. Low voltage goes to it causing the relay to close the circuit and send power to the starter motor. When the power is removed from that wire, the contacts in the relay open and the starter should stop.

Please understand, I don't have the schematics for your specific vehicle. The ones I attached are for a 1985 E350. It sounds like what you have has had a different body installed on the E350 chassis, so the wiring should be the same for this.

Let me know. Also, if the start does stop with that wire disconnected, check to see if there is power to that wire at all times. If there is, we need to check for a short to power or the ignition switch.

Take care,
Joe
Sep 13, 2020 at 6:28 PM