How to change the oil pump?

Tiny
GGIST42
  • MEMBER
  • 1991 FORD RANGER
  • 4.0L
  • V6
  • 4WD
  • MANUAL
  • 188,094 MILES
How do I change the oil pump on the truck listed above?
Wednesday, February 23rd, 2022 AT 10:50 AM

1 Reply

Tiny
AL514
  • MECHANIC
  • 5,595 POSTS
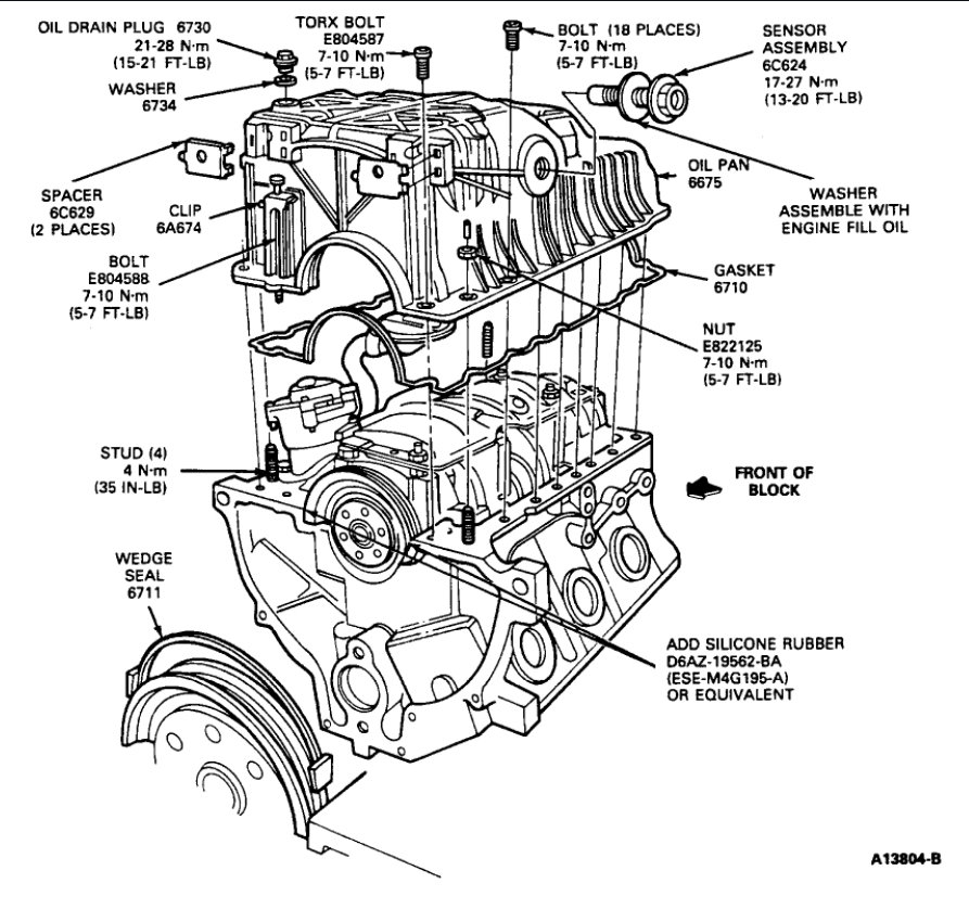
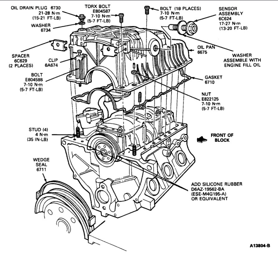
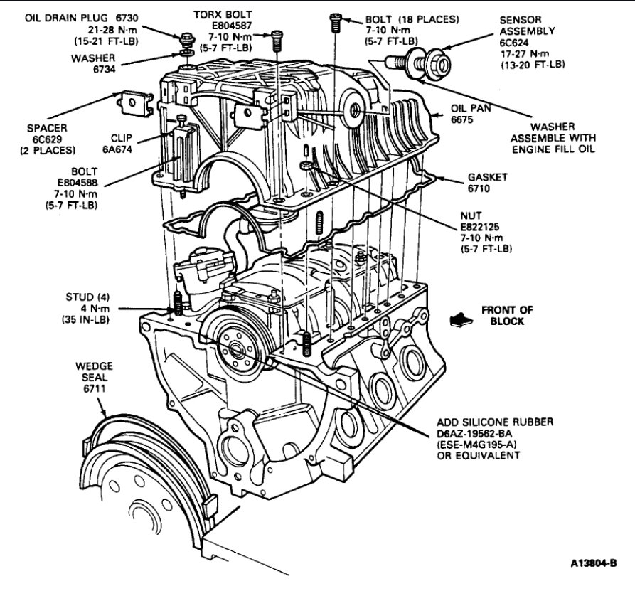
Hello, unfortunately with these trucks you need to remove the engine from the vehicle, and flip it upside down, remove the oil pan, then you can get to the oil pump, and the oil pump must be primed by filling it threw the inlet or outlet port of the oil pump. I own one of these, a 2001 and they are really difficult to work on. One of the timing chains (the passenger side) camshaft chain is on the rear of the engine. Just to do that one chain the engine needs to be removed. I will post the beginning instructions and let me know if you're going to do the front and rear main seals while the engine is out. I will be doing this for the timing chains set very soon as well, not looking forward to it.

https://www.2carpros.com/articles/high-or-low-engine-oil-pressure
Was this
answer
helpful?
Yes
No
Wednesday, February 23rd, 2022 AT 12:16 PM

Please login or register to post a reply.