Thursday, October 31st, 2019 AT 9:48 PM
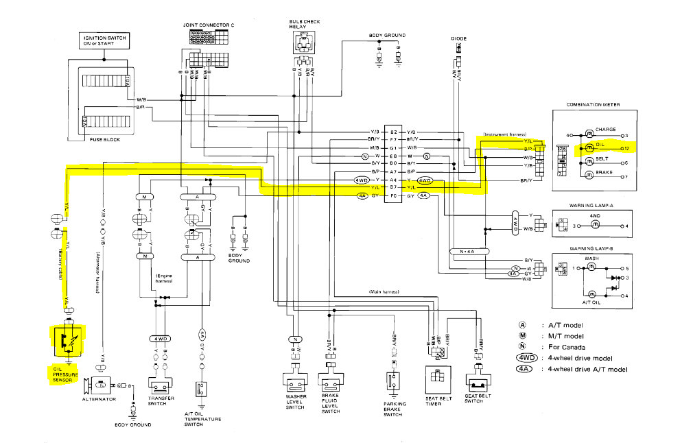
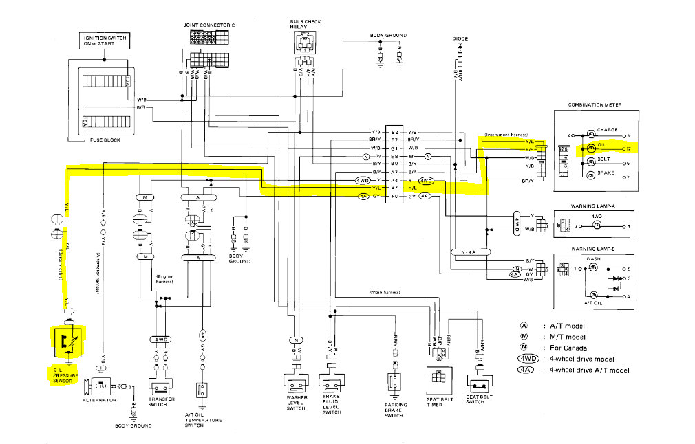
Hello, my low oil light on dash comes on at idle. I need to find location of oil light sensor on block. Not the oil sending unit located next to oil filter, that goes to separate gauge on dash. The sensor that operates the light. Please need help?



