Sunday, November 10th, 2019 AT 7:23 AM
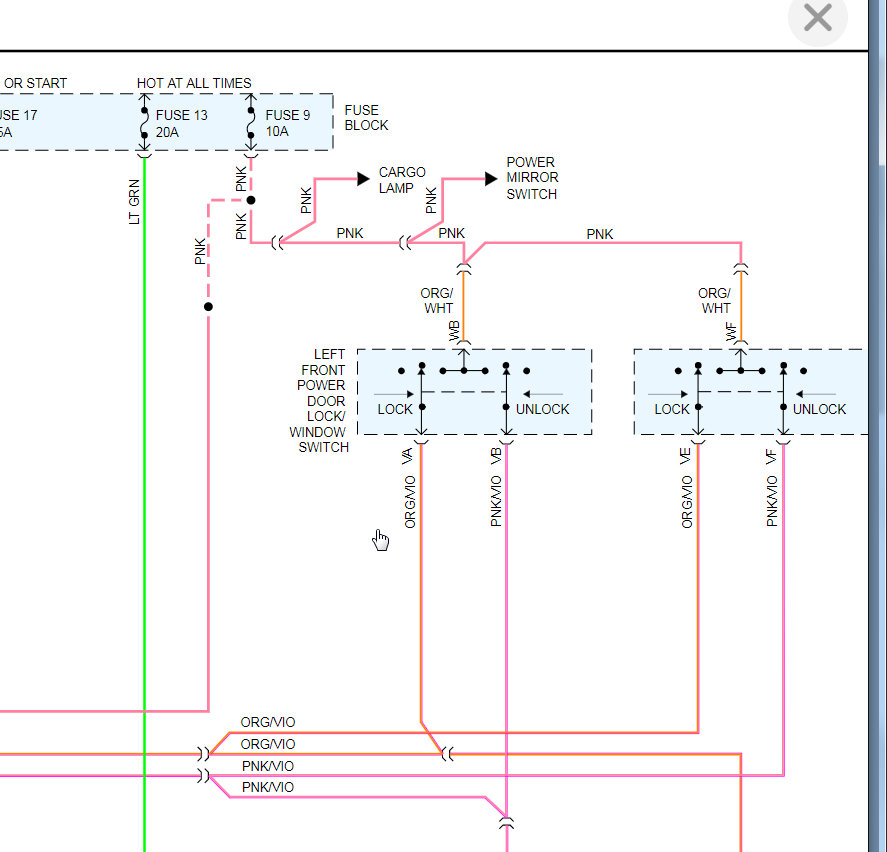
Just bought this vehicle as a project, runs great. I noticed all my gauges work correctly except for my oil pressure gauge, also my powered locks don’t work on any of the doors. Any direction is greatly appreciated!








