HOME
ASK A QUESTION
REPAIR GUIDES
BECOME A MEMBER
LOG IN
Login with Facebook
OR
Remember me
NOT A MEMBER?
FORGOT PASSWORD?
CONTACT US
PRIVACY POLICY
TERMS AND CONDITIONS
☰
Home
Infiniti
Q45
Engine
Oil Pan
Oil pan removel
RICHGRAY
MEMBER
2002 INFINITI Q45
180,000 MILES
I have all the bolts out and my oil pan is down, but I cannot get the oil pan out of my car.
Tuesday, October 29th, 2019 AT 7:43 AM
1 Reply
KASEKENNY
MECHANIC
18,907 POSTS
Hi,
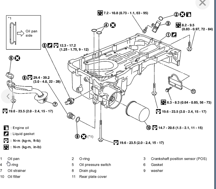
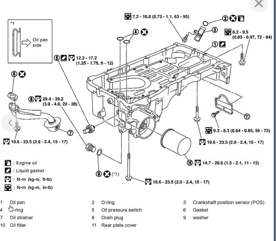
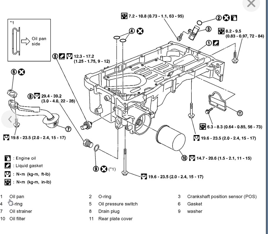
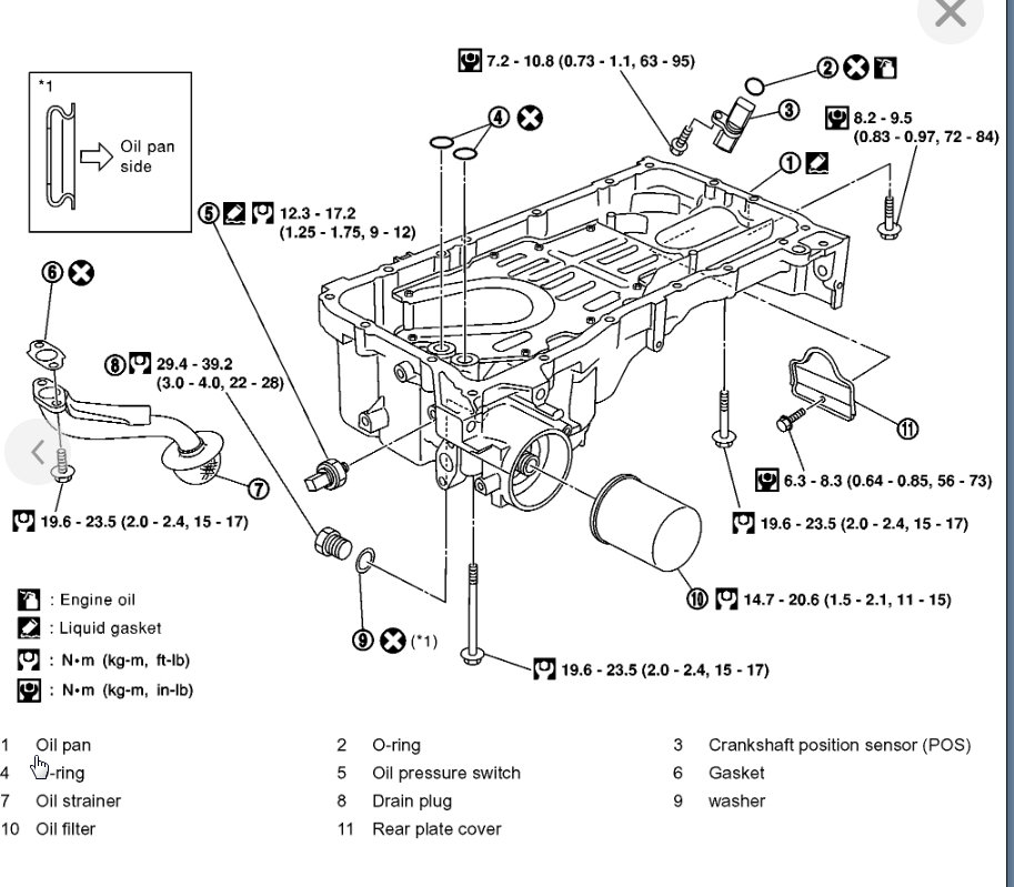
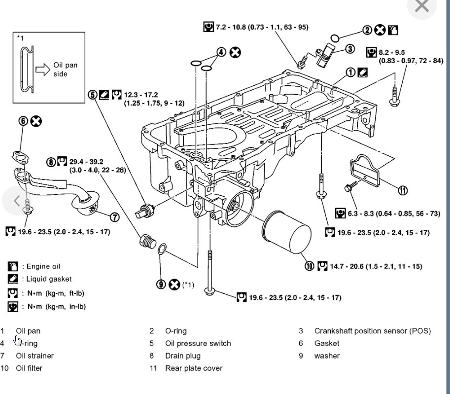
I attached the procedure but you have to support the engine and remove the suspension components in order to get it out.
Let me know if you have questions after you go through this material. Thanks
Images (Click to make bigger)
Was this
answer
helpful?
Yes
No
Tuesday, October 29th, 2019 AT 5:11 PM
Please
login
or
register
to post a reply.
Related Oil Pan Content
Correct Name For Part
I Have A 1994 Infiniti Q45 And Is This Fuel Injector Wiring Harness The Correct Part Name? I'm Having A Hard Time Searching And Locating...
Asked by
plampkin
·
8 ANSWERS
7 IMAGES
1994
INFINITI Q45
Timing Belt
Where Is The Belt Located?
Asked by
David Blount
·
3 ANSWERS
1995
INFINITI Q45
1998 Infiniti Q45 - Trouble Accelerating Past 40 Mph...
I Have An 1998 Infiniti Q45. Today, As I Was Getting Off The Highway Onto An Exit Ramp My Car Started To Jerk. I Had Sloweddown To 40 Mph...
Asked by
cardigramz
·
9 ANSWERS
1998
INFINITI Q45
Hi Could U Please Tell Me What Oxygen Sensors I Need...
Hi Could U Please Tell Me What Oxygen Sensors I Need To Purchase For My Vehicle Thank U
Asked by
paulette2013
·
4 ANSWERS
1999
INFINITI Q45
Had All Four Belts Replaced In October, But Now I...
Had All Four Belts Replaced In October, But Now I Crunk Up Left Work And My Battery And Brake Light Came On. By The Time I Got Home Looked...
Asked by
Anonymous
·
1 ANSWER
2000
INFINITI Q45
VIEW MORE
Ask a Car Question. It's Free!
Crankshaft Seal Replacement - Rear
Crankshaft Main Seal Replacement - Front
Engine Oil Leak